Emerson est spécialisé dans la conception et la fabrication d'équipements CVC pour les serveurs et les stations de télécommunication. Une caractéristique des produits de la marque est la capacité de s'adapter à des conditions d'exploitation spécifiques. Le climatiseur de précision Emerson est un complexe climatique moderne avec une autonomie maximale.
- Principales gammes de climatiseurs et produits
- Climatiseurs en rangée
- Climatiseurs de précision pour salle de serveurs
- Equipements climatiques pour stations de télécommunication
- Comparaison des caractéristiques des modèles populaires
- Instructions pour le panneau de commande et les climatiseurs Emerson
- Codes d'erreur du climatiseur Emerson
- Critiques d'utilisateurs
Principales gammes de climatiseurs et produits
L'entreprise a développé des systèmes pour maintenir la température et l'humidité requises dans des pièces dotées d'équipements de haute précision. L'activité principale d'Emerson est les climatiseurs de précision, leur entretien et leur réparation. Pour choisir la meilleure option, il est recommandé de vous familiariser avec l'assortiment principal de la marque.
Climatiseurs en rangée
L'unité en rangée Liebert CRV Series Emerson présente les avantages suivants :
- répartition horizontale des flux, possibilité de desservir une petite partie de la pièce;
- la puissance varie de 20 à 50 kW;
- les dimensions compactes n'affectent pas les performances de réfrigération ;
- un compresseur avec contrôle digital Scroll est installé, la vitesse des ventilateurs est contrôlée automatiquement.
L'intégration avec d'autres équipements de l'entreprise est possible pour créer des systèmes climatiques complexes.
Dans certains modèles, l'eau avec des additifs spéciaux est utilisée comme fluide de travail. Un régulateur de drainage et un module de régulation de l'hygrométrie de la pièce ont été développés pour eux.
Climatiseurs de précision pour salle de serveurs
L'entreprise propose les types d'armoires suivants :
- Liebert W / D / H / F. La puissance des unités varie de 4 à 100 kW. Des options refroidies à l'air ou à l'eau sont disponibles.
- Liebert C. Puissance nominale - de 6 à 230 kW. Seules les unités refroidies à l'eau peuvent être sélectionnées. Le mode de fonctionnement autonome est assuré par le système de contrôle électronique ICOM.
- Liebert à usage général. Capacité de refroidissement - de 15 à 70 kW. Contrairement aux modèles ci-dessus, il est possible de modifier la configuration de l'équipement d'adaptation pour les conditions de fonctionnement requises. La pression dans les lignes et la répartition de la zone de refroidissement sont régulées automatiquement.
Pour choisir, vous devez prendre en compte la superficie de la pièce desservie, l'énergie thermique totale dégagée par les équipements installés. Dans certains cas, l'exposition à un champ électromagnétique puissant est inacceptable.
La précision de contrôle de la température pour les modèles ci-dessus est de 1 ° C. Cette valeur peut être réduite en installant des équipements de mesure et des modules supplémentaires pour réguler l'intensité du fonctionnement du ventilateur.
Equipements climatiques pour stations de télécommunication
Lignes d'équipements pour postes de télécommunication :
- Refroidisseur d'armoire. Appareils aux dimensions compactes et à haute densité de refroidissement. Le choix du mode de répartition de l'air est possible : frontal, latéral, plancher surélevé ou combiné.
- Hiline Slim. Ils diffèrent par des dimensions compactes, un refroidissement mécanique direct. La puissance frigorifique nominale est de 4 kW. Il y a une unité de filtration, il est possible de prendre l'air froid de la rue.
- Split haute performance. Une solution innovante d'Emerson est un système divisé pour les locaux à haute densité. La puissance frigorifique varie de 6,4 à 14,6 kW.
Bien que les systèmes soient complexes, le personnel local peut faire confiance à l'entretien de base des climatiseurs Emerson. L'exception concerne les travaux d'installation et de réparation. L'installation du climatiseur doit être effectuée par des professionnels spécialisés, sinon le fonctionnement normal du complexe n'est pas garanti.
Pour un fonctionnement ininterrompu du système, il est recommandé d'acheter une alimentation électrique autonome ou de connecter des modules climatiques à un réseau déjà installé.
Comparaison des caractéristiques des modèles populaires
Le choix de ce type d'équipement repose sur une analyse complète des caractéristiques requises. Le paiement pour le non-respect de cette condition est le mauvais fonctionnement de l'ensemble du système. Pour vous familiariser avec les paramètres, vous avez besoin d'un manuel d'instructions pour les climatiseurs, qui indique toutes les caractéristiques.
Mais en plus de cela, de tels facteurs sont pris en compte:
- valeur d'erreur minimale de la capacité de refroidissement ;
- la taille de la pièce, la disposition des équipements ;
- caractéristiques climatiques de base - le degré de chauffage de l'air aux charges de pointe et un fonctionnement stable.
Afin de ne pas étudier chaque fiche technique, il est recommandé de vous familiariser avec les paramètres de trois modèles populaires d'équipements CVC de cette marque.
| Modèle | Liebert HPW 065 | Liebert L / D / H / F 10 | Refroidisseur d'armoire 05 |
| Capacité de refroidissement | 6,3 | 12,3 | 4,86 |
| Consommation d'énergie | 1,63 | 2,88 | 1,88 |
| Consommation d'air | 2610 | 4830 | 1270 |
| Niveau de bruit | 57 | 62,5 | 65,8 |
| Température maximale | 47 | 50 | 45 |
| Dimensions (modifier) | 800*450*1690 | 650*650*1990 | 600*300*1600 |
| Poids | 175 | 288 | 124 |
Le coût est formé individuellement pour chaque modèle. Dans la plupart des cas, un package complet est commandé - avec un système de contrôle, des changements possibles dans la configuration des unités. Vous pouvez également acheter un ensemble standard.
Le prix dépend du volume de la commande. Il est recommandé de choisir des revendeurs directs de l'entreprise avec du personnel qualifié. Vous pouvez également leur commander une installation professionnelle et un entretien supplémentaire.
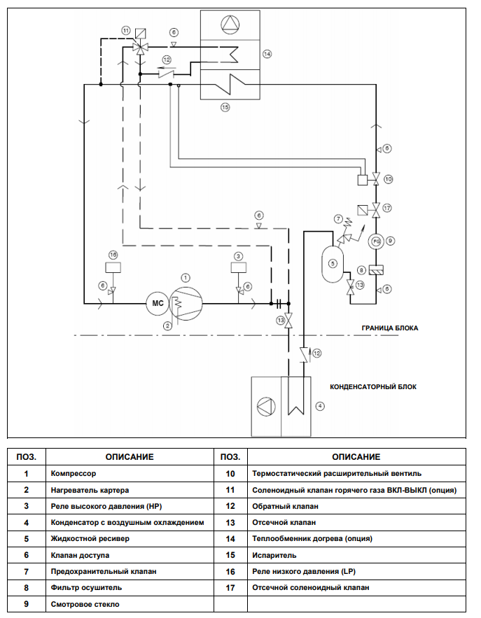
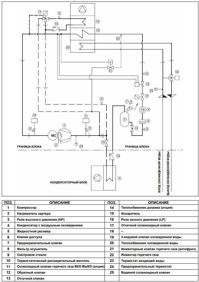
Instructions pour le panneau de commande et les climatiseurs Emerson
Le système de gestion intégré ICOM a été développé pour un fonctionnement normal. Ce module peut être intégré à tous les modèles d'équipements CVC de l'entreprise. Une télécommande pour le climatiseur est attachée séparément pour modifier les caractéristiques de base en mode manuel.
Le manuel d'entretien contient les informations suivantes sur l'unité de commande :
- la possibilité de se connecter à un ordinateur pour la transmission à distance des données actuelles ;
- il existe un bloc de code accordable pour définir des paramètres supplémentaires ;
- affichage graphique pratique des informations sur l'écran à cristaux liquides ;
- mise en place du fonctionnement automatique.
Une attention particulière est portée à l'entretien des unités. Il est nécessaire de nettoyer périodiquement les filtres, de vérifier l'état des volets et des persiennes. Après un long temps d'arrêt, le démarrage est effectué en mode minimum, augmentant progressivement la capacité de refroidissement.
Important - pour chaque modèle, le niveau de température maximum autorisé dans la pièce est défini. S'il existe une possibilité de dépasser cette limite, vous devez choisir des complexes plus puissants.
Codes d'erreur du climatiseur Emerson
Le premier signe de dysfonctionnement sont des codes d'erreur qui apparaissent sur l'écran de l'unité de commande ou de la télécommande. Si le dysfonctionnement n'est pas éliminé à temps, la restauration du système prendra beaucoup de temps.
Pour éviter que de telles situations ne se produisent, vous devez respecter les règles suivantes :
- effectuer des activités pour l'entretien des blocs;
- vérifier le degré de contamination des filtres à air ;
- inviter des spécialistes pour des diagnostics complexes au moins une fois par an.
En cas de panne, le code doit être transmis à un représentant du service. Parfois, l'erreur est systémique et n'affecte pas les performances de l'équipement. Mais cela ne peut être résolu que par un spécialiste spécialisé.
Critiques d'utilisateurs
Étant donné que les produits de l'entreprise sont spécifiques, il est problématique de trouver des critiques à ce sujet. Pour une première analyse des propriétés réelles des consommateurs, il est recommandé de visiter les forums spécialisés.
Avantages:
- flexibilité des paramètres;
- la possibilité d'intégrer plusieurs modules dans un système commun ;
- fiabilité du travail;
- entretien relativement facile.
Les inconvénients ne comprennent que le coût élevé. Mais cet indicateur est typique pour tous les modèles de cette classe.


















