Les cartes universelles pour le climatiseur sont utilisées lorsqu'il est difficile de trouver une pièce pour la réparation d'équipements CVC. Il existe une large gamme de modèles en vente qui diffèrent par leur appareil et leur fonctionnalité. Les planches fabriquées en Chine sont vendues dans une large gamme de prix.
Description du modèle bon marché QD-U02B et du modèle coûteux QD-U11A
QD-U02B
La carte de réception du modèle pas cher QD-U02B n'a pas de boîtier et est équipée de voyants LED, d'un bouton de commande et d'un module photo. Les dimensions de l'appareil lui permettent d'être installé dans des modèles muraux conventionnels. S'il n'est pas possible d'insérer la carte à la place de la précédente, chaque élément de la pièce peut être déconnecté et l'installation séquentielle effectuée.
Le panneau de commande a un petit écran noir et quelques boutons. Cependant, il suffit de remplir toutes les fonctions du conseil d'administration.
QD-U11A
La télécommande a un aspect attrayant, dispose d'un affichage informatif et est fabriquée en plastique de haute qualité.
La soudure des cartes présentées est de haute qualité, les pistes sont vernies, les pistes d'alimentation sont en plus renforcées par de la soudure. Cependant, l'élément lui-même est fait de getinax de mauvaise qualité, vous devez donc être prudent lors de l'installation.
Comment se manifeste un dysfonctionnement de la carte du climatiseur
Lorsque les LED de l'unité intérieure clignotent et qu'il n'est pas possible d'allumer le système split, on peut supposer qu'il y a eu une défaillance dans les paramètres du logiciel. Ils sont éliminés en reprogrammant l'élément de commande dans le centre de service à l'aide des codes.
Les circuits de climatisation grillent souvent lors de surtensions. Les appareils onduleurs sont particulièrement sensibles aux surtensions. Dans de tels cas, la carte doit être réparée ou remplacée.
Les principaux dysfonctionnements de l'élément de commande et leurs causes :
- Les fabricants équipent les circuits de commande d'interrupteurs à semi-conducteurs responsables du fonctionnement du ventilateur. En cas de dysfonctionnement, vous pouvez suspecter un dysfonctionnement des interrupteurs. Avant de réparer, assurez-vous de vérifier la résistance de l'élément. Si la valeur est proche de zéro, le microcircuit doit être évaporé.
- Des dysfonctionnements des capteurs de température et du compresseur indiquent également un dysfonctionnement du circuit.
- Si le microcircuit grillé est visible à l'œil nu, vous n'aurez pas à mesurer la résistance. L'élément de commande est immédiatement réparé ou remplacé.
- Dans certains cas, les installateurs font une erreur dans les connexions d'interconnexion, ce qui provoque également l'épuisement de la carte. Le régulateur de tension, le transformateur et les ponts de diodes grillent souvent.
Si l'élément de commande est complètement grillé, il doit être remplacé.
Vaut-il la peine d'utiliser des cartes universelles
- Ils ne peuvent être installés que dans des climatiseurs de type marche-arrêt (non-inverter).
- Ces commandes ne s'appliquent qu'à l'installation dans des climatiseurs avec des moteurs de ventilateur avec des enroulements supplémentaires. Lors du contrôle du moteur PWM, le climatiseur avec la carte universelle fonctionnera à la vitesse maximale. Pour de tels cas, des résistances d'amortissement sont achetées.
Lorsque les moteurs de l'unité intérieure sont alimentés en courant continu BLDC, le fonctionnement combiné du circuit universel et du climatiseur n'est pas possible. Pour les systèmes muraux, il est préférable de choisir le modèle QD-U03A.
Différences entre les commandes chères et bon marché :
- La fonction de redémarrage intégrée. Après avoir éteint l'appareil, puis l'avoir remis en marche, l'appareil continuera à fonctionner dans le mode précédent.
- Equipé d'un capteur de température d'évaporateur. Cet élément empêche le gel de l'échangeur de chaleur interne.
- La présence d'un corps sur lequel l'élément est fixé.
Il convient également de comprendre les particularités de l'installation d'une carte universelle dans un climatiseur.
Remplacement d'élément
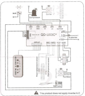
Un manuel d'instructions est fourni avec la carte universelle. Il montre comment connecter l'élément au climatiseur. Les instructions contiennent un schéma détaillé. La carte réceptrice, la sonde de température et le transformateur sont connectés à l'aide de connecteurs standard, le risque d'erreur est donc minime lors de cette opération.
Pour connecter la carte avec une vanne à quatre voies, un compresseur et un ventilateur, il y a des connecteurs à broche sur l'élément. Une dizaine de bornes sont fournies avec la pièce, ainsi qu'une isolation transparente pour celles-ci. En mode refroidissement, la vanne à quatre voies n'est pas alimentée, il faut donc faire attention lors du raccordement.
Le moteur du ventilateur est connecté au circuit à l'aide de trois relais (pour trois vitesses). Ils sont également connectés avec des bornes de 6,2 mm, ils mordent donc le connecteur standard et connectent ces bornes aux fils du moteur du ventilateur. L'un d'eux est mis sur un fil commun, neutre. Le reste est connecté aux sorties relais.
La carte de commande universelle du climatiseur est conçue pour fonctionner avec des moteurs dotés de fils de bobinage supplémentaires. L'un des fils est commun, tandis que les autres proviennent du reste des enroulements. Les fils à faible résistance sont conçus pour alimenter le ventilateur lorsqu'il fonctionne à vitesse maximale.
La carte a des broches étiquetées en fonction de la vitesse du ventilateur - Hi (élevée), Basse (faible) et Med (moyenne).
- Débranchez l'alimentation de l'appareil.
- Démontez le boîtier ou retirez le couvercle du bloc.
- Retirez l'élément des rainures. Pour ce faire, vous devrez dévisser les vis, débrancher les connecteurs et les fils.
- Remplacez la pièce par une nouvelle et assemblez le module de climatisation.
Toutes les procédures sont effectuées avec soin, car si la carte est légèrement endommagée, l'appareil ne fonctionnera pas.
Vérification de la carte installée
Le module de réception de la carte comprend un microcircuit, qui contient un capteur, un système de contrôle automatique de gain et des filtres pour supprimer les interférences. La sortie a les conclusions suivantes:
- aliments;
- général;
- production.
Le schéma de connexion est simple - grâce à plusieurs résistances en option et un condensateur de filtre de puissance.
La première étape de l'évaluation des performances d'un élément consiste à vérifier la connexion des pièces entre elles et à la carte principale. Le microcircuit de réception est vérifié pour le courant consommé - de 0,5 à 1,5 mA. Si les performances sont trop élevées, le microcircuit peut être considéré comme défectueux.
Il est important de mesurer la tension de sortie :
- en l'absence de signal, elle est égale à la tension du signal ;
- lorsque le signal passe, la tension chute légèrement.
Si l'ESR est trop élevé, le condensateur peut mal fonctionner.
La carte universelle est utilisée pour réparer de nombreux modèles de systèmes split, mais pas tous. Les modèles bon marché ont un ensemble minimal de fonctions, tandis que les modèles coûteux assurent le fonctionnement complet des climatiseurs modernes.













Cet article est obsolète car toute la gamme de blocs universels est disponible à la vente, y compris pour ceux à onduleur.