De plus en plus, des barbecues en briques fixes ou des fours avec barbecues sont érigés sur les sites. Les structures métalliques portables des outils disponibles ne sont utilisées que sur la route. Les modèles stationnaires sont plus pratiques à bien des égards, mais ils ont besoin d'une hotte.
Pourquoi avez-vous besoin d'une cagoule

L'odeur du bois brûlé et de la viande rôtie est considérée par beaucoup comme agréable, mais pas tous et pas toujours. Si le gril n'est pas équipé d'une hotte aspirante, la fumée et l'odeur se répandent dans toute la cour.
La hotte de barbecue à faire soi-même remplit 2 fonctions.
- Il élimine la fumée de la structure - elle ne pénètre pas dans la pièce et est évacuée à une hauteur suffisamment élevée pour ne pas déranger les personnes présentes.
- Améliore la traction car il crée une pression supplémentaire. Le bois de chauffage brûle plus vite et mieux, la température de la flamme est plus élevée, ce qui signifie que les aliments sont cuits plus rapidement.
Si le gril est à l'extérieur, le capot protège la flamme de la pluie.
Options de conception

Une cheminée pour un barbecue et une hotte en métal ne sont pas la même chose. La cheminée évacue les gaz résiduaires. Avec un bon soulevé de terre, cela suffit généralement. Cependant, la cheminée n'empêche pas la propagation des odeurs, des éclaboussures de graisse et des particules de cendre. Le capot fait ça.
La structure est un dôme en forme de parallélépipède ou de pyramide découpée. Souvent, il élabore une solution de conception générale avec un brasero ou un poêle. Il existe 2 types de construction.
Capot en métal

Fabriqué en acier ou en cuivre résistant à la chaleur. Ces alliages sont plus durables et résistants aux températures élevées. Le dôme est placé assez bas au-dessus du foyer. Il capte les produits de combustion - solides, liquides, gazeux et les dirige dans la cheminée. La sonde d'échappement n'est pas en contact avec les communications.
Un dôme pour barbecue dans un gazebo en alliages métalliques présente de nombreux avantages :
- polyvalent et peut être combiné avec des fours et des barbecues de tout type et de tout type;
- facile à installer;
- ne nécessite pas d'entretien complexe;
- peut être équipé de dispositifs supplémentaires : ventilateur, filtres ;
- attractif.
Inconvénient : le métal est très chaud, il y a donc un certain risque de brûlure.
Pour éliminer efficacement la suie, les cendres, les embruns, les parois du parapluie doivent être absolument lisses. Leur surface doit être surveillée et nettoyée en temps opportun.
Construction en brique

Le dôme est relié à la cheminée en une seule pièce. Le capuchon actuel est disposé avec une pierre, il ressemble à une pyramide. Il couvre la majeure partie de l'ouverture focale. En raison du tirage, les produits de combustion sont évacués dans le conduit de fumée.
Les avantages sont les suivants :
- le dôme en brique combine les fonctions d'un brasero et d'une hotte ;
- facilement réparable ;
- a une apparence solide;
- sûr - la pierre ne chauffe pas autant que le métal.
Désavantages:
- la structure de ventilation est volumineuse ;
- il faut de l'expérience pour briquer un dôme ;
- coût plus élevé.
Pour une hotte en brique, vous avez besoin de briques réfractaires et de mortier d'argile.
Outils et matériaux

Il est plus facile de fabriquer un capot en métal pour le barbecue de vos propres mains. Cela nécessitera :
- tôle d'acier de 1 à 3 mm d'épaisseur;
- coins en fer d'une section de 30 * 30 * 30 mm;
- boulons pour fixations;
- un Bulgare avec un costume de diamants ;
- Machine de soudage;
- marteaux et outils de rivetage;
- fil à plomb et angle pour vérifier la verticalité.
Vous aurez besoin d'un support en métal ou en brique pour fixer le dôme. Dans le gazebo ou sur la véranda, la hotte est suspendue par des chaînes au plafond. Cela semble impressionnant et intéressant.
Composants

La conception de la hotte est assez simple, mais de nombreuses exigences doivent être suivies à la lettre.
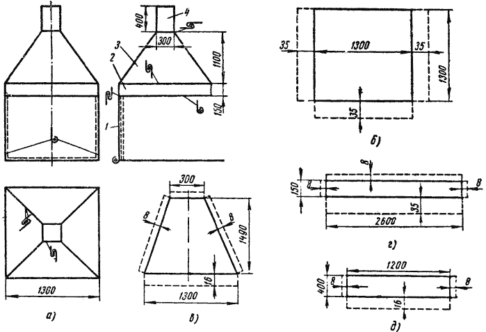
- Un parapluie - ou un dôme. Sa surface doit être 30% plus grande que la surface de la partie inférieure du barbecue. Dans ce cas, la forme peut être différente : un dôme plus haut a une section plus petite, et un dôme plus large ou plat a une plus grande.
- Si une hotte aspirante est installée, la cheminée doit correspondre à l'accessoire. La cheminée doit être rétrécie et courbée, sinon un bon tirage ne peut pas être obtenu. La hauteur est importante : du sol au sommet de la cheminée, il doit y avoir au moins 2,8 m, et encore plus c'est mieux. La section de la cheminée est déterminée par la superficie du four.
- La viande étant le plus souvent cuite sur le gril, il est nécessaire d'installer un bac à graisse. Il ressemble à un cadre avec un conteneur amovible. Le cadre attrape les éclaboussures et les accumule, empêchant la graisse de brûler dans la cheminée ou sur le dôme. Ce dernier réduit la fonctionnalité des appareils.
- Il est recommandé d'installer un extracteur de fumée sur les grils de forte puissance. C'est un ventilateur à faible puissance qui augmente le tirage naturel et élimine mieux les odeurs.
- Un déflecteur est parfois installé à la place d'un ventilateur. C'est un dispositif mécanique qui remplit la même fonction en raison de sa forme. Cependant, par rapport à un ventilateur, son efficacité dépend des conditions météorologiques : plus le vent est fort, mieux il fonctionne.
- La cheminée est équipée d'un pare-étincelles - il s'agit d'une exigence obligatoire pour un poêle situé à proximité ou à l'intérieur de la maison. Avec un fort tirage, les particules brûlantes montent avec l'air, si elles ne sont pas arrêtées par la hotte. Les œufs peuvent voyager assez loin et présenter un risque d'incendie. Le pare-étincelles se présente sous la forme d'un entonnoir en acier résistant à la chaleur.
Tous les composants de la hotte peuvent être facilement combinés. Le bac à graisse ou le séparateur d'étincelles peut être dimensionné et fixé à votre propre parapluie.
Exigences de construction

Par exemple, vous pouvez imaginer les exigences standard pour la hotte d'un barbecue à bois :
- tôle galvanisée d'une épaisseur d'au moins 1 à 3 mm;
- longueur de la boîte à fumée - 855-1550 mm;
- largeur - 660-950 mm;
- section de cheminée - 255 mm et plus;
- hauteur de cheminée d'au moins 3 m.
Lors du changement de zone du barbecue, il est important de maintenir les proportions indiquées.
Fabrication étape par étape

La hotte du barbecue dans le gazebo peut être fabriquée de vos propres mains. Il nécessite la capacité de travailler avec une machine à souder. Les instructions étape par étape sont assez simples.
- Développer un dessin.
- Nettoyez les coins de la graisse, coupez à la bonne taille.
- La base inférieure est soudée à partir d'un profilé métallique et de coins - une ouverture plus étroite du dôme.
- Recueillir la partie inférieure, plus large. De forme, il ressemble à un cadre pour une boîte avec un côté bas.
- Les éléments latéraux sont soudés aux coins sur les deux cadres. Il s'avère qu'il s'agit d'un semblant de pyramide tétraédrique à base rectangulaire.
- De la même manière, un cadre pour un collecteur de fumée est assemblé - des parties d'un tuyau de la section requise.
- Une fois les coutures refroidies après le soudage, elles sont traitées avec un disque de meulage. Il est recommandé de peindre la structure avec une peinture résistante à la chaleur.
- Sur une tôle d'acier ou une tôle profilée, les éléments du parapluie et du collecteur de fumée sont repérés et le métal est découpé. Pliez les bords. La boîte à fumée est immédiatement gainée. Les feuilles sont fixées avec des rivets.
- Une feuille de métal est installée en diagonale dans le cadre de la hotte. Cette plaque améliore la traction. Il est fixé dans la partie rectangulaire inférieure du parapluie.
- Les fragments coupés sont gainés de chaque côté du capot et fixés par des rivets.
- Le produit fini est peint avec une peinture résistante à la chaleur.
Lors de l'installation, ils ont d'abord placé le dôme - sur les murs du barbecue, sur un support, suspendu à des suspensions au plafond. Ensuite, ils mettent le tuyau sur le capot et le fixent avec des rivets.
Erreurs de débutant

Des lacunes dans le développement et l'installation de la hotte deviennent perceptibles immédiatement après le début de l'exploitation. La plupart d'entre eux sont assez faciles à réparer.
- Pour éliminer de manière fiable la fumée, la hauteur de l'extrémité de sortie du tuyau par rapport au sol doit être d'au moins 3 m. Si la hauteur n'est pas suffisante, la cheminée est construite.
- Souvent, lors de l'allumage, la fumée ne pénètre pas du tout dans le capot. Ce n'est pas une erreur de montage. Tant que la flamme n'est pas suffisamment forte, la densité de la fumée ne diffère pas de celle de l'air et donc aucune différence de pression n'est créée.
- Si la fumée n'est pas aspirée et avec une bonne flamme, il est fort probable que la section du tuyau soit insuffisante. Dans ce cas, la cheminée est changée. Si seulement une partie de la fumée est perdue, l'installation d'un ventilateur vous aidera.
La hotte au-dessus du barbecue est un élément indispensable d'une structure fixe. Sinon, le plaisir de la fête peut être gravement gâché par les odeurs désagréables et la fumée.








