Dans un système de chauffage autonome, on observe souvent une situation où les radiateurs éloignés de la chaudière dégagent moins de chaleur que ceux installés plus près. Le problème peut résider non seulement dans la grande longueur de l'autoroute, mais aussi dans un schéma mal tracé avec un seul contour. Est-il possible d'en faire plusieurs et que sont les circuits de chauffage, leur description et leur équilibrage ?
Problèmes d'équilibrage du circuit de chauffage

L'exemple le plus simple de la répartition compétente du liquide de refroidissement entre plusieurs consommateurs est le chauffage d'un bâtiment à plusieurs étages. Si un schéma à circuit unique était utilisé lors de sa création, certains consommateurs seraient laissés sans chaleur. Par conséquent, le bâtiment dispose de plusieurs circuits de chauffage. Le même principe peut être appliqué au système autonome d'une maison privée ou d'un chalet.
Mais vous devez d'abord comprendre ce qu'est un circuit de chauffage. Imaginez qu'une dérivation se produise dans une certaine section du pipeline et qu'une partie du liquide de refroidissement est dirigée le long d'un circuit séparé vers une autre pièce. Dans ce cas, la longueur de chacun des contours peut être différente, car les pièces de la maison ont des zones différentes. En conséquence, de l'eau avec différents degrés de refroidissement pénètre dans le tuyau de retour commun. Mais le gros problème est la répartition inégale de la chaleur dans la maison. Pour éliminer cela, un équilibrage des circuits de chauffage est nécessaire.
Cet ensemble de mesures visait à une répartition uniforme du liquide de refroidissement, en fonction de la longueur de chaque branche du système de chauffage. Cela peut être prévu dès la phase de conception :
- Si l'installation comporte deux circuits de chauffage - leur longueur doit être approximativement égale. Pour cela, les canalisations sont réparties selon les superficies de chaque pièce ;
- Installation de collecteurs de distribution... Leurs avantages résident dans la possibilité d'utiliser des éléments spéciaux qui limitent automatiquement le débit du liquide de refroidissement. L'indicateur déterminant est la longueur du circuit de chauffage ;
- Application de dispositifs spéciauxrégler la quantité d'eau chaude en fonction des valeurs réglées.
Le résultat des mesures prises pour équilibrer les circuits de chauffage doit être une température uniforme dans toutes les pièces de la maison.
Le calcul d'équilibrage des circuits de chauffage doit être fait au stade de la conception. Il n'est pas toujours possible d'apporter des modifications à un système existant.
Ajustement du plancher chauffant à eau

Le plus souvent, le problème de la thermorégulation se rencontre lors de la conception d'un système de plancher chauffant à eau. C'est pourquoi, dans son schéma, un collecteur est obligatoire, qui est responsable de ce circuit de chauffage fermé.
Des circuits séparés sont connectés à chaque entrée et sortie. Leur longueur peut ne pas être toujours la même. Par conséquent, la conception prévoit des mécanismes de régulation :
- Débitmètre - installé sur le tuyau de retour du collecteur. Il a pour fonction de régler la quantité d'eau en fonction de la longueur du circuit de chauffage ;
- Thermostats - limiter le débit d'eau par la température.
Pour une répartition initialement correcte du liquide de refroidissement le long d'un circuit de chauffage fermé, il suffit de faire un calcul simple. L'indicateur principal est le volume de chaque branche. La somme de ces valeurs correspondra à 100%.Pour le calcul, vous devez diviser le volume de chaque circuit et calculer le coefficient de limitation du débit d'eau dans celui-ci.
Lors de l'équilibrage d'un plancher chauffant à eau de grande surface, il est recommandé de prendre en compte le nombre de spires de chaque circuit. Ils créent une résistance hydraulique supplémentaire.
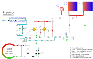
Système de chauffage par collecteur

Il est beaucoup plus difficile d'organiser une répartition uniforme du fluide caloporteur dans un circuit constitué de deux circuits de chauffage. Jusqu'à récemment, des distributeurs en T conventionnels étaient utilisés pour cela. Cependant, ils ne pouvaient pas fournir le résultat souhaité - un plus grand volume d'eau passant le long du chemin de moindre résistance hydraulique. En conséquence, il y avait une différence significative de température dans les chambres.
Après avoir découvert ce qu'est un circuit de chauffage en utilisant l'exemple des sols à eau chaude, le même modèle a été transféré pour l'ensemble du système de la maison. Ce n'est que dans ce cas qu'il est devenu possible de créer des autoroutes séparées pour chaque pièce ou groupe de pièces. Le plus souvent, un système de chauffage à deux circuits est utilisé, ce qui, par rapport au système classique, présente les avantages suivants:
- La possibilité de régler le débit de l'agent de chauffage dans chaque branche à l'aide de débitmètres. Ainsi, l'équilibrage des circuits de chauffage individuels est effectué sans modifier les paramètres de l'ensemble du système ;
- Si nécessaire, l'apport de chaleur aux locaux peut être complètement exclu. Cela peut être nécessaire pour économiser sur les coûts de chauffage actuels ;
- L'absence d'une grande influence de la longueur du circuit dans le chauffage sur le mode de fonctionnement en température. L'essentiel est d'installer l'équipement de contrôle.
L'inconvénient de ce schéma est la grande longueur des autoroutes. En moyenne, 30 à 40 % de consommables en plus seront nécessaires pour créer un chauffage par capteur que pour la version classique. Dans le même temps, la quantité totale de caloporteur augmente, ce qui augmente la puissance requise de la chaudière de chauffage.
Il est déconseillé d'installer un chauffage par capteur pour les maisons de plain-pied d'une superficie allant jusqu'à 120 m².
Vanne d'équilibrage

Mais que faire s'il existe initialement un système de chauffage prêt à l'emploi et que les mécanismes ci-dessus pour régler les circuits sont absents? Une vanne d'équilibrage peut alors être installée dans de tels circuits de chauffage fermés.
L'analogue le plus proche d'une vanne d'équilibrage est une vanne d'arrêt conventionnelle. Mais seulement contrairement à cela, le mécanisme de vanne permet un réglage automatique ou manuel de l'arrivée de liquide de refroidissement dans un circuit de chauffage spécifique. Pour les grands systèmes, des modèles automatiques sont choisis. S'il est possible d'effectuer un réglage périodique manuel, vous pouvez installer un analogue mécanique.
Le principe de son fonctionnement est de restreindre le débit du liquide de refroidissement dans une ligne séparée. Pour cela, la conception prévoit une tige qui remplit une fonction d'arrêt.
Lors du choix d'un modèle spécifique, vous devez faire attention aux paramètres suivants de cet équipement:
- Valeur de pression moyenne de travail - maximale et nominale ;
- La différence de pression entre les tuyaux de retour et d'alimentation. Ceci est important, car l'excès de liquide de refroidissement est redirigé vers la conduite de retour;
- La valeur du débit d'eau dans les canalisations ;
- Le mode de température nominale du système.
Ces caractéristiques peuvent être tirées d'un calcul préalable d'échauffement, ou elles peuvent être obtenues empiriquement par la méthode de calculs simples. Le coût d'une vanne d'équilibrage dépend directement de sa fonctionnalité, du diamètre du tuyau et du matériau de fabrication. Les modèles en acier inoxydable qui fonctionnent en mode automatique ont fait leurs preuves.
Après avoir appris ce que sont les circuits de chauffage et les méthodes pour les équilibrer, vous pouvez optimiser les performances de l'ensemble du système. Mais en même temps, il est important de surveiller les lectures de pression dans chacun d'eux, afin de ne pas créer une charge hydraulique excessive.
Vous pouvez vous familiariser avec un exemple d'équilibrage en regardant le matériel vidéo :








