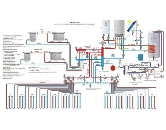
Tout système de chauffage présente un certain nombre de caractéristiques importantes - puissance thermique nominale, consommation de carburant et volume des composants. Le calcul de ce dernier indicateur nécessite une approche prudente et globale. Comment faire le bon calcul des volumes pour le chauffage : eau, réservoirs, liquide de refroidissement et autres composants du système ?
- Nécessite une centaine de calculs de chauffage
- Calcul du volume du liquide de refroidissement dans les tuyaux et la chaudière
- Le volume d'eau dans la canalisation
- Calcul du volume de la chaudière de chauffage
- Calcul du volume du vase d'expansion pour le chauffage
- Réservoir fermé
- Vase d'expansion ouvert
- Calcul du volume des radiateurs et batteries de chauffage
- Calcul du volume de l'accumulateur de chaleur
Nécessite une centaine de calculs de chauffage

Tout d'abord, vous devez décider de la pertinence de calculer le volume d'eau dans le système de chauffage ou le même indicateur pour les batteries et un vase d'expansion. Après tout, vous pouvez installer ces composants sans opérations compliquées, guidés uniquement par une expérience personnelle et des conseils professionnels.
Le fonctionnement de tout système de chauffage est associé à un changement constant des indicateurs du liquide de refroidissement - la température et la pression dans les tuyaux. Par conséquent, le calcul du chauffage par le volume du bâtiment vous permettra de compléter correctement l'apport de chaleur, en fonction des caractéristiques de la maison. De plus, il convient de prendre en compte la dépendance directe de l'efficacité d'exploitation vis-à-vis des compteurs actuels des ferries. Étant donné que vous pouvez calculer vous-même le volume d'eau dans le système de chauffage, cette procédure est recommandée afin d'éviter les situations suivantes :
- Mode de fonctionnement thermique réel incorrect, qui ne correspond pas à celui calculé ;
- Répartition inégale de la chaleur sur les appareils de chauffage ;
- Situations d'urgence. Après tout, comment calculer le volume d'un vase d'expansion pour le chauffage, si la capacité totale des canalisations et des batteries n'est pas connue.
Pour minimiser l'occurrence de ces situations, le volume du système de chauffage et de ses composants doit être calculé en temps opportun.
Les calculs des paramètres d'alimentation en chaleur sont effectués avant même les travaux d'installation. Ils servent de base à la sélection des composants.
Calcul du volume du liquide de refroidissement dans les tuyaux et la chaudière

Le point de départ du calcul des caractéristiques techniques des composants est le calcul du volume d'eau dans le système de chauffage. En fait, c'est la somme de la capacité de tous les éléments, de l'échangeur de chaleur de la chaudière aux batteries.
Comment calculer vous-même le volume du système de chauffage, sans l'intervention de spécialistes ni l'utilisation de programmes spéciaux? Pour ce faire, vous avez besoin d'une disposition des composants et de leurs caractéristiques globales. La capacité totale du système sera déterminée par ces paramètres.
Le volume d'eau dans la canalisation
Une partie importante de l'eau se trouve dans les canalisations. Ils occupent une grande partie dans le schéma d'approvisionnement en chaleur. Comment calculer le volume de liquide de refroidissement dans le système de chauffage et quelles caractéristiques des tuyaux devez-vous connaître pour cela? Le plus important d'entre eux est le diamètre de la ligne. C'est lui qui déterminera la capacité de l'eau dans les canalisations. Pour calculer, il suffit de prendre les données du tableau.
| Diamètre du tuyau, mm | Capacité l/tr.m. |
| 20 | 0,137 |
| 25 | 0,216 |
| 32 | 0,353 |
| 40 | 0,555 |
| 50 | 0,865 |
Des tuyaux de différents diamètres peuvent être utilisés dans le système de chauffage. Cela est particulièrement vrai pour les circuits collecteurs. Par conséquent, le volume d'eau dans le système de chauffage est calculé à l'aide de la formule suivante :
Vtot = Vtr1 * Ltr1 + Vtr2 * Ltr2 + Vtr2 * Ltr2 ...
Où Vtot - capacité totale en eau dans les canalisations, l,magnétoscope - le volume du liquide de refroidissement dans 1 lm. tuyaux d'un certain diamètre,Ltr - la longueur totale de la ligne avec une section donnée.
Ensemble, ces données vous permettront de calculer la majeure partie du volume du système de chauffage. Mais en plus des tuyaux, il existe d'autres composants de l'alimentation en chaleur.
Pour les tuyaux en plastique, le diamètre est calculé en fonction des dimensions des parois extérieures et pour les tuyaux en métal - en fonction des dimensions intérieures. Cela peut être important pour les systèmes thermiques à longue distance.
Calcul du volume de la chaudière de chauffage

Le volume correct de la chaudière de chauffage ne peut être trouvé qu'à partir des données du passeport technique. Chaque modèle de cet appareil de chauffage a ses propres caractéristiques uniques, qui ne sont souvent pas répétées.
Une chaudière au sol peut être grande. Cela est particulièrement vrai pour les modèles à combustible solide. En effet, le liquide de refroidissement n'occupe pas tout le volume de la chaudière de chauffage, mais seulement une petite partie de celui-ci. Tout le liquide est situé dans un échangeur de chaleur - une structure nécessaire pour transférer l'énergie thermique de la zone de combustion du carburant à l'eau.
Si les instructions de l'équipement de chauffage ont été perdues, la capacité approximative de l'échangeur de chaleur peut être prise pour des erreurs de calcul. Cela dépend de la puissance et du modèle de chaudière :
- Les modèles au sol peuvent contenir de 10 à 25 litres d'eau. En moyenne, une chaudière à combustible solide de 24 kW contient environ 20 litres dans un échangeur de chaleur. liquide de refroidissement;
- Ceux à gaz muraux sont moins volumineux - de 3 à 7 litres.
Compte tenu des paramètres de calcul du volume de liquide de refroidissement dans le système de chauffage, la capacité de l'échangeur de chaleur de la chaudière peut être négligée. Cet indicateur varie de 1% à 3% de l'approvisionnement total en chaleur d'une maison privée.
Sans nettoyage périodique du chauffage, la section des tuyaux et le diamètre d'alésage des batteries sont réduits. Cela affecte la capacité réelle du système de chauffage.
Calcul du volume du vase d'expansion pour le chauffage

Pour le fonctionnement sûr du système de chauffage, il est nécessaire d'installer un équipement spécial - un évent, un robinet de vidange et un vase d'expansion. Ce dernier est conçu pour compenser la dilatation thermique de l'eau chaude et réduire la pression critique à des valeurs normales.
Réservoir fermé
Le volume réel du vase d'expansion pour le système de chauffage n'est pas constant. Cela est dû à sa conception. Pour les circuits fermés d'alimentation en chaleur, des modèles à membrane sont installés, divisés en deux chambres. L'un d'eux est rempli d'air avec un certain indicateur de pression. Il devrait être moins que critique pour le système de chauffage de 10 à 15 %. La deuxième partie est remplie d'eau provenant d'un tuyau de dérivation raccordé au réseau.
Pour calculer le volume du vase d'expansion dans le système de chauffage, vous devez connaître son facteur de remplissage (Kzap). Cette valeur peut être extraite des données du tableau :

En plus de cet indicateur, il faudra déterminer d'autres :
- Le coefficient de dilatation thermique normalisé de l'eau à une température de + 85 ° C, E - 0,034;
- Le volume total d'eau dans le système de chauffage, C;
- Initiale (Rmin) et maximum (Rmax) pression dans les tuyaux.
D'autres calculs du volume du vase d'expansion pour le système de chauffage sont effectués selon la formule:
Si de l'antigel ou un autre liquide antigel est utilisé dans l'alimentation en chaleur, la valeur du coefficient de dilatation sera de 10 à 15 % plus élevée. Selon cette méthode, la capacité du vase d'expansion dans le système de chauffage peut être calculée avec une grande précision.
Le volume du vase d'expansion ne peut pas être inclus dans l'apport de chaleur total. Ce sont des valeurs dépendantes qui sont calculées dans un ordre strict - d'abord le chauffage, puis seulement le vase d'expansion.
Vase d'expansion ouvert

Pour calculer le volume d'un vase d'expansion ouvert dans un système de chauffage, vous pouvez utiliser une technique moins longue. Moins d'exigences lui sont imposées, puisqu'en fait il est nécessaire de contrôler le niveau du liquide de refroidissement.
Le facteur principal est la dilatation thermique de l'eau à mesure que sa vitesse de chauffage augmente. Cet indicateur est de 0,3% pour chaque + 10 ° . Connaissant le volume total du système de chauffage et le mode de fonctionnement thermique, vous pouvez calculer le volume maximum du réservoir. Il faut se rappeler qu'il ne peut être rempli qu'aux 2/3 de liquide de refroidissement. Supposons que la capacité des tuyaux et des radiateurs soit de 450 litres et que la température maximale soit de + 90 ° C. Ensuite, le volume recommandé du vase d'expansion est calculé à l'aide de la formule suivante :
Réservoir V = 450 * (0,003 * 9) / 2/3 = 18 litres.
Il est recommandé d'augmenter le résultat obtenu de 10-15%. Cela est dû aux modifications possibles du calcul total du volume d'eau dans le système de chauffage lors de l'installation de batteries et de radiateurs supplémentaires.
Si un vase d'expansion ouvert remplit les fonctions de surveillance du niveau de liquide de refroidissement, son niveau de remplissage maximal est déterminé par le tuyau de dérivation latéral supplémentaire installé.
Calcul du volume des radiateurs et batteries de chauffage

Pour effectuer un calcul précis, vous devez connaître le volume d'eau dans le radiateur de chauffage. Cet indicateur dépend directement de la conception du composant, ainsi que de ses paramètres géométriques.
De même que lors du calcul du volume d'une chaudière de chauffage, le liquide ne remplit pas tout le volume du radiateur ou de la batterie. Pour cela, la structure dispose de canaux spéciaux à travers lesquels le liquide de refroidissement s'écoule. Le calcul correct du volume d'eau dans le radiateur de chauffage ne peut être effectué qu'après avoir obtenu les paramètres de l'appareil suivants :
- Distance de centre à centre entre les canalisations directes et de retour vers la batterie. Il peut être de 300, 350 ou 500 mm ;
- Matériel de fabrication. Dans les modèles en fonte, le remplissage d'eau chaude est beaucoup plus élevé que dans les modèles bimétallique ou en aluminium ;
- Le nombre de sections dans la batterie.
Il est préférable de connaître le volume d'eau exact dans le radiateur de chauffage à partir de la fiche technique. Mais si cela n'est pas possible, vous pouvez prendre en compte les valeurs approximatives. Plus la distance de centre à centre de la batterie est grande, plus le volume de liquide de refroidissement s'y insérera.
| Distance du centre | Piles en fonte, volume l. | Radiateurs en aluminium et bimétalliques, volume l. |
| 300 | 1,2 | 0,27 |
| 350 | 0,3 | |
| 500 | 1,5 | 0,36 |
Pour calculer le volume total d'eau dans un système de chauffage avec des radiateurs à panneaux métalliques, vous devez connaître leur type. Leur capacité dépend du nombre de plans de chauffe - de 1 à 2 :
- Pour 1 type de batterie, pour chaque 10 cm, il y a 0,25 du volume du liquide de refroidissement ;
- Pour le type 2, cet indicateur passe à 0,5 litre par 10 cm.
Le résultat obtenu doit être multiplié par le nombre de sections ou la longueur totale du radiateur (métal).
Pour calculer correctement le volume d'un système de chauffage avec des radiateurs design de forme non standard, la méthode ci-dessus ne peut pas être utilisée. Leur volume ne peut être trouvé que par le fabricant ou son représentant officiel.
Calcul du volume de l'accumulateur de chaleur

Dans certains systèmes de chauffage, des éléments auxiliaires sont installés, qui peuvent également être partiellement remplis de liquide de refroidissement. Le plus grand d'entre eux est l'accumulateur de chaleur.
Le problème du calcul du volume total d'eau dans le système de chauffage avec ce composant est la configuration de l'échangeur de chaleur. En fait, l'accumulateur de chaleur n'est pas rempli d'eau chaude du système - il est utilisé pour la chauffer à partir du liquide qu'il contient. Pour un calcul correct, vous devez connaître la conception du pipeline interne. Hélas, les fabricants n'indiquent pas toujours ce paramètre. Par conséquent, vous pouvez utiliser une méthodologie de calcul approximative.
Avant d'installer l'accumulateur de chaleur, sa canalisation interne est remplie d'eau. Son montant est calculé indépendamment et pris en compte lors du calcul du volume de chauffage total.
Si le système de chauffage est modernisé, de nouveaux radiateurs ou tuyaux sont installés, il est nécessaire d'effectuer un recalcul supplémentaire de son volume total.Pour ce faire, vous pouvez prendre les caractéristiques des nouveaux appareils et calculer leur capacité à l'aide des méthodes décrites ci-dessus.
A titre d'exemple, vous pouvez vous familiariser avec la méthode de calcul du vase d'expansion :

![f-1 [1]](https://ihousehub.decorexpro.com/wp-content/uploads/2015/07/f-11.jpg)







