Un chauffage vraiment efficace est impossible sans circulation forcée. Pour ce faire, il est nécessaire d'installer des pompes dont la conception est conçue spécifiquement pour de telles conditions de fonctionnement. Et souvent, il s'agit d'une pompe de circulation pour le chauffage Wilo: instructions, avis, dont les caractéristiques vous aideront à choisir correctement le bon modèle.
À propos de Wilo

Pourquoi Wilo ? Premièrement, cette société est la fondatrice de toutes les pompes de circulation modernes. En 1928, elle met au point le premier système de déplacement forcé de liquide dans les tuyaux. C'est cette entreprise qui a fabriqué la pompe de série pour le chauffage à eau chaude Wilo à commande électronique (1988). Et malgré la concurrence plutôt rude, Wilo reste toujours le fleuron de son industrie.
Une caractéristique des produits de l'entreprise est une approche intégrée pour résoudre des problèmes spécifiques - chauffage, climatisation ou refroidissement. Ainsi, les caractéristiques des pompes à chaleur Wilo répondent aux exigences les plus strictes, à savoir :
- Une large gamme de caractéristiques de performance - pression maximale (jusqu'à 16 bar) et température (de -10° à + 110° ) du liquide de refroidissement;
- La roue centrifuge assure un mouvement radial de l'eau, ce qui réduit considérablement la résistance hydraulique ;
- Une particularité de la pompe à chaleur Wilo est le stator « humide ». Cette solution d'ingénierie exclut l'utilisation du refroidissement par air pour le moteur dans la conception (ceci est fait par l'eau elle-même à travers le stator). Le roulement est lubrifié de la même manière ;
- Le choix du système de contrôle est à trois étages, avec une interface de commutation étendue ou avec un contrôle automatique de la puissance.
Mais il n'y a pas que ces indicateurs qui sont décisifs pour le consommateur. Toutes les pompes de circulation pour installations de chauffage Wilo se distinguent par leur prix et leur qualité compétitifs.
La pompe du système de chauffage est conçue pour augmenter la vitesse de déplacement du liquide de refroidissement. Mais il faut se rappeler que le dépassement de ce paramètre peut entraîner une perte de transfert de chaleur des radiateurs, car leur surface n'aura tout simplement pas le temps de se réchauffer.
Produits Wilo

Comment choisir le bon modèle de pompe pour un système de chauffage autonome ? Tout d'abord, vous devez calculer sa puissance. Chaque manuel d'une pompe de circulation pour chauffage Wilo est caractérisé par des indicateurs aussi importants que la hauteur manométrique (m) et le débit (m³ / h). Un calcul approximatif dans ce cas est incorrect. Pour ce faire, tenez compte de toutes les caractéristiques du système - la hauteur de la maison, le volume du liquide de refroidissement, la longueur de la ligne, le mode de fonctionnement thermique, etc. La meilleure option pour calculer une pompe pour le chauffage à eau chaude Wilo est un calculateur en ligne ou un programme spécial.
Ce n'est qu'après cette étape que vous pouvez commencer à choisir un modèle particulier. Le retour d'expérience sur les pompes de circulation pour le chauffage Wilo aidera à se faire une opinion objective sur les caractéristiques de son fonctionnement. Mais il ne faut pas oublier que la qualité de fonctionnement de l'appareil dépend en grande partie de la bonne installation et de la conformité de ses paramètres avec les caractéristiques du système.
Certains avis sur les pompes Wilo disent qu'elles sont inefficaces en cas de panne de courant. Pour ce faire, vous devez fournir des sources d'alimentation de secours - des batteries ou un générateur diesel. Heureusement, la consommation électrique de la pompe est minime.
Pompes de circulation Wilo-Star-RS
Les principales caractéristiques des pompes Wilo pour le chauffage de cette classe sont la simplicité de conception et un coût abordable.Sa conception est un tuyau en zigzag avec une roue de circulation au milieu.

Les modèles de cette classe ont 3 niveaux de vitesse de rotor, qui sont nécessaires pour une répartition uniforme de la charge. Chaque pompe de circulation pour les installations de chauffage Wilo porte la désignation suivante :
Wilo-Star-RS N/Q
Où N - la taille du diamètre intérieur nominal (de 15 à 30 mm),Q - hauteur de chute (de 2 à 8 m).
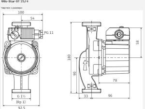
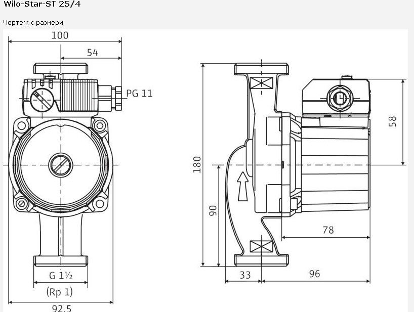
En plus de ces caractéristiques, vous devez connaître les paramètres de connexion au pipeline et au secteur. Le dispositif de la pompe Wilo pour le chauffage Star-RS dispose d'une boîte à bornes à 4 positions et d'un raccord fileté externe de dimensions - ½ ”, 1” et 1½ ”. Les caractéristiques de conception sont également exprimées dans les éléments suivants :
- Possibilité d'installation dans n'importe quelle position avec un arbre horizontal;
- Classe de protection IP44 ;
- Réseau électrique - 220V.

Si, après avoir pris connaissance au préalable du mode d'emploi d'une pompe de circulation pour chauffage Wilo, il s'avérait que cette puissance ne suffirait pas, vous pouvez acheter un modèle Wilo-Star-RSD couplé.
Son débit maximum peut être de 7 m³/heure avec une hauteur de chute nominale de 5 m. Dans ce cas, il faut tenir compte de la synchronisation du fonctionnement des moteurs à la même vitesse d'arbre. Sinon, non seulement l'efficacité de l'appareil sera réduite, mais également la probabilité de sa panne se produira. Dans certaines critiques négatives sur les pompes de circulation pour le chauffage Wilo, aucune mention n'est faite du mauvais fonctionnement d'un modèle particulier. Par conséquent, leur subjectivité doit être prise en compte.
Le coût moyen de Star-RS dépend de ses paramètres et peut aller de 2 200 à 4 500 roubles.
Le prix d'un modèle apparié varie de 6300 à 6800 roubles.
La pompe doit être installée avant l'entrée du tuyau de retour dans la chaudière, mais avant le vase d'expansion.
Pompes de circulation Wilo-Stratos

Pour créer un contrôle automatique des paramètres de chauffage à eau chaude, il est recommandé d'acheter des pompes Wilo de la série Stratos. Leur partie mécanique est totalement identique au Star-RS. La différence réside dans l'unité de commande électronique.
Un écran LCD est fourni pour visualiser les caractéristiques actuelles des pompes Wilo pour un mode de chauffage spécifique. Il affiche la vitesse de la turbine. La partie de commutation de l'appareil comprend les modules les plus courants - CAN, LON, Modbus, etc. Avec leur aide, le dispositif de pompe Wilo est commuté avec des éléments chauffants - une chaudière et un programmateur.
Il est à noter que le nombre de modèles de la série Wilo-Stratos est nettement plus important que celui de la Star-RS. Ils ont les gammes de caractéristiques de base suivantes :
- Débit maximal - de 5 à 62 m³ / heure;
- Valeur de la tête - de 4 à 17 m;
- La pression nominale est de 10 à 16 bar.

Le raccordement peut être réalisé à l'aide d'assemblages à brides et de raccords filetés. La taille de ce dernier varie de 1'' à DIN-100.
Une telle variété de modèles de pompes de circulation Wilo pour le chauffage explique la large gamme de leur coût - de 11 700 à 67 000 roubles.
Lors de l'installation, vous devez lire attentivement les instructions de la pompe de circulation spécifique pour le chauffage Wilo. Il indiquera nécessairement que quelle que soit la position choisie, l'arbre doit être strictement horizontal. C'est une condition préalable au fonctionnement normal.
La pompe peut-elle être réparée par moi-même en cas de panne ? Le matériel vidéo montre un exemple de restauration de ses performances :








