Comment augmenter la surface de chauffage d'un appartement ou d'une maison ? Dans certains cas, l'agrandissement de l'espace habitable, en plus des problèmes habituels, entraîne la nécessité d'augmenter la capacité du système. Pour cela, il n'est pas nécessaire de changer de chaudière, d'autant plus qu'elle est sélectionnée avec une petite réserve de marche. Le plus souvent, des systèmes de chauffage supplémentaires sont installés avec l'installation de pompes et de radiateurs.
Installation d'un système de chauffage supplémentaire

Quand avez-vous besoin de chauffage supplémentaire à la maison ? Si le système a été calculé correctement auparavant, y compris ses composants, l'installation de nouveaux circuits est due à l'agrandissement de l'espace de vie. Et à ce stade, le propriétaire est confronté à plusieurs problèmes à la fois.
Premièrement, cela entraîne une augmentation de la charge sur les principaux composants du circuit - la chaudière et la pompe. Ce dernier n'est pas en mesure d'assurer une bonne circulation du fluide caloporteur, ce qui perturbe le mode de fonctionnement thermique. En outre, un chauffage supplémentaire de l'appartement avec la modernisation du système de pompage peut être nécessaire si sa capacité a été initialement mal calculée. C'est le cas pour les chaudières à gaz, qui comportent un groupe de circulation.
Quand avez-vous besoin d'une pompe de circulation supplémentaire dans le système de chauffage ?
- Installation d'un circuit supplémentaire... Ceci entraîne non seulement une augmentation du volume du fluide caloporteur, mais également une augmentation de la résistance hydraulique du système ;
- Utiliser de l'antigel... Sa densité est supérieure à celle de l'eau. Par conséquent, pour un fonctionnement normal, vous devrez choisir une pompe avec une puissance accrue ou en mettre une autre;
- Modification du mode de fonctionnement thermique à basse température... Dans ce cas, il est nécessaire d'augmenter la vitesse de circulation de l'eau dans la canalisation, pour laquelle il est nécessaire de connecter une pompe supplémentaire au système de chauffage.
La méthode d'installation d'équipements supplémentaires n'est pas différente de la méthode standard. Le problème peut résider dans la coordination de la pompe supplémentaire avec le reste des éléments chauffants.
Dans le système de chauffage central, vous ne pouvez pas connecter indépendamment un radiateur supplémentaire. Au préalable, des autorisations sont établies, en accord avec la société de gestion.
Difficultés d'installation d'une pompe supplémentaire dans le système de chauffage

Après avoir découvert s'il est possible de mettre une pompe supplémentaire sur le chauffage, il est nécessaire de choisir correctement son emplacement. La difficulté ne réside pas dans le calcul de la puissance optimale, ce qui est également important, mais dans la cohérence du dispositif avec la pompe principale.
Il existe plusieurs options dans lesquelles l'installation d'éléments supplémentaires est requise. Une place particulière parmi eux est occupée par l'installation de chauffage supplémentaire à la maison. En pratique, il peut être mis en œuvre de deux manières :
- Conduite d'une ligne séparée avec radiateurs et toute la tuyauterie nécessaire. Cela nécessitera une chaudière supplémentaire;
- Modernisation du système existant - aménagement d'un nouveau circuit de chauffage connecté au principal. Ensuite, vous devrez certainement installer un ou plusieurs radiateurs de chauffage supplémentaires.
La deuxième option est la plus pratique, car il n'est pas nécessaire d'acheter du matériel et des composants supplémentaires pour la culture. Mais alors un problème supplémentaire se pose - le fonctionnement asynchrone des roues de la pompe.Même au même nombre de tours, cela entraînera un mouvement inégal de l'eau dans les tuyaux, ce qui est la première cause de coup de bélier.
Lors de la conception d'un contour supplémentaire, vous devez essayer d'éviter de prendre des virages. Cela réduira la résistance hydraulique dans le système.
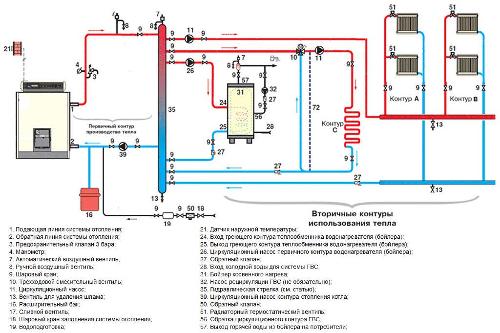
Installation d'une flèche hydraulique

La sortie de cette situation est un schéma fondamentalement nouveau pour l'installation d'une pompe supplémentaire dans le système de chauffage. Son innovation réside dans l'installation d'une flèche hydraulique.
Ce dispositif compense les différences de pression dans une certaine section du système, normalisant ainsi le fonctionnement du chauffage.
Ce dispositif normalise la pression dans les conduites principale et de retour. Dans le chauffage d'appoint d'un appartement, son installation n'est pas nécessaire, car l'augmentation du circuit peut être insignifiante. Mais si le volume d'eau dans le système augmente de plus de 20%, des moyens de normalisation de la circulation et de la pression doivent être fournis. Pour installer une pompe de circulation supplémentaire dans le système de chauffage avec un compensateur hydraulique, les règles suivantes doivent être suivies :
- Emplacement - le plus près possible de l'entrée du tuyau de retour vers la chaudière ;
- Installation de vannes d'arrêt pour chaque circuit de pompage ;
- Installation de filtres à mailles.
S'il est impossible d'installer correctement la flèche hydraulique, vous pouvez en faire l'analogue le plus simple. Pour cela, après le point de raccordement de la pompe supplémentaire au système de chauffage, un cavalier est réalisé. Sa longueur optimale doit être de 300 à 400 mm. Cet anneau de circulation permet de contrebalancer partiellement d'éventuels coups de bélier.
Le compensateur hydraulique doit être pré-dimensionné pour le système de chauffage spécifique. Cela s'applique à son "corps" principal et à ses tuyaux d'alimentation.
Pompe de circulation double

Est-il possible d'installer une pompe supplémentaire pour le chauffage s'il est physiquement impossible de modifier la configuration des canalisations ? Il existe un moyen plus coûteux mais efficace d'améliorer la circulation - en installant des pompes doubles.
C'est la meilleure option si vous avez une chaudière à gaz avec un système de circulation intégré. La capacité totale des nouvelles pompes doit compenser l'arrêt forcé de la principale. De cette façon, les dysfonctionnements du système de chauffage peuvent être évités.
Les avantages de cette modification sont les suivants :
- Il n'est pas nécessaire de modifier le schéma standard pour l'installation d'une pompe supplémentaire dans le système de chauffage;
- Le tuyau de dérivation commun pour le raccordement garantit l'absence de mouvement inégal de l'eau dans les tuyaux;
- Possibilité de connexion à la centrale de chauffage - programmateur.
Malgré tous les avantages de l'installation de pompes doubles pour le chauffage supplémentaire d'une maison de campagne, elles présentent un inconvénient majeur: leur coût élevé. Le prix moyen du modèle Wilo Top-SD, RSD avec une tête nominale de 7 m est d'environ 40 000 roubles.
Vous pouvez réaliser un module maison composé de 2 pompes jumelles. Il est important qu'ils aient les mêmes paramètres et soient installés sur un seul tuyau de raccordement au système.
Problèmes d'arrangement possibles

Quelles difficultés supplémentaires pouvez-vous rencontrer lors de la conception d'un chauffage d'appoint dans un appartement ? Le problème principal peut être la coordination du travail du système centralisé et autonome. En pratique, il est impossible de combiner plusieurs circuits séparés avec des sources de chaleur différentes. Le plus souvent, la nécessité d'installer une pompe de circulation supplémentaire se pose dans un système de chauffage autonome.
Le cas le plus courant est la disposition d'un plancher d'eau thermale. S'il sera connecté à un circuit existant, il est nécessaire de prévoir un dispositif supplémentaire pour la circulation de l'eau.
La pompe des chaudières à gaz (la plus populaire pour le chauffage des appartements) est conçue pour un certain volume de liquide de refroidissement dans le système.Il convient de garder à l'esprit que la longueur totale des contours du chauffage par le sol peut atteindre 150 m. Il est donc impératif de raccorder une pompe supplémentaire à l'ancien circuit de chauffage. Il est préférable d'utiliser une conception de collecteur éprouvée pour cela. Une pompe de circulation est incluse en standard.

Dans ce cas, le schéma de raccordement de la pompe supplémentaire au système de chauffage est standard et présente les avantages suivants :
- La pompe n'affecte pas les paramètres du système principal. Le collecteur compense les chutes de pression ;
- Installation simple - connectez-vous simplement aux tuyaux existants à n'importe quel endroit pratique.
C'est une meilleure option que d'installer un radiateur supplémentaire pour le chauffage. Ainsi, vous pouvez minimiser le coût de mise à niveau du circuit existant. Il est important de se rappeler que tout système de chauffage supplémentaire avec l'installation de pompes et de radiateurs affecte directement le fonctionnement de tous les autres équipements. Par conséquent, il faut d'abord calculer la cohérence de leur fonctionnement conjoint.
La vidéo décrit en détail le travail et les caractéristiques d'installation de la pompe dans le système de chauffage:








