Comment choisir le bon schéma de chauffage ? L'un des paramètres déterminants est la longueur minimale des canalisations. Dans de nombreux cas, un routage horizontal est effectué pour cela. Cependant, il existe des aménagements non standard d'une maison ou d'un appartement pour lesquels un système de chauffage vertical est le mieux adapté : le câblage, les radiateurs, les batteries doivent être conçus et sélectionnés en fonction de conditions particulières.
Caractéristiques du schéma de câblage vertical

En quoi un système de chauffage vertical monotube diffère-t-il d'un système horizontal similaire ? Tout d'abord, avec des pertes de chaleur minimales. Ceci est assuré par l'emplacement des lignes d'alimentation. Contrairement à un tuyau horizontal, dans un système vertical, ils fonctionnent comme des colonnes montantes thermiques.
En effet, la distribution verticale du chauffage dans la version d'origine est très rare. Cela est dû à la particularité de l'installation et de la distribution du liquide de refroidissement dans tout le système. Un schéma similaire était populaire dans la conception des maisons de Khrouchtchev. En raison des petites surfaces des appartements, il était peu pratique d'installer une tuyauterie horizontale. Par conséquent, nous avons développé un schéma vertical pour la fourniture d'eau chaude. Il a les caractéristiques suivantes :
- Plusieurs caloducs auxquels les batteries sont connectées. Dans la plupart des cas, il s'agissait d'un système de chauffage monotube;
- La possibilité de réguler la température du radiateur. Cela est dû à la nature du système;
- L'arrivée du fluide caloporteur dans les chambres s'effectuait par des circuits séparés.
Comme on peut le voir d'après ce qui précède, la disposition verticale du système de chauffage présente un certain nombre d'inconvénients importants. C'est pourquoi il n'est pratiquement pas utilisé pour les maisons privées, ainsi que dans la construction résidentielle moderne à plusieurs étages.
Dans certains cas, un schéma combiné est applicable, lorsque la colonne montante de distribution est rendue horizontale, des lignes séparées de celle-ci divergent déjà pour connecter les radiateurs au système. Par conséquent, vous devez savoir s'il est conseillé d'utiliser un câblage de chauffage vertical pour une maison privée.
Il est recommandé de choisir des radiateurs de chauffage muraux verticaux pour ce schéma. Malgré leur coût élevé, ils sont les mieux adaptés à un tel système.
Pertinence pour le chauffage autonome

Les premiers problèmes peuvent survenir même au stade de la connexion des batteries. Cela est dû à l'emplacement des buses et à la conception même du dispositif de chauffage. Presque tous les modèles sont conçus pour une installation horizontale. Par conséquent, les experts recommandent d'installer des radiateurs de chauffage muraux verticaux spéciaux.
Cependant, cela devrait tenir compte des particularités de leur fonctionnement. Plus la batterie est située en bas, plus elle fonctionnera efficacement. L'air froid a une masse plus importante que l'air chaud, il se concentre donc au sol. Le rôle de la batterie est de la chauffer. Il doit donc être situé le plus bas possible. Les radiateurs de chauffage verticaux étroits ne peuvent structurellement pas remplir pleinement cette tâche.
Mais ce n'est pas le seul inconvénient caractéristique de la répartition verticale du système de chauffage. Il peut être résolu en augmentant légèrement la longueur des tuyaux d'entrée du radiateur.Si vous adhérez aux canons du schéma, un autre problème se posera. Il consiste à attacher des radiateurs de chauffage tubulaires verticaux à l'emplacement des tuyaux de chauffage. Pour les pièces avec un petit carré, ce n'est pas indispensable. Cependant, si la pièce a une superficie de 40 m2 ou plus et qu'il y a 2 murs extérieurs, il sera nécessaire d'installer plusieurs tuyaux de chauffage.
En résumé, les conditions suivantes peuvent être distinguées lorsque l'installation d'un système de chauffage vertical monotube est logique:
- Nombre d'étages relativement important. Habituellement 5 ou plus;
- Surface de pièces relativement petite;
- Bonne isolation thermique et répartition uniforme de la chaleur dans toute la pièce.
Hélas, ces caractéristiques sont inhabituelles pour la plupart des maisons de campagne privées. C'est pourquoi ils préfèrent installer un système de chauffage horizontal comme l'un des meilleurs moyens de maintenir une température confortable.
Dans les anciens immeubles d'habitation avec un système de chauffage vertical à deux tuyaux avec un câblage inférieur, pour tenir compte de la chaleur, vous devez installer un compteur sur chaque colonne montante. Il peut y en avoir de 2 à 5.
Système monotube ou bitube
Il est important de décider pour quel schéma les radiateurs à eau verticaux fonctionneront le mieux. À première vue, il semble que le système de chauffage traditionnel à deux tuyaux, avec ses avantages, soit optimal pour la distribution verticale. Cela ne peut être découvert qu'après avoir analysé les caractéristiques opérationnelles et techniques de chaque circuit.
Système de chauffage monotube

Dans celui-ci, le liquide de refroidissement circule en boucle fermée et les radiateurs sont connectés en série, c'est-à-dire le degré de chauffage de l'eau dans la dernière batterie sera nettement inférieur à celui de la première. Pour un système horizontal, ce serait très important. Mais comme la longueur du circuit de chauffage est petite, le niveau de température du liquide de refroidissement dans les batteries de chauffage à eau verticales sera relativement le même. Comme mesure de contrôle supplémentaire, des by-pass peuvent être installés entre les tuyaux d'entrée et de sortie de chaque radiateur.
Les autres caractéristiques d'un système de chauffage vertical monotube sont les suivantes :
- La quantité minimale de consommables pour l'installation du pipeline ;
- La possibilité de créer un système gravitationnel sans installer de pompe de circulation ;
- Volume de liquide de refroidissement optimal. Ce paramètre peut être ajusté en choisissant des tuyaux de diamètres plus ou moins grands.
Compte tenu de ces facteurs, un système de chauffage vertical à un tuyau a été choisi comme le système optimal pour les bâtiments à plusieurs étages construits dans les années 60-80. le siècle dernier.
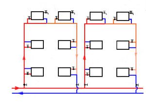
Système de chauffage à deux tuyaux

Ce système nécessite l'installation de deux lignes de la ligne. Le liquide de refroidissement chaud pénètre dans l'un d'eux et le second sert de canalisation de retour.
Dans ce cas, ils doivent être situés l'un à côté de l'autre, car la connexion des radiateurs de chauffage verticaux en acier se fait en parallèle. En conséquence, le volume d'eau requis augmente de manière significative, ce qui affecte la résistance hydrodynamique du système. Souvent, le câblage à deux tuyaux pour le chauffage vertical est effectué avec une alimentation forcée en liquide de refroidissement. Pour cela, de puissantes pompes de circulation sont installées, ainsi que des dispositifs de contrôle - réservoirs à membrane d'expansion, bouches d'aération.
En pratique, un système de chauffage vertical bitube avec un câblage en bas est extrêmement rare. Cela est dû à la pénibilité de l'installation, aux caractéristiques de performances spécifiques. Les experts mettent en évidence un avantage important d'un tel système - la faible probabilité d'embouteillages d'air.
Un câblage de chauffage combiné avec une alimentation horizontale en liquide de refroidissement via des colonnes montantes verticales sera optimal pour un bâtiment de 2 ou 3 étages avec une grande surface. De cette façon, l'apparition de poches d'air dans le système peut être minimisée.
Choisir un radiateur pour le câblage vertical

Pour les systèmes ci-dessus, il est difficile de trouver des batteries de chauffage à eau verticales. Cela est dû aux moyens limités de les connecter au circuit. Le transfert de chaleur le plus important du radiateur se fera avec des tuyaux de dérivation supérieur et inférieur unilatéral.
Dans la plupart des cas, les radiateurs de chauffage tubulaires verticaux se caractérisent par l'emplacement des ensembles de montage sur un côté. Du point de vue de la répartition de l'eau chaude dans tout l'ouvrage, un schéma détaillé est considéré comme le plus efficace.
Accuro-Korle

Actuellement, c'est l'un des fabricants les plus connus de radiateurs muraux verticaux. Une caractéristique de ses modèles est la prédominance du style Hi-Tech. Un excellent exemple de cette solution de conception est la gamme de radiateurs Caftan. Ils peuvent remplir non seulement les fonctions d'un appareil de chauffage, mais également d'un sèche-serviettes. Actuellement, le coût moyen du caftan est de 30 à 43 000 roubles.
Le modèle Escape est une batterie de chauffage vertical à eau tubulaire typique. La forme classique stricte permettra d'adapter le radiateur dans presque tous les intérieurs de la salle de bain ou du couloir. Son coût est légèrement inférieur à celui de Caftan - de 23 à 34 000 roubles. avec les mêmes caractéristiques techniques.

En plus de ce fabricant bien connu, il existe plusieurs fournisseurs fiables de ces radiateurs - Caftan (Turquie), Kermi (Allemagne), Jaga (Belgique). Hélas, le segment économique du marché vertical des batteries n'existe pas en tant que tel. Le seul moyen de s'en sortir est de créer vous-même un design similaire. Mais ses caractéristiques techniques seront nettement inférieures à celles des modèles d'usine. C'est un autre facteur de l'impopularité de la disposition verticale du système de chauffage.
Dois-je privilégier un système de chauffage vertical ? Le câblage, les radiateurs, les batteries coûteront cher et l'installation présente un certain nombre d'inconvénients importants. L'essentiel est de découvrir par vous-même l'opportunité de son installation. Il peut être utilisé pour une petite copropriété avec chauffage autonome. Mais vous devez d'abord faire tous les calculs nécessaires.
La vidéo montre un exemple de système de chauffage vertical à deux tuyaux dans un immeuble de bureaux :








