L'interphone vidéo est un système qui vous permet de parler aux visiteurs, d'ouvrir une porte ou de refuser l'entrée à distance. Il se compose d'appareils qui assurent la transmission d'images et de sons et de fils reliant ces éléments. Le câble pour l'interphone vidéo doit être sélectionné avec soin, car il détermine la qualité de l'appareil.
- Caractéristiques du câble
- Exigences de base pour le câble pour l'interphone vidéo
- Câble interphone vidéo avec serrure électromécanique
- Câble interphone vidéo 4 fils
- Câble de connexion interphone vidéo et panneau extérieur
- Matériaux pour la fabrication
- Variétés de câbles
- Câble coaxial RK-75
- Câbles combinés KBK
- Paire torsadée
- Câble ShVEP
- Sélection de câble
- Fonctionnalités de connexion
Caractéristiques du câble

Tout fil est constitué de 2 éléments :
- Conducteur - fait de fil de cuivre ou d'aluminium, il transmet le courant électrique.
- Isolation - gaine. Empêche les dommages mécaniques au noyau, protège contre l'humidité et la lumière du soleil, empêche l'influence des interférences externes, protège le noyau conducteur.
L'isolation est déterminée par le type d'interphone et la méthode d'installation. Si les fils sont posés à l'intérieur d'un bâtiment, en particulier dans une maison privée, une seule exigence leur est imposée : protéger de manière fiable le consommateur contre les chocs électriques. Mais si le câble est installé à l'extérieur, ils choisissent l'option avec une gaine en polyéthylène.
Immunité au bruit, assurée par le tressage métallique de l'âme - l'écran.
Exigences de base pour le câble pour l'interphone vidéo
La pose du fil pour le magnétoscope fait partie des travaux de construction, les exigences sont donc strictement réglementées :
- le champ électromagnétique créé par le fil affectant le fonctionnement des appareils, seuls des câbles blindés sont pris pour le système ;
- plus la distance entre le panneau d'appel commun et le panneau d'abonné est grande, plus la section doit être importante ;
- l'isolation doit être intacte. Les zones avec une peau endommagée doivent être remplacées immédiatement ;
- plus les conditions météorologiques dans la région sont mauvaises, plus le niveau de protection doit être élevé.
Vous devez utiliser des fils qui correspondent exactement au type d'interphone et aux conditions d'installation.
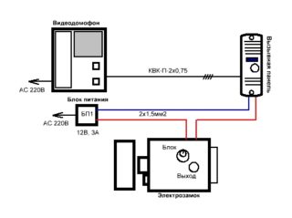
Câble interphone vidéo avec serrure électromécanique

Une serrure électromécanique ou électromagnétique peut être connectée à l'interphone vidéo. La première est plus sûre : en l'absence d'électricité, la porte reste fermée. La serrure électromagnétique nécessite une alimentation électrique constante et cesse de fonctionner lorsque le courant est coupé.
Si la serrure électronique est connectée à l'interphone, il est nécessaire de l'alimenter en courant, car la batterie habituelle de l'unité d'abonné ne suffira pas. En tant que câble pour un interphone vidéo domestique avec serrure électromécanique, le même fil est utilisé - du type UTP. Il est préférable de choisir l'option dans laquelle les fils à travers lesquels le courant est fourni provenaient de deux noyaux torsadés.
Pour alimenter la serrure électrique, vous avez besoin d'une tension ne dépassant pas 24 V.
Câble interphone vidéo 4 fils

Pour un tel appareil, seule une version 4 fils est nécessaire : 2 conducteurs assurent la transmission du son, 2 - images. Si le fil est posé dans la maison, un câble blindé peut être utilisé. Si la ligne est posée dans la rue, une ligne coaxiale est nécessaire.
Le câble comprend 4 conducteurs et une gaine de blindage. Il est situé coaxialement au conducteur et est séparé par un polymère isolant - polyéthylène ou polypropylène.La structure est complexe : un conducteur en cuivre ou en acier est isolé par une couche de polyéthylène, recouvert d'une feuille et d'une tresse de cuivre ou d'aluminium. La dernière couche est un isolant en caoutchouc ou en plastique.
Il est recommandé de prendre des fils coaxiaux pour un interphone dans une maison privée ou dans un appartement si la distance entre les éléments du système est faible.
Câble de connexion interphone vidéo et panneau extérieur
- Pour les courtes distances - jusqu'à 20 m, prenez une paire torsadée. Il se compose de 2 conducteurs torsadés ensemble et isolés par une gaine en polyéthylène.
- Pour une distance allant jusqu'à 40 m, il est pratique d'utiliser un conducteur combiné.
- Les câbles coaxiaux conviennent à des distances allant jusqu'à 50 m.
- Si la distance est plus grande, le coaxial est combiné avec un fil d'alimentation séparé.
Les câbles de fabricants réputés sont préférables.
Matériaux pour la fabrication
Sur le marché, il existe des structures avec des conducteurs en cuivre et en acier cuivré. Les premiers transmettent le signal de manière plus fiable et meilleure. Les conducteurs en acier sont mal serrés, se corrodent et se détériorent plus rapidement.
Pour l'isolation extérieure, on utilise de la mousse / polyéthylène résistant à la lumière, du propylène et du chlorure de polyvinyle.
Variétés de câbles

Pour un interphone vidéo ordinaire, vous avez besoin d'un câble qui transmet le signal vidéo à l'appareil de l'abonné, ainsi que d'un câble d'alimentation. Ils sont sélectionnés en fonction d'exigences techniques.
Câble coaxial RK-75
C'est l'option principale pour la transmission d'images analogiques. Impédance caractéristique - 75 ohms. Il est durable, peu coûteux, mais résistant. Pour la connexion aux appareils, un connecteur à sertir est nécessaire. Cela coûte plus cher.
Il est préférable de prendre le fil pour l'interphone vidéo dans une gaine en polyéthylène expansé. Il peut être plié.
Câbles combinés KBK
Une structure avec une coque en PVC est posée à l'intérieur du bâtiment. Pour une installation à l'extérieur, des modèles avec isolation en mousse sont pris. Ils peuvent être enterrés dans le sol, mais à l'intérieur d'un tuyau en métal ou en plastique. L'installation de la ligne aérienne est autorisée - sur un câble en acier pour le support.
Pour une installation dans différentes conditions, sélectionnez la marque KBK appropriée.
Paire torsadée

Utilisé lors de l'entretien des appareils numériques. Se compose de 1, 2, 4 lignes et plus. Chacun se compose de 2 conducteurs solides, torsadés avec un certain pas. De nombreuses modifications de "paire torsadée" sont produites :
- UTP - fil sans écran;
- FTP - il existe un écran de feuille commun ;
- STP - chaque paire de fils est protégée par son propre blindage ;
- SFTP - chaque paire est protégée par un blindage et l'ensemble du faisceau est isolé par une coque commune ;
- U / FTP est une protection blindée générale.
Câble ShVEP

Le fil est spécialement conçu pour l'interphone. Il peut transmettre un signal vidéo, fournir de l'énergie et fournir un contrôle de verrouillage électronique. Conçu pour une installation à l'extérieur et doté d'une protection fiable. Comprend plusieurs fils toronnés, dont l'un est protégé par son propre blindage.
ShVEP est utilisé lors de la pose de communications à une distance allant jusqu'à 60 m.
Sélection de câble
Le câble nécessaire pour l'interphone vidéo est déterminé après évaluation des paramètres suivants :
- distance entre le moniteur et le panneau d'appel ;
- conditions d'installation - à l'intérieur de la maison, dans la rue, sous terre, par voie aérienne;
- la quantité de bruit électrique - si le fil passe dans une pièce avec un grand nombre d'équipements, une version blindée est nécessaire;
- température - avec une grande différence de température, un modèle avec isolation en polyéthylène est nécessaire.
Les câbles KVK sont les produits domestiques les plus connus. La conception est spécialement conçue pour le service d'interphone et convient à toute méthode d'installation. L'option est polyvalente et fiable.
Les câbles coaxiaux de Cavel, Belden, CommScope diffèrent par leur qualité. Choisissez les modèles marqués RG-6 ou RG-59. Le nombre indique l'épaisseur de la couche isolante - 6 et 5,9 mm. Le fil fournit une transmission d'image dans la plage de température de -60 à +120 C.
Fonctionnalités de connexion

Il existe plusieurs caractéristiques de connexion d'un conducteur pour un interphone vidéo:
- Connectez les fils à travers les bornes à vis.
- À travers la fondation, les murs ou la colonne de la clôture, le fil passe à travers un manchon de protection.
- Ne posez pas le conducteur de l'interphone à côté d'un câble d'alimentation 220 V dans un godet en plastique.
- Lorsque plusieurs lignes sont installées en parallèle, la distance entre elles doit être d'au moins 10 cm.
- Immédiatement avant le raccordement, retirez la gaine de l'extrémité. Pour plus de fiabilité, ils sont sertis avec des embouts.
- Au verso du boîtier du panneau d'appel, il y a des fils de différentes couleurs et des marquages correspondants. Les noyaux sont reliés les uns aux autres selon un certain schéma par sertissage. Les joints sont isolés avec des tubes thermiques.
Il est recommandé de connecter les appareils avec un seul morceau de câble. Moins il y a de torsions, plus la qualité du signal est élevée.










