Les pompes de fond, par leur définition, ne peuvent pas être bon marché et abordables pour tout le monde. Cela est dû au fait que l'eau doit être élevée à une grande hauteur. Le matériau du corps et d'autres parties est constamment exposé aux effets négatifs des particules de limon et de sable, il doit donc être durable. À la recherche d'un système d'approvisionnement en eau, les consommateurs russes prêtent souvent attention à un fabricant national, par exemple les pompes à eau Vodomet, qui combinent hautes performances, puissance et coût raisonnable.
- Portée de l'équipement
- Principe de fonctionnement et appareil
- Gamme de modèles et caractéristiques techniques de la pompe de forage Vodomet
- Djileks Vodomet PROF 40/50
- Djileks Vodomet PROF 40/75
- Djileks Vodomet PROF 55/35
- Critères de choix
- Caractéristiques d'installation et de connexion
- Avantages et inconvénients
Portée de l'équipement
Les pompes de la série Vodomet PROF, grâce à leur conception innovante et à leurs roues flottantes, sont capables de pomper de l'eau avec une concentration élevée d'impuretés solides ne dépassant pas 1,5 mm.
Principe de fonctionnement et appareil
Pour la fabrication du boîtier, le fabricant a utilisé de l'acier inoxydable de haute qualité. Le point d'accès supérieur est conçu de manière à ce que des corps étrangers ne pénètrent pas dans le boîtier.
Le moteur électrique est logé dans un conteneur étanche supplémentaire rempli d'huile. Cette approche a permis de neutraliser l'impact négatif des facteurs externes, ainsi que de protéger les équipements des surchauffes et des dommages mécaniques.
L'appareil est rempli d'huile, asynchrone, un rotor à cage d'écureuil monté sur roulements est installé dans le moteur. De plus, un protecteur thermique est intégré dans l'enroulement du stator pour empêcher la surchauffe du moteur. De plus, un refroidissement supplémentaire du dispositif est assuré par de l'eau s'écoulant à travers une fente annulaire spéciale.
Une caractéristique importante de la structure de la pompe est la présence de roues flottantes. Leur particularité est la capacité de travailler. L'efficacité de la station de pompage dépend de la taille de l'espace que les concepteurs laissent entre les segments statiques et mobiles. Plus cet intervalle est grand, plus il y a de fuites d'eau internes à l'intérieur de l'unité, par conséquent, plus l'efficacité est faible.
L'utilisation prolongée de la pompe de forage entraîne une usure des pièces, ce qui entraîne une augmentation encore plus importante du jeu, le rendement diminue encore plus. Les roues flottantes sont capables de contrôler ce processus en raison de leur capacité à se déplacer dans le sens axial.
Gamme de modèles et caractéristiques techniques de la pompe de forage Vodomet
Pour prendre la bonne décision quant à la pompe qu'il est préférable d'utiliser dans un cas particulier, vous devez tenir compte des éléments suivants :
- caractéristique du système d'approvisionnement en eau;
- lieu d'installation;
- le principe de fonctionnement de l'équipement.
Il vaut la peine de vous familiariser plus en détail avec la gamme de modèles et les caractéristiques techniques des systèmes d'alimentation en eau Vodomet.
Djileks Vodomet PROF 40/50
Ce modèle est utilisé pour élever rapidement l'eau des puits à faible débit vers le haut, simplifie le processus d'irrigation des jardins potagers et des parcelles domestiques.
Avantages :
- le modèle est équipé d'une protection contre la surchauffe, haute performance du moteur électrique;
- corps scellé fait de matériaux de haute qualité et respectueux de l'environnement;
- peut travailler à la fois verticalement et horizontalement;
- la capacité de pomper de l'eau avec des impuretés solides;
- l'ensemble comprend un câble et dispose également d'un condensateur intégré.
Grâce à la caractéristique de conception, il est possible d'éliminer rapidement et facilement les dysfonctionnements et d'effectuer une maintenance préventive de la station de pompage.
La profondeur d'immersion peut atteindre 30 m, le débit atteint 40 l / h, la hauteur manométrique maximale est de 60 m, la consommation électrique est de 520 W.
Djileks Vodomet PROF 40/75
Station de pompage centrifuge électrique, qui est installée pour pomper, pomper ou fournir de l'eau à la surface à partir de réservoirs, puits, puits, grands conteneurs et autres sources. Le plus souvent, ils sont utilisés à des fins domestiques : pour réaliser un système d'approvisionnement en eau, irriguer les jardins et les parcelles personnelles. Il est également permis de faire fonctionner l'unité d'alimentation en eau de puits profonds de sable et de chaux, où il y a une forte concentration de particules solides. La profondeur maximale de plongée de ce type est de 30 mètres.
Avantages :
- corps robuste en acier inoxydable;
- durabilité accrue;
- des matériaux de haute qualité et respectueux de l'environnement sont utilisés pour la production;
- rapport optimal de force de tête et de consommation d'eau;
- la conception est équipée d'un filtre à mailles et d'une protection contre la surchauffe.
La température du liquide pompé ne doit pas dépasser 35 degrés.
Le débit atteint 40 l/h, la hauteur manométrique maximale est de 75 m, la consommation électrique est de 670 W.
Djileks Vodomet PROF 55/35
Il s'agit d'un modèle plus puissant de la station de pompage Vodomet, par rapport aux unités précédentes. Il est installé non seulement dans les chalets d'été et dans les maisons privées, mais également sur les chantiers de construction. Le modèle se caractérise par d'excellentes propriétés opérationnelles, il convient donc de prêter attention aux acheteurs qui ne sont pas prêts à payer trop cher pour un équipement de haute qualité.
Avantages de Jileks Vodomet PROF 55/35 :
- conception de boîtier moderne ;
- le boîtier est en acier inoxydable de haute qualité;
- résistance à l'usure accrue aux influences mécaniques et chimiques;
- des matériaux exclusivement respectueux de l'environnement sont utilisés pour la fabrication;
- la pompe est en outre équipée d'un filtre à mailles et d'une protection contre la surchauffe ;
- le rapport optimal entre la force de pression et la quantité de liquide consommée ;
- conception, dont la caractéristique vous permet d'effectuer facilement la maintenance et la réparation des pièces.
La profondeur d'immersion peut atteindre 30 m, le débit atteint 55 l / h, la hauteur manométrique maximale est de 35 m, la consommation électrique est de 460 W. La température maximale admissible du fluide de travail est de 35 degrés.
Critères de choix
- profondeur d'immersion possible d'une station de pompage submersible ou en eau profonde ;
- le diamètre de la partie intérieure du puits et le volume d'eau consommée, le nombre maximum de démarrages par heure ;
- la qualité de l'eau, la présence et la concentration d'impuretés solides (sable, limon, algues, etc.) ;
- température de l'eau pompée;
- les paramètres réglés et l'état du réseau électrique.
Les prix d'une pompe submersible Vodomet sur le marché russe fluctuent dans une large gamme, en raison des particularités de la configuration de chaque modèle. Le coût des unités budgétaires commence à 7 000 roubles.
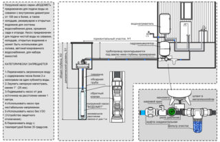
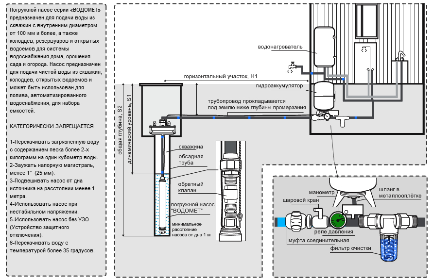
Caractéristiques d'installation et de connexion

Après avoir terminé le forage et le pompage du puits, vous pouvez commencer à installer l'équipement de pompage. Séquençage :
- Un tuyau de pression est connecté à l'équipement, qui est connecté au câble d'alimentation à l'aide de pinces.
- Pour fixer la pompe en profondeur, un cordon ou un câble en nylon est acheté séparément, dont la partie inférieure est liée à l'unité. Le boîtier a une patte spéciale.
- La pompe est abaissée à la profondeur souhaitée et la partie supérieure du câble est fixée à une poutre installée en surface.
- Le câble d'alimentation est connecté au centre de contrôle, un test est effectué.
Si le kit n'avait pas de filtre grossier, il doit être acheté séparément. Cela prolongera considérablement la durée de vie de la station de pompage.
Avantages et inconvénients
Les pompes de forage submersibles présentent plusieurs avantages inconditionnels :
- puissance et productivité élevées - il est possible d'élever l'eau à de grandes profondeurs;
- installation facile;
- taille compacte et fonctionnement silencieux.
Les inconvénients comprennent certaines difficultés d'entretien et de réparation. En raison du fonctionnement dans un environnement humide, l'enceinte de l'équipement doit rester étanche.
Afin d'éviter d'acquérir un faux, il est recommandé d'acheter les pompes centrifuges de forage Vodomet auprès des représentants officiels ou dans les grands magasins spécialisés. De plus, vous devez vous familiariser avec la documentation et la carte de garantie ci-jointes. Si vous ne pouvez pas choisir vous-même un modèle approprié, vous pouvez consulter les employés du logement et des services communaux ou de Vodokanal.











