L'éclairage de secours est une mesure de sécurité obligatoire pour les endroits surpeuplés, recommandé dans les maisons et appartements privés. L'apparition soudaine de l'obscurité provoque la panique dans la foule, entrave le mouvement directionnel et augmente le risque de blessure. La visibilité limitée perturbe le fonctionnement des écoles, des jardins d'enfants, des musées, des cafés, des restaurants, etc. L'arrêt de l'éclairage principal est le résultat d'une panne d'équipement, de câblage électrique, d'incendie, des conditions météorologiques : orages et vents forts. L'équipement d'urgence entre en service après la mise hors tension des principales sources lumineuses. Son but est de prévenir les conséquences négatives d'une baisse de visibilité. Les normes et règles d'organisation de l'éclairage de secours sont régies par la norme nationale GOST R 55842-2013. Le document est rédigé conformément à la norme mondiale ISO 300061 : 2007 « Eclairage de secours ».
Types d'éclairage de secours

Par destination, il existe 2 types d'éclairage de secours.réserve JSC assure la continuité du processus de travail pendant les pannes de courant. Il remplit 30+% de l'éclairage de travail de l'espace.
Trouver un moyen de sortir d'une pièce potentiellement dangereuse aide une personne évacuation éclairage. Il est classé comme suit :
- Anti-panique est installé dans des espaces de 60 m2 ou plus, afin que les personnes puissent se voir et les obstacles devant elles (y compris à une hauteur allant jusqu'à 2 m au-dessus du sol). Intensité 0,5 lx.
- Éclairage des voies d'évacuation - visibilité lors du déplacement vers la sortie d'un bâtiment ou vers un endroit sûr, possibilité de trouver des extincteurs, des respirateurs et d'autres équipements de sécurité. La durée de l'action n'est pas inférieure à 1 heure, l'intensité est de 0,5 lx (1 lx le long de l'axe du passage).
- Dans les zones dangereuses, l'éclairage normalisé doit rester à 100 % et être interrompu pendant 0,5 s maximum afin d'arrêter correctement les travaux potentiellement dangereux pour la santé et la vie d'une personne. Intensité 15 lx.
Emplacements des éléments du réseau d'urgence
Dans des conditions extrêmes, les éléments suivants doivent être allumés :
- équipement primaire d'extinction d'incendie;
- plans d'évacuation;
- sorties de secours, passages et couloirs y menant ;
- chaque volée d'escaliers (en particulier les marches extrêmes);
- baisse du niveau du sol ;
- traverser et changer le sens des allées;
- points d'assistance médicale, communications d'urgence;
- à l'extérieur - les dernières sorties.
L'incohérence dans le placement des systèmes d'évacuation et des extincteurs au stade de la conception du câblage entraînera des problèmes ultérieurs de finition des murs.
Pour certains emplacements, des normes distinctes pour l'éclairage de sécurité ont été prises en compte. GOST R 53780-2010 informe que les cabines d'ascenseur doivent être équipées d'une lampe d'une puissance minimale de 1 W. La visibilité est maintenue pendant une heure après la disparition de la tension.
GOST R 50571.28-2006 et SP 31-110-2003 sont utiles pour planifier l'éclairage de secours dans les établissements médicaux. Dans les salles où se déroulent des actes vitaux pour le patient (y compris intracardiaques), 50 % des lampes sont connectées à la ligne d'urgence. Dans les autres zones destinées aux mesures d'urgence et aux manipulations, il doit y avoir au moins 1 lampe de secours.
Choix des luminaires et des occasions

Le SNiP 23-05-95 (SP 52.13330.2016 "Éclairage naturel et artificiel") fournit des règles générales pour l'équipement des systèmes d'éclairage, l'éblouissement, la pulsation. Lors du choix des éclairages, vous devez vérifier les marquages pour la tension nominale, le mode de fonctionnement, les exigences de remplacement des lampes et des piles. Les paramètres des consommateurs électriques doivent être conformes aux règles de sécurité incendie NPB 249 - 97, aux exigences de GOST IEC 60598-2-22-2012.
Pour l'éclairage de secours, les lampes LED, fluorescentes et incandescentes sont plus adaptées. La décharge ne réussit pas toujours à assurer l'allumage et le rallumage sans délai. Aucun démarreur n'est utilisé dans la chaîne. L'éclairement normalisé doit être repris rapidement : 50 % après 5 s, 100 % - 10 s.
Les exigences sont différentes selon le type de luminaire.
- Lorsqu'il est alimenté par une source de secours centralisée (alimentation sans coupure, groupe électrogène essence ou diesel), des règles générales peuvent être suivies.
- Les dispositifs autonomes (tous les éléments sont à moins de 50 cm : lampe, batterie, unité de contrôle) sont accompagnés d'instructions sur le temps de fonctionnement continu (1 heure, 3 heures), la date de fabrication, et la durée de vie de l'alimentation électrique (à partir de 4 années).
- Dans les versions combinées, les câblages d'alimentation et de secours doivent être séparés par une double isolation renforcée ou un blindage mis à la terre. La présence d'un indicateur est obligatoire, qui indique le mode d'alimentation.
Nécessite un contrôle de commutation réseau fixe ou distant pour les appareils en veille.

Les batteries intégrées sont des batteries nickel-cadmium ou plomb-acide à polarité réversible. La tension à l'intérieur est respectivement de 0,8 V et 1,6-1,7 V. Ils sont scellés (le remplacement de l'électrolyte n'est pas possible) ou ont une valve. Ces derniers ne sont pas adaptés à l'installation du luminaire dans n'importe quelle position et doivent être spécialement conçus pour un fonctionnement de secours. Les piles s'usent rapidement, la période de remplacement dépend de la durée de fonctionnement indiquée dans le marquage.
SP 6.13130.2009 indique que le câble pour AO doit être résistant au feu et émettre une petite quantité d'halogènes et de produits de combustion. Ces propriétés sont typiques des fils marqués -ng-LSFR ou -ng-HFFR.
Panneaux directionnels

Lors de l'évacuation, assurez-vous de suivre les panneaux spéciaux. Leur emplacement est déterminé par la norme GOST R 12.4.026. Des panneaux de sécurité sont installés dans les locaux publics et auxiliaires si plus de 50 personnes peuvent s'y trouver en même temps. Si l'éclairage est artificiel - plus de 30 personnes. La mesure est obligatoire pour les surfaces supérieures à 100 m2. Dans les établissements éducatifs, pour enfants, préscolaires, médicaux, les lieux de résidence permanente des personnes à mobilité réduite, des panneaux sont installés quel que soit le nombre de personnes en même temps. Il est permis d'équiper des balustrades légères dans de telles pièces.
La luminosité des panneaux d'évacuation sur n'importe quelle partie de la surface doit être d'au moins 2 cd/m2. Dans le même temps, la répartition de l'éclairage le long des bords n'est pas plus de 5 fois inférieure à celle du centre (10 pour les plaques d'une luminosité de 100 cd / m2). En cas de fumée, la valeur minimale est de 10 cd/m2.
La meilleure option est la conception d'indicateurs LED avec des contours en raison de la capacité des bandes LED à consommer peu d'énergie et à briller de différentes couleurs.
Les éclairages d'évacuation complètent l'éclairage de sécurité dans les bâtiments industriels et publics sans accès à la lumière naturelle, si l'espace peut accueillir 20 personnes ou plus en même temps. Les équipements des locaux à flux constant de personnes fonctionnent à partir du système électrique principal dans des conditions normales. Le générateur de sécurité ou la batterie ne doivent pas être utilisés en mode de fonctionnement.Des plaques photoluminescentes, qui n'appartiennent pas au système AO, sont utilisées comme éclairage des indicateurs.
Tests de vérification du secteur

L'éclairage de secours n'est pas considéré comme fonctionnel s'il n'a pas été testé après l'installation. Cela est particulièrement vrai pour les réseaux faits maison. Dans les conditions de fonctionnement, la vérification est effectuée par inspection visuelle ou par imitation d'un dysfonctionnement.
Surveillance locale implique de tester chaque élément séparément à l'aide du bouton de test manuel. De plus, le luminaire autonome peut être équipé d'un testeur intégré ou d'un appareil de commutation avec un appareil de test à distance. Les règles sont précisées dans les instructions du fabricant.
Le bouton est monté sur le corps du récepteur d'alimentation, sa fonction est d'ouvrir le réseau. Selon la réaction de l'appareil, il est possible d'estimer à quelle vitesse il passe en mode d'urgence, si la luminosité de l'éclairage, le niveau de charge de la batterie basculent du tout. La méthode est laborieuse et ne fournit pas de données sur la durée de la lueur.
Surveillance centrale est effectuée via un câble de données supplémentaire en transmettant des informations télémétriques à travers celui-ci. Ceci est possible si les appareils ont une interface intégrée pour le câble de données.
La surveillance centrale des adresses est effectuée automatiquement via l'unité centrale. C'est possible grâce aux adresses qui sont attribuées à chaque luminaire ou enseigne. Le transfert de données s'effectue sur des lignes électriques. Différents types de tests sont effectués à la fréquence requise. Pour recevoir les rapports des luminaires, les protocoles LON, BACnet dans le système de gestion du bâtiment, RS485 - via Internet peuvent être utilisés.
L'éclairage de sécurité peut servir d'éclairage d'évacuation s'il répond aux exigences de ce dernier.
Schéma et installation
Les alimentations de l'éclairage de travail et de l'éclairage de secours doivent être indépendantes. Ils sont issus du bouclier de la sous-station. S'il n'y a qu'une seule entrée de la ligne électrique dans le bâtiment, elle est alors divisée au niveau de l'appareillage de commutation d'entrée. Il est inacceptable d'installer des dispositifs de contrôle, d'utiliser des armoires communes et des écrans de groupe pour les réseaux électriques réguliers et de secours. Les normes ne recommandent pas la pose conjointe de la ligne électrique principale, du câblage de sécurité et d'évacuation dans un boîtier, un plateau ou un profilé de montage, mais cela est autorisé si des mesures spéciales sont prises pour protéger les câbles de secours contre les dommages causés aux travailleurs: présence de cloisons, tuyaux.
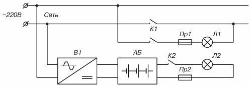
Le régime dans lequel le travailleur et la société anonyme utilisent 2 types. Les lampes sont séparées.
L1 - lampe à incandescence principale, L2 - urgence. K1, K2 - relais de contact, V1 - redresseur, Pr1, Pr2 - fusibles, AB - batterie d'accumulateurs.
La lampe L1 est connectée via un interrupteur fermé K1 au réseau. La batterie AB est connectée au redresseur B1 et est constamment en mode de charge d'entretien. Interruption de l'alimentation électrique du réseau — les contacts K2 se ferment automatiquement et une tension constante est fournie à la lampe L2 par la batterie de secours.
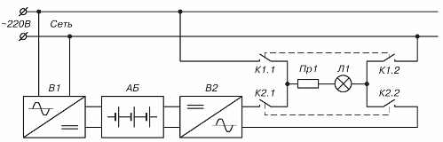
L'installation de sources indépendantes suppose 2 lignes d'alimentation : vers un éclairage permanent et un éclairage de secours. La source lumineuse principale peut être constituée de tous types de lampes. Pour le mode secours, des appareils de faible puissance sont utilisés : LED, halogènes et lampes à incandescence de 12 W.
Schéma d'éclairage de secours. 1 source et tous types de lampes.
Le circuit est composé de la lampe principale et de secours L1, des relais de contact K1, K2, du redresseur B1, du fusible (Pr1), de l'onduleur I1, de la batterie AB.
L'onduleur convertit la charge de la batterie en courant alternatif. Une tension secteur instable traverse le redresseur et l'onduleur, la lampe L1 est alimentée par le secteur. Une telle inclusion exclut l'épuisement prématuré des lampes, leur clignotement.
Des disjoncteurs peuvent être inclus dans les circuits.
L'éclairage de secours à LED est le plus pertinent et le plus efficace en raison de sa faible consommation d'énergie, de sa faible luminosité et de la possibilité d'utiliser des LED de différentes couleurs pour concevoir des panneaux d'évacuation. La négligence des règles d'installation et la vérification en temps voulu du fonctionnement du réseau d'urgence entraînent des conséquences tragiques.
















