Les accessoires de câblage sont utilisés par les consommateurs comme des appareils fonctionnels et jouent un rôle important dans la décoration intérieure. Par conséquent, les fabricants qui développent de tels dispositifs prêtent attention non seulement aux caractéristiques techniques, mais également à l'apparence des produits, en essayant de s'assurer que les produits répondent aux exigences du design moderne. Parmi les fabricants mondiaux d'accessoires électriques, l'une des premières places est occupée par la société Legrand, dont les produits se distinguent par une variété de formes et de couleurs.
Société Legrand

La société internationale Legrand, dont le siège est à Limoges (France), a été fondée en 1866 et était à l'origine engagée dans la fabrication de porcelaine de table. Cependant, l'entreprise s'est ensuite tournée vers la production d'isolateurs en porcelaine (1904), puis s'est concentrée sur la production d'accessoires électriques (1949). Depuis lors, en constante évolution, la petite entreprise s'est transformée en une grande entreprise internationale avec des succursales situées dans plus de 60 pays à travers le monde. Une large gamme de produits électriques est fabriquée dans ses entreprises, des prises de courant à la création de solutions techniques complexes pour les réseaux électriques et informatiques.
Legrand est la seule société à proposer aux entreprises et organisations professionnelles russes une gamme complète d'équipements électriques, développés en tenant compte des dernières avancées scientifiques et techniques et répondant aux exigences des normes internationales.
Les produits Legrand sont entièrement certifiés conformes à la documentation réglementaire et technique en vigueur en Russie.
Caractéristiques et avantages des accessoires électriques Legrand

Les produits de câblage fabriqués par Legrand sont en demande constante partout dans le monde. Ils diffèrent des analogues existants par une fabrication de haute qualité, des fonctionnalités avancées, une facilité d'installation et d'utilisation. Le design élégant et élégant est également une caractéristique distinctive de cette marque. Dans le même temps, sans exception, tous les produits de câblage fabriqués dans les entreprises de l'entreprise ont un niveau élevé de:
- Sécurité électrique;
- tolérance aux pannes;
- résistance au feu;
- économie d'énergie.
En Russie, la société Legrand propose aux consommateurs des équipements électriques à l'aide desquels il est facile de donner aux locaux de bureaux et d'habitation un aspect moderne et attractif. Pour leur fabrication, seuls des matériaux de haute qualité (porcelaine, métal, verre, plastique, etc.) sont utilisés avec une large gamme de couleurs, ce qui vous permet de choisir les produits d'installation nécessaires pour l'intérieur de n'importe quelle pièce.
Séries populaires et classification

Legrand propose aux consommateurs une large gamme d'interrupteurs. Tous sont divisés en séries, qui diffèrent les unes des autres par leur fonctionnalité et leur apparence. Les plus populaires d'entre eux sont les séries :
- Valena et Valena Life sont des interrupteurs et interrupteurs à un ou deux boutons de forme classique (carrée), fabriqués dans les couleurs "aluminium", "blanc", "ivoire". Certains modèles sont équipés d'un rétroéclairage.Les produits Valena Life se distinguent par une forme gracieusement incurvée des touches, qui vous permet d'allumer la lumière d'un léger toucher du doigt.
- Galea Life - les modèles étanches inclus dans cette série de produits à une et deux clés se distinguent par un design strict et des couleurs originales (bronze foncé, titane, nacre, etc.). Beaucoup d'entre eux sont rétro-éclairés ou affichent.
- GeaLine est une série de modèles exquis avec une gamme étendue (classe premium). Ils sont produits dans les couleurs « graphite blanc », « ivoire », « titane » et se caractérisent par une combinaison originale de cadres carrés et de touches arrondies. L'attention est également attirée sur le fait que le cuir véritable, la porcelaine, le bois et le verre sont utilisés pour la décoration.
- Quteo est une série d'interrupteurs et d'interrupteurs à un ou deux boutons conçus pour une installation extérieure sur une surface murale (montage en surface). Le plastique ABS résistant aux chocs est utilisé pour la fabrication de leurs boîtiers.
- Plexo est une série de modèles à un et deux boutons résistants à l'eau du type monté en surface. Ils sont montés dans des locaux techniques (garage, cave, etc.) à forte humidité (classe de protection IP55 ou IP66).
- Cariva est une série de modèles économiques à une et deux clés conçus pour les installations de bureau et résidentielles. Certains d'entre eux sont rétro-éclairés. Des versions étanches sont également disponibles.
- Etika est une série d'interrupteurs économiques dont les détails extérieurs sont en plastique. Disponible en conception à une ou deux touches. Leur particularité est l'absence de bornier - les fils sont fixés avec un écrou spécial.
Tous les interrupteurs et interrupteurs Legrand sont classés par fonction, type d'installation et mode de commande.

Par objectif fonctionnel, les groupes de produits suivants sont distingués :
- Les interrupteurs sont des appareils équipés d'une ou plusieurs paires de contacts. A l'état allumé, ces contacts sont fermés (l'éclairage est activé), et à l'état éteint, ils sont ouverts (l'éclairage est éteint). En règle générale, les interrupteurs n'ouvrent que les contacts auxquels les fils de phase sont connectés, cependant, il existe également des versions bipolaires - les contacts coupent également le fil neutre ("zéro").
- Les commutateurs sont des appareils qui utilisent trois contacts ou plus. En position "On", les premier et deuxième contacts sont fermés, et en position "Off", le premier et le troisième. Les interrupteurs à trois contacts sont parfois appelés interrupteurs bidirectionnels. Ils sont généralement utilisés dans les cas où l'éclairage est contrôlé à partir de deux endroits.
- Les commutateurs croisés sont des dispositifs qui commutent deux lignes distinctes en croix (lors de la commutation de la phase et du "zéro" sont inversés). De tels interrupteurs sont également appelés "intermédiaires" - dans les schémas de commande d'éclairage, ils sont installés entre des interrupteurs dans deux directions, ce qui vous permet d'allumer des sources lumineuses à partir de trois endroits ou plus.
- Les disjoncteurs sont des dispositifs conçus pour protéger les sources lumineuses des surtensions ou des courts-circuits.

Par type d'installation, les interrupteurs / interrupteurs sont divisés en interrupteurs montés en surface et encastrés.
- Les frais généraux sont utilisés avec un type de câblage ouvert.
- Ceux intégrés sont destinés à être utilisés avec un câblage électrique caché. Contrairement aux modèles suspendus, leur actionneur est caché dans un évidement spécialement conçu sur la surface du mur.
En guise de contrôle, les commutateurs / commutateurs sont :
- bouton;
- sensoriel;
- claviers;
- sensible au mouvement des personnes.
Les interrupteurs/interrupteurs de type bouton-poussoir sont les plus courants. La plupart des locaux d'habitation et de bureaux en sont équipés. Entre eux, ces appareils diffèrent par le nombre de touches avec lesquelles vous pouvez contrôler certains groupes de luminaires.

L'introduction de technologies innovantes a permis aux développeurs de Legrand de créer des mécanismes exécutifs :
- actionné par un léger toucher de la main (modèles de type tactile);
- activer l'éclairage lorsqu'il apparaît et l'éteindre lorsqu'il n'y a personne dans la pièce (appareils équipés de capteurs infrarouges).
Les modèles à commande par bouton-poussoir, apparus relativement récemment, sont faciles à utiliser et sont capables d'apporter une certaine originalité et élégance à l'intérieur de la pièce. De plus, leur utilisation demandera un certain temps à l'utilisateur pour s'y habituer.
Raccordement des interrupteurs / interrupteurs Legrand
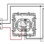
L'installation des interrupteurs / interrupteurs Legrand est réalisée conformément à la notice jointe. De plus, le schéma de raccordement est dupliqué au dos du produit.
Comment connecter un interrupteur Legrand

Pour un interrupteur Legrand correctement connecté (deux clés ou une clé), les touches à l'état allumé occupent la position "haute" et à l'état désactivée - la position "bas". Pour cela, les fils de phase sont connectés aux bornes d'entrée, qui sont marquées de la lettre L ou des flèches indiquant le chemin vers le centre du disjoncteur. Dans ce cas, les conducteurs allant à la charge (lampes d'éclairage) sont connectés aux bornes de sortie, indiquées par des flèches pointant dans la direction du centre de l'interrupteur.
Cela garantit que le disjoncteur est connecté aux luminaires selon le schéma "phase -> disjoncteur -> charge -> zéro", ce qui garantit que la charge n'est pas alimentée après la mise hors tension.
Si vous connectez le fil de phase aux bornes de sortie, et les fils allant à la charge - à l'entrée du commutateur, la clé sera en position inversée et il y aura un risque de choc électrique pour l'utilisateur lors du remplacement de l'ampoule, qui sera mis sous tension après la mise hors tension.

Connectez le commutateur dans l'ordre suivant :
- Mettez hors tension le réseau électrique.
- À l'aide d'un tournevis plat, retirez délicatement les clés et le cadre de l'interrupteur.
- Dénudez les fils électriques à la longueur indiquée au dos de l'interrupteur.
- Connectez les fils électriques aux bornes appropriées de l'interrupteur.
- Installez l'interrupteur dans le boîtier arrière.
- Replacez le cadre et les clés.
L'interrupteur à deux boutons est assemblé à partir de deux interrupteurs à un bouton, de sorte que les schémas de connexion pour chaque moitié sont identiques.
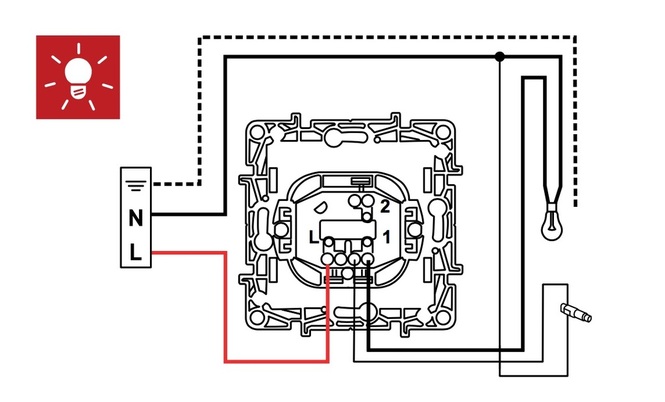
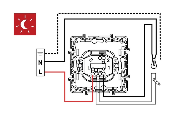
Raccordement de l'interrupteur Legrand avec éclairage et signalisation
Une lampe supplémentaire dans les interrupteurs est utilisée aux fins suivantes :
- Rétro-éclairage, où il agit comme un pointeur indiquant où se trouve le commutateur. Il s'allume lorsque l'interrupteur est éteint. Pour connecter le rétroéclairage dans les interrupteurs Legrand (à une ou deux clés), un conducteur de phase suffit.
- Indication de charge dans les cas où les dispositifs d'éclairage sont situés en dehors de la zone de visibilité humaine (hangar, garde-manger, etc.). Si l'interrupteur ne fonctionne pas, le voyant ne s'allume pas.
Connexion en mode signalisation Connexion rétroéclairage
Le mode d'indication de charge est activé uniquement si non seulement le fil de phase, mais également le fil neutre est connecté aux contacts d'entrée du disjoncteur.












