Le relais de contrôle de phase est un dispositif dont le but principal est de protéger les circuits linéaires des surcharges et des courts-circuits. De plus, il est capable de répondre à un phénomène aussi courant pour les réseaux électriques que le déséquilibre dans les phases individuelles. En conséquence, cet appareil offre une protection complète des circuits de travail et des équipements qui y sont connectés.
- informations générales
- Pourquoi est-ce
- Caractéristiques des différentes conceptions et leurs capacités
- Avantages des relais de courant
- Détection de défaut de phase
- Détection inversée
- Identifier les déséquilibres
- Procédure de connexion
- Éléments structurels
- Éléments de réglage
- Marquage de l'appareil
- Caractéristiques de choix
informations générales

Il existe plusieurs types de relais de déséquilibre de phase qui diffèrent par le type de boîtier et leurs caractéristiques de conception. Malgré le grand nombre de versions et l'abondance de solutions de circuits, les fonctions de travail de tous les modèles sont pratiquement les mêmes. L'installation d'un relais de contrôle de phase dans des circuits triphasés permet :
- prolonger la durée de vie des moteurs électriques;
- éliminer le besoin de travaux de restauration ou de réparation ;
- réduire les temps d'arrêt dus à une panne de moteur triphasé et au risque de choc électrique.
Le relais de phase installé dans les circuits linéaires garantit la protection des enroulements de l'unité contre l'incendie et les courts-circuits monophasés.
Pourquoi est-ce

Les contrôleurs de phase spéciaux sont demandés dans les endroits où il est souvent nécessaire de se connecter au secteur et où il est important d'observer leur rotation. À titre d'exemple, la situation est généralement considérée lorsque l'équipement connecté est constamment déplacé d'un endroit à un autre. Dans ce cas, la probabilité de mélanger la phase des tensions de ligne est très élevée.
Dans certaines charges, leur alternance incorrecte peut entraîner un mauvais fonctionnement de l'appareil et une panne ultérieure. Toute unité incluse dans un tel réseau pendant une longue période est susceptible de tomber en panne. Lors de l'utilisation d'un tel appareil, il est facile de se tromper dans l'évaluation de son état, étant donné que l'appareil doit être réparé.
Caractéristiques des différentes conceptions et leurs capacités
Il existe deux types de dispositifs utilisés dans les systèmes triphasés linéaires : les relais de courant de phase et les interrupteurs de tension. Ils ont une conception typique, déterminée par les exigences des documents réglementaires. Une évaluation comparative de deux types d'appareils modulaires est intéressante.
Avantages des relais de courant

Les avantages incontestables des relais de protection de courant (TR) par rapport aux dispositifs de surveillance de tension sont :
- indépendance vis-à-vis de la FEM, qui se produit constamment lors de défaillances de phase en cas de surcharge du moteur électrique ;
- la capacité de déterminer les écarts de comportement d'une machine électrique ;
- admissibilité à surveiller non seulement la ligne elle-même (avant la branche), mais aussi la charge qui y est connectée.
Contrairement aux TP, les dispositifs de surveillance de tension ne permettent pas de réaliser la plupart des fonctions énumérées. Ils sont principalement destinés à être installés dans des circuits linéaires.
Détection de défaut de phase
Une défaillance due à une perte de phase est un phénomène courant associé à un fusible grillé ou à des dommages mécaniques dans le réseau. Dans des conditions similaires, un moteur triphasé, par exemple, lorsqu'une des phases est perdue, continue de fonctionner en raison de la puissance prélevée sur les deux autres. Toute tentative de redémarrage en l'absence d'une des phases sera infructueuse.
La durée de sa détection (réaction à la surcharge) est si longue que pendant ce temps la protection thermique n'a tout simplement pas le temps d'éteindre l'appareil. En son absence, le relais de rupture de conducteur de phase se déclenche en raison d'une surchauffe des enroulements du moteur. Mais cela ne se produit pas toujours, ce qui s'explique par les particularités du fonctionnement d'un appareil sous-chargé dans l'une des phases. Dans ce cas, le soi-disant "back EMF" commence à y opérer.
Détection inversée

La détection d'inversion de phase est utile dans les situations suivantes :
- le moteur est en maintenance ;
- des changements importants ont été apportés au système de distribution d'énergie;
- une fois l'indice de puissance rétabli, l'ordre des phases change.
La nécessité d'utiliser un relais de rotation de phase est associée à l'inadmissibilité de l'inversion du moteur, qui peut endommager le mécanisme lui-même et menacer également le personnel de maintenance. Les dispositions du PUE prescrivent l'utilisation de ce dispositif pour tout équipement, y compris les convoyeurs, les escaliers mécaniques, les ascenseurs et autres systèmes mobiles.
Identifier les déséquilibres

Le déséquilibre des réseaux électriques se manifeste généralement par une différence significative dans les amplitudes des tensions de phase provenant du poste régional. Un tel déséquilibre est observé dans des situations où la répartition uniforme des charges sur chacune des phases est perturbée du côté du consommateur. Sa présence dans le système entraîne une dispersion des courants dans les lignes individuelles, ce qui réduit considérablement la durée de vie des équipements connectés (moteurs électriques par exemple).
Ceci s'explique par le fait que le soi-disant "collage" des phases dans les lignes de charges inductives provoque un échauffement supplémentaire des fils et contribue à la destruction de l'isolant. Tout cela est la justification de la nécessité d'installer le modèle spécifié du relais de protection de phase dans le réseau électrique existant.
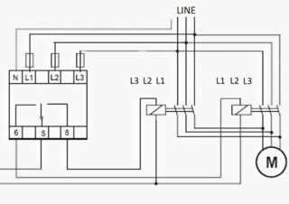
Procédure de connexion
Pour comprendre la procédure de connexion du relais, une connaissance préliminaire des caractéristiques de sa conception sera utile. Ce processus facilitera grandement la compréhension du principe de fonctionnement, ainsi que la possibilité de configurer l'appareil immédiatement avant de commencer.
Éléments structurels

Le boîtier du relais est conçu pour être monté sur un rail DIN ou sur une surface plane préalablement préparée. Le connecteur externe permet de le raccorder au secteur à l'aide de pinces standard, auxquelles sont fournis des conducteurs en cuivre d'une section allant jusqu'à 2,5 mm2. Sur le panneau avant se trouvent des éléments de réglage, ainsi qu'un voyant de contrôle indiquant que l'appareil est allumé.
Le schéma de fonctionnement comprend des indicateurs d'alarme et des charges connectées, ainsi que des commutateurs de mode, des régulateurs d'asymétrie et de temporisation. Pour connecter l'appareil, trois bornes sont utilisées, désignées L1, L2 et L3. Comme les disjoncteurs, ils ne prévoient pas le raccordement d'un conducteur neutre (ce qui n'est pas le cas pour tous les modèles de relais).
Sur le corps de l'appareil, il y a un autre groupe de contacts de 6 bornes utilisé pour la connexion avec les circuits de commande. A cet effet, un faisceau de câblage est prévu dans le câblage de l'équipement électrique contenant le nombre approprié de fils. L'un des groupes de contacts contrôle le circuit de la bobine du démarreur magnétique et le second contrôle la commutation de l'équipement connecté à la ligne.
Éléments de réglage
Les instructions de connexion et de configuration supposent la présence de diverses solutions de circuit de l'appareil lui-même. Dans les modèles les plus simples, pas plus d'un ou deux contrôles sont affichés sur le panneau avant. C'est en quoi ils diffèrent des échantillons avec des paramètres avancés. Dans les modèles avec un grand nombre d'éléments de commande (ils sont appelés multifonctionnels), un bloc de micro-interrupteurs séparé est fourni. Il est situé sur une carte de circuit imprimé, située directement sous le corps de l'appareil ou dans une niche cachée spéciale.
La configuration de relais requise est obtenue par un réglage séquentiel de chacun des éléments de commande disponibles. Avec leur aide - en tournant les boutons de commande tout en appuyant sur le micro-interrupteur correspondant - les paramètres de protection requis sont définis. Le pas de leur installation ou la sensibilité du dispositif pour la plupart des échantillons est de 0,5 volt.
Marquage de l'appareil

Aux fins du marquage des dispositifs de contrôle sur leur panneau avant ou latéral, une séquence de plusieurs symboles est appliquée (parfois elle n'est indiquée que dans le passeport). À titre d'exemple, un appareil de fabrication russe EL-13M-15 AC400V, conçu pour une connexion sans fil neutre, est considéré. Il est étiqueté comme suit :
- EL-13M-15 - nom de la série ;
- combinaison АС400В - tension admissible.
Le marquage des modèles importés est quelque peu différent. Les relais de la série "PAHA", qui portent l'abréviation PAHA B400 A A 3 C, sont décryptés plus en détail :
- B400 - tension de fonctionnement 400 volts.
- A - type de réglage.
- A(E) - méthode de montage (sur rail DIN ou sur connecteur).
- 3 - dimensions du corps en mm.
Le symbole "C" signifie la fin de la combinaison de codes.
Caractéristiques de choix
Lors du choix des appareils de contrôle, tout d'abord, leurs paramètres techniques sont pris en compte. A titre d'exemple, le cas de la sélection d'un modèle pour connecter un ATS est considéré, en supposant la procédure suivante :
- Le mode d'inclusion est déterminé (avec "zéro" ou sans).
- Les paramètres de l'appareil sélectionné sont découverts.
- Dans le même temps, il est pris en compte que lorsque vous travaillez avec ATS, il sera nécessaire de contrôler la coupure et l'ordre des phases.
Pour contrôler l'ATS, le temps de retard est défini dans la plage de 10 à 15 secondes.
La connaissance des modifications individuelles des dispositifs de contrôle aidera l'artiste à prendre en compte les particularités de leur fonctionnement dans des circuits spécifiques.









