Interrupteur à trois positions - un dispositif de commutation électromécanique utilisé en génie électrique pour commuter l'alimentation sur une autre ligne en cas de surcharge. Il est également utilisé pour conduire le courant électrique en mode normal et allumer périodiquement le circuit électrique.
Principe d'opération

L'interrupteur à 3 positions possède une poignée à 3 positions pour ouvrir et fermer la chaîne. La position médiane permet à chaque groupe de contact existant de s'ouvrir. L'utilisateur contrôle l'appareil manuellement. Les contacts supérieurs sont généralement utilisés pour connecter les entrées et les contacts inférieurs sont utilisés pour les charges. Un tel appareil n'est pas équipé de déclencheurs (thermiques ou électromagnétiques), donc lorsqu'il est installé, des interrupteurs automatiques sont placés sur les entrées, qui sont déclenchés par une surcharge. Cette configuration empêchera les incidents d'étincelles et les dommages à l'intégrité du matériau d'isolation du câblage. Dans le passé, ces appareils ont été utilisés comme maîtres d'entrée dans les tableaux de distribution. Au fil du temps, cette place a été prise par les disjoncteurs automatiques, mais la flexibilité et la simplicité de conception des interrupteurs de position, ainsi que leur faible prix, confèrent à ces produits une popularité suffisante.
Variétés d'interrupteurs à trois positions

Les interrupteurs électriques à 3 positions sont disponibles dans une variété de modèles. Certains modèles sont équipés de la possibilité de verrouiller la position de commutation. Ils sont équipés d'un mécanisme de verrouillage à clé, qui exclut le passage spontané à une autre position. D'autres, qui n'ont pas cette fonction, reviennent indépendamment à leur position d'origine. La conception de certains appareils prévoit la présence d'une position zéro - elle implique la séparation de tous les contacts.
Habituellement, les produits sont fabriqués pour fonctionner dans des réseaux électriques avec un courant nominal de 25, 16 ou 10 A. En ce qui concerne la tension, pour le courant continu, sa valeur peut atteindre 220 V, pour le courant alternatif - jusqu'à 500. Les appareils sont équipés de marquages indiquant le niveau de puissance et la catégorie de protection.
La conception la plus courante est un commutateur de pile mécanique à 3 positions. Leur élément de contrôle n'est pas un bouton, mais une poignée. Les modèles modernes sont équipés de poignées ergonomiques conçues pour empêcher les doigts de glisser. Les produits sont de deux types - biscuit et came.

Le dispositif à came comprend également une série de boîtiers, mais agencés de manière différente. Les contacts mobiles sont situés sur les côtés extérieurs des plaques se connectant au corps, et les contacts statiques sur les côtés intérieurs. Les premiers ressemblent à des ponts à ressorts. Leur position est régulée par un mécanisme à tige qui change de position sous l'action de la came. Dans ce dernier, à son tour, la position est modifiée au moyen d'une poignée et d'un arbre. Tant dans le cas des modèles à biscuits que dans les appareils à cames, l'arbre peut avoir un nombre différent de positions (jusqu'à huit). Dans les appareils à trois positions, leur nombre est de trois.
L'interrupteur peut être monté sur un rail DIN, sur un mur, dans une armoire, selon le modèle. Des produits antidéflagrants utilisés dans les industries présentant un danger pour la santé humaine sont fabriqués. Cependant, la plupart des interrupteurs à trois positions sont sensibles aux explosions, aux températures extrêmes et ne tolèrent pas l'humidité. Le degré de sensibilité de l'appareil aux conditions environnementales peut être déterminé par son aspect : si le produit est ouvert, dépourvu d'étui de protection, il est très sensible, il doit être installé uniquement à l'intérieur du panneau dans une pièce à l'air sec. Des interrupteurs avec boîtier en plastique ou en métal et des pinces anti-effraction peuvent également être installés à l'extérieur du tableau.
Si le boîtier est hermétiquement fermé, l'appareil peut être installé même à l'extérieur. Pendant le fonctionnement, de faibles influences mécaniques et vibrations sont autorisées (pas plus de 35 Hz).
Les avantages des appareils incluent la fiabilité de fonctionnement, la résistance à l'usure et un prix assez bas. Ils suppriment très rapidement les arcs électriques, mais résistent à un nombre limité d'opérations de surcharge. Le point faible de ces produits par rapport aux disjoncteurs est aussi leurs possibilités limitées en tant que dispositif de protection : ils ne protègent pas contre les incidents de court-circuit. De plus, les interrupteurs mécaniques ne peuvent pas être réparés : si le produit est devenu inutilisable, il est démonté avec élimination ultérieure et un nouveau est installé à sa place. Ils échouent relativement rapidement, bien que certains fabricants affirment que l'appareil peut supporter jusqu'à un demi-million de commutateurs.
Usage domestique

Il existe de nombreuses applications pour les interrupteurs 220v trois positions dans l'industrie et la vie quotidienne :
- contrôle des postes d'éclairage et de transformation;
- programmes de commutation pour le fonctionnement d'équipements électriques de soudage, de chauffage et d'autres équipements de production;
- manipulations avec les modes de moteurs électriques;
- télécommande de moteurs électriques asynchrones;
- saisie automatique d'une réserve ;
- commutation dans les appareils du panneau.
En outre, ces produits sont utilisés pour l'alimentation électrique de sous-stations, par exemple dans des structures de mise à la terre, des instruments de mesure de commutation.
Comment se connecter
À l'époque soviétique, l'utilisation d'un interrupteur à trois positions pour l'alimentation électrique des immeubles d'habitation était répandue et répandue. Ensuite, ils ont été installés dans des tableaux de distribution. Maintenant, au lieu de tels dispositifs, des dispositifs automatiques sont plus souvent utilisés. Si le propriétaire choisit d'utiliser un interrupteur triphasé à trois positions, celui-ci peut être installé devant le compteur électrique menant au tableau afin que le réseau de l'appartement puisse être complètement coupé en cas de besoin. Aussi, pour renforcer la protection du réseau contre les surcharges ou les court-circuits, il est possible de recommander l'utilisation combinée des deux appareils.
Lors de l'installation de l'appareil dans une maison privée avec une consommation d'électricité modeste, ainsi qu'à la campagne, un circuit monophasé peut être utilisé, qui inclut l'appareil dans le réseau électrique domestique d'une source de rechange. Des voyants lumineux doivent être placés à l'intérieur du blindage, signalant que le réseau ou le générateur est allumé.
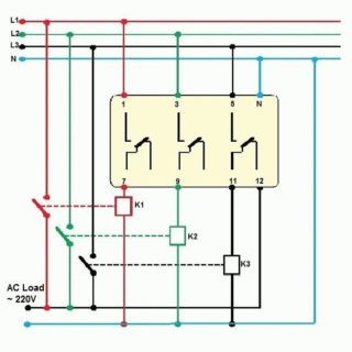
Diagramme de connexion

Lors de l'achat de câbles pour le montage d'un appareil à trois positions, il est nécessaire de prendre en compte les valeurs maximales du courant de fonctionnement dans le circuit électrique. Si le diamètre des conducteurs dépasse 6 mm2, des embouts spéciaux sont achetés pour eux. Les fils moins épais peuvent être connectés directement à l'appareil à l'aide de soudure ou de dénudage.
Des schémas typiques adaptés à un appareil particulier, y compris un schéma pour connecter un interrupteur à partir de trois endroits différents, sont donnés dans la documentation technique jointe à celui-ci. Certains des produits à trois positions peuvent être connectés non seulement à 3 pôles, mais également à 1, 2 ou 4 (le nombre de pôles possible est indiqué dans le passeport de l'appareil). A l'entrée de l'appartement, l'appareil est placé à la sortie du conducteur de phase commun et à zéro afin de séparer la ligne appartement de la ligne principale. L'installation de l'interrupteur et son réglage ultérieur ne sont possibles que lorsque l'électricité est coupée. Les produits modernes conçus pour être utilisés dans les tableaux d'appartements impliquent généralement un montage sur un rail DIN de 35 mm. Leurs bornes sont marquées de chiffres, ce qui évite toute confusion lors des travaux d'installation. Après l'installation, l'appareil, ainsi que les connexions de contact adjacentes, doivent être nettoyés avec un chiffon sec au moins une fois tous les 6 mois, après avoir préalablement coupé l'alimentation électrique.
En tant que dispositif de commutation d'un réseau domestique, les commutateurs manuels de position sont souvent considérés comme obsolètes. Cependant, leur facilité d'utilisation et d'installation, ainsi que leur prix, leur ont donné une certaine popularité à ce jour.









