Les guirlandes LED ont remplacé les habituelles. Elles se comparent favorablement aux lampes à incandescence obsolètes par leurs caractéristiques - longue durée de vie, fiabilité, efficacité et sécurité. Les guirlandes LED RVB sont utilisées dans l'éclairage festif, l'éclairage des bâtiments et des arbres, dans la publicité. Les guirlandes diffèrent par leur conception, leurs caractéristiques et leur schéma de connexion. Vous pouvez réparer la guirlande LED de vos propres mains - pour cela, vous devez vous familiariser avec les caractéristiques de conception du produit.
Types de chaînes LED

La guirlande électrique à LED se caractérise par des paramètres tels que la puissance, le nombre de LED, le schéma de structure, la longueur.
De par sa conception, le produit est :
- Traditionnel. Ils sont un fil sur lequel sont fixées des diodes. Ils mesurent 5 à 12 mètres de long.
- Rideaux lumineux - "pluie" ou "cascade". Plusieurs fils lumineux sont fixés à un certain intervalle sur un.
- La frange. Le rideau-guirlande LED sur la fenêtre est un type de pluie, il diffère par une longueur plus courte et différents niveaux de fils.
- Grilles lumineuses. Les threads sont connectés en réseau.
- Guirlandes pour arbres appelées clip-light.
- Sous forme de boules et de glaçons.
Chacun de ces types est utilisé dans des domaines différents.
Les guirlandes peuvent également être classées par type d'aliment. Il existe des appareils qui sont alimentés par le secteur - ils ont juste besoin d'être branchés sur une prise. Les produits du deuxième type nécessitent une connexion via un transformateur abaisseur, car ils fonctionnent sur une tension de 12 V ou 24 V. Ils sont plus sûrs - même si l'isolation est endommagée, aucune personne n'est en danger.
Conception et schéma de guirlande

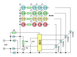
Extérieurement, la guirlande LED n'est pas différente de l'habituelle. Il a également des fils, des lampes et une unité de contrôle, qui est l'élément le plus important.
Le bloc est une petite boîte en plastique avec des boutons que vous pouvez utiliser pour changer le mode de fonctionnement. Il est généralement fabriqué dans un boîtier de haute qualité avec un niveau de protection IP44. Le niveau de protection dépend de la pièce dans laquelle la guirlande sera installée. Dans la rue, des produits résistants au gel seront nécessaires. Il y a des fils soudés à l'intérieur de l'unité. À l'intérieur se trouve également une carte sur laquelle sont soudés le contrôleur, les thyristors, les résistances, les ponts de condensateurs et de diodes. Les modèles coûteux peuvent être équipés d'un fusible.
Circuit de guirlande LED

La tension secteur est fournie à l'alimentation. Il traverse le pont de diodes et les résistances, puis il est lissé par un condensateur, après quoi la tension est fournie au contrôleur d'alimentation. Lorsque le bouton est fermé, les modes sont commutés. Le contrôleur commande des thyristors dont le nombre dépend du nombre de canaux de rétroéclairage. Après avoir traversé les thyristors, la tension est appliquée aux LED.
La variété des couleurs d'éclairage dépend du nombre de sorties. S'il n'y a que 2 lignes, les guirlandes fonctionneront selon deux modes - tamiser et s'allumer à tour de rôle. Les produits plus chers peuvent avoir plus de canaux.
Les principales causes de dysfonctionnements
Le microcircuit, qui est le principal élément de travail, brûle rarement. Les pannes les plus fréquentes sont :
- Mauvais contact sur les fils.
- Rupture d'une des LED.
- Problème de condensateur.
- Résistance grillée.
- Problèmes de pont de diodes ou de thyristors.
Le circuit de guirlande d'ampoules chinoises peut utiliser des composants bon marché et de qualité inférieure qui devront être remplacés.
Mauvaise soudure

Si la guirlande cesse de fonctionner, tout d'abord, la qualité des connexions des fils d'alimentation et de départ est vérifiée. Si le contact est faible, l'appareil ne recevra pas de tension. Ce problème est courant dans les guirlandes lumineuses chinoises bon marché. Ils sont fabriqués à l'aide de fils minces qui se cassent facilement au niveau des joints.
Pour assurer une connexion fiable, les points de contact doivent être remplis d'une épaisse couche de colle thermofusible.
LED grillée

Dans la guirlande, les LED sont connectées en série. Si un élément est grillé, toute la chaîne cessera de fonctionner. Vous devez réparer le circuit en remplaçant le composant qui ne fonctionne pas. Vous aurez besoin d'un multimètre pour identifier une ampoule cassée. De fines aiguilles doivent être attachées aux extrémités des sondes avec un fil pour tester les diodes. La pointe doit dépasser de 5 à 8 mm. D'en haut, tout doit être enveloppé d'une couche dense de ruban électrique.
Tout d'abord, la guirlande doit être débranchée du réseau électrique. Le contrôle commence par la dernière diode, car c'est vers elle que le fil d'alimentation est directement tiré de l'unité de contrôle.
Les LED sont soudées, vous ne pourrez donc pas simplement les retirer comme une ampoule ordinaire. Pour vérifier, vous devrez percer l'isolant jusqu'à ce que des brins de cuivre apparaissent. Le multimètre doit être réglé en mode numérotation. Après cela, vous devez percer systématiquement les fils d'alimentation à côté de chaque LED suspecte sur toute la longueur du circuit.
Si une guirlande de 12 ou 24 V est utilisée, la diode doit s'allumer en touchant les sondes. Lorsqu'il est alimenté en 220 V, vous devez vérifier les lectures obtenues avec un multimètre. Ils seront quasiment les mêmes pour les éléments de travail, un circuit ouvert sera enregistré sur la diode défectueuse. Cette méthode viole l'intégrité de l'isolation. Si une guirlande de rue a été testée, elle ne peut être utilisée qu'à l'intérieur.
Feux clignotants chaotiques

Lorsque la guirlande est allumée, une situation peut se produire lorsque les diodes s'allument de manière aléatoire avec une luminosité différente. Un tel scintillement n'est pas associé aux modes de fonctionnement et à l'effet d'usine, mais est causé précisément par des problèmes dans la guirlande elle-même.
La raison probable de cet effet est la panne du condensateur électrolytique. Il peut gonfler, et cela sera clairement visible à l'œil nu. Le composant cassé doit être remplacé par un autre de même valeur. La valeur de la capacité est indiquée sur le corps de la cellule.
Si le remplacement du condensateur n'a pas aidé, la résistance pourrait griller. Vous aurez besoin d'un testeur pour le vérifier. En marquant, vous devez connaître la résistance nominale, puis vérifier avec la valeur mesurée. Si les paramètres ne correspondent pas, la résistance doit être remplacée par une nouvelle. Après avoir remplacé les ampoules devraient cesser de clignoter.
Une partie de la guirlande est éteinte

L'échec de l'un des canaux peut être causé par deux raisons. Ces problèmes sont associés aux composants du circuit - claquage d'un thyristor ou d'une diode. Pour vérifier, vous devez séparer une publication d'un canal qui ne fonctionne pas et le connecter à un canal adjacent dont on sait qu'il fonctionne correctement. Si cela ne fonctionne pas non plus, le défaut vient du thyristor ou de la diode. Ils doivent être vérifiés avec un multimètre et remplacés par des neufs.
Lumière faible
Les LED d'un seul canal peuvent s'allumer faiblement par rapport aux autres. Ceci n'est pas lié au fonctionnement du circuit du contrôleur, la continuité des composants ne donnera pas non plus de résultats. La cause la plus probable est les fils. Ils doivent être inspectés pour les cassures et les plis. Après avoir trouvé la zone à problème, vous devez prendre un fer à souder, démonter les fils et installer de nouvelles sections. Le point de contact doit être solidement isolé avec un tube thermorétractable.
Faire une guirlande de vos propres mains

Une guirlande LED DIY ne peut pas être pire qu'une guirlande de magasin. C'est facile à créer. Pour cela vous aurez besoin de :
- fer à souder;
- ruban isolant;
- Gaine thermorétractable;
- LED;
- résistances;
- Source de courant.

L'algorithme de travail est le suivant :
- Détermination de la distance entre les diodes.
- Marquage avec un marqueur sur le fil aux endroits où la lampe sera installée.
- Enlèvement de l'isolation aux endroits marqués.
- Application aux domaines de la soudure.
- Fixation des leds sur soudure.
- Isolation des connexions. Vous devez également le sceller avec du mastic silicone.
- Connexion de la résistance de limitation de courant et de l'alimentation.
Pour vérifier le système, vous pouvez connecter des piles rechargeables ou une alimentation électrique en chargeant un smartphone.








