L'automatisation du contrôle de l'éclairage public réduit les coûts énergétiques, simplifie l'entretien du territoire adjacent. Le capteur de lumière donne un signal pour allumer et éteindre les lampes, lanternes, spots. Un appareil électronique est acheté en tenant compte des paramètres techniques de la charge. Les artisans fabriquent eux-mêmes l'appareil.
- Avantages et inconvénients du capteur de lumière
- Le dispositif et le principe de fonctionnement du relais photo
- Variétés de capteurs de lumière
- Spécifications de l'appareil
- Examen des modèles populaires et des critères de sélection
- Schémas de câblage des capteurs communs
- Installation et raccordement de relais photo pour l'éclairage public
- Sélection de siège
- Travaux d'installation
- Configuration de l'appareil
- Est-il possible de faire un relais photo de ses propres mains
Avantages et inconvénients du capteur de lumière

Le capteur de lumière est appelé interrupteur d'éclairage ou interrupteur crépusculaire. Il surveille la luminosité de l'éclairage dans la rue ou à l'intérieur, allume et éteint les lampes si nécessaire. L'utilisation d'un capteur de lumière extérieure présente plusieurs avantages :
- automatisation de l'allumage de l'éclairage public;
- précision de fonctionnement, qui permet de réduire la durée de fonctionnement des appareils d'éclairage et le coût de l'électricité;
- les appareils programmables sont réglés en fonction des paramètres individuels ;
- effrayer les voleurs - le système fonctionne en simulant la présence des propriétaires de la maison.
Désavantages:
- la faible classe de sécurité de l'appareil provoque une oxydation rapide des contacts et une panne;
- pour un fonctionnement correct, le boîtier nécessite un nettoyage périodique.
Dans les endroits où un éclairage constant n'est pas nécessaire, l'interrupteur crépusculaire est complété par un détecteur de mouvement. Les lampes ne s'allument que lorsqu'une personne s'approche. Le système améliore les économies d'énergie.
Le dispositif et le principe de fonctionnement du relais photo

Les capteurs de lumière pour allumer l'éclairage public fonctionnent sans intervention humaine. Ils sont utilisés sur les parcelles de maisons de chalets, les autoroutes, les chantiers de construction. Le relais photo est commandé par une cellule photosensible. Cet appareil reconnaît le degré de lumière naturelle ou artificielle et envoie des signaux à l'unité électronique.
Dans l'obscurité, l'intensité du flux lumineux diminue, les paramètres du photo relais changent, il ferme les contacts. Le courant circule vers le luminaire. Le matin, les contacts s'ouvrent, le rétroéclairage s'éteint.
Composants de l'appareil :
- cellule photoélectrique - une photorésistance ou un phototransistor qui modifie sa propre conductivité électrique en fonction de la luminosité du flux lumineux ;
- tableau de commande - amplificateur, relais électromécanique;
- corps - l'emplacement de tous les éléments, remplit une fonction de protection et de fixation.
Les interrupteurs crépusculaires sont alimentés par le secteur. Leurs bornes sont commutées avec une phase du fil neutre.
Variétés de capteurs de lumière

Les capteurs sont classés selon plusieurs paramètres.
De par leur conception, les modèles sont :
- La photocellule est située dans le même boîtier que le reste des pièces. Le relais crépusculaire est installé à côté du dispositif d'éclairage.
- Un appareil avec une cellule photoélectrique externe (externe). L'unité principale est montée sur un rail DIN, capteur de lumière extérieure.
Par type de contrôle :
- Appareils avec minuterie - l'appareil est ajusté au niveau d'éclairage et la période de fonctionnement est définie. Par exemple, les lampes s'éteignent à la tombée de la nuit.
- Relais photo avec arrêt forcé - si nécessaire, ils sont activés et désactivés manuellement.
- Les relais crépusculaires programmables sont des dispositifs technologiquement sophistiqués qui fonctionnent selon des paramètres spécifiés.
Par type de charge :
- LED;
- luminescent (économie d'énergie);
- Lampes incandescentes.
L'équipement multifonctionnel avec une minuterie et un détecteur de mouvement est plus cher, mais il contrôle l'éclairage plus efficacement.
Spécifications de l'appareil

Le domaine d'utilisation des appareils électroniques est déterminé par leurs caractéristiques techniques :
- Tension de fonctionnement - le raccordement du capteur de luminosité est possible à un réseau 220 V standard ou à une source de tension constante 12 V.
- Degré de protection - l'appareil extérieur nécessite une isolation contre l'humidité et la poussière. La classe de protection est indiquée par le marquage IP. Il doit être au moins IP44.
- Courant maximum - le paramètre indique le courant admissible.
- Paramètres du mode de fonctionnement - sélectionnez la sensibilité du capteur, le délai d'activation et de désactivation.
- Plage de température - le fabricant indique à quelle température le relais photo peut être utilisé. Habituellement, il est assez large, mais il convient de clarifier la limite des indicateurs négatifs.
- Dimensions - les dimensions de l'appareil sont prises en compte lors du choix d'un emplacement.
Les experts conseillent de choisir un relais crépusculaire avec une réserve de puissance de charge de 20%.
Examen des modèles populaires et des critères de sélection
Parmi les capteurs d'éclairage public, les fabricants russes et chinois sont recherchés. Modèles populaires :
- Le photorelais FR-601 d'IEK (Chine) est un appareil avec une cellule photoélectrique intégrée. Boîtier en plastique, degré de protection IP44. Fonctionne avec une tension de 220 V, un courant maximum de 10 A, une charge de 2,2 kW. Seuil de réponse 5-50 Lx. Température de fonctionnement -25 + 45°.
- Relais photo FR-7N (Russie) - l'équipement dispose d'un capteur à distance et d'un câble de 1,5 m.Monté sur un rail DIN. Tension nominale 220 V, courant 5 A. Plage d'éclairage 10-50 Lx, temps de réponse 15 s.
- Relais crépusculaire Zamel WZM-01 / S1 (Pologne) - l'appareil est monté sur un rail DIN. Il est conçu pour une tension de 230 V, une charge de 4 kW, un courant de 16 A. L'indice de protection du boîtier est IP20.
- PS-3 EKF (Russie) - le produit est conçu pour une tension nominale de 240 V, un courant de 20 A, une charge de 4,4 kW. Seuil crépusculaire 5-50 Lx. Degré de protection IP44.
Pour choisir un capteur de lumière, étudiez les paramètres techniques de l'appareil. Vous devrez également calculer la puissance de charge et déterminer l'emplacement d'installation. Ces facteurs influencent le type d'interrupteur crépusculaire. Les principaux critères de sélection comprennent :
- spécifications techniques;
- la possibilité de définir des paramètres individuels pour la limite de réponse ;
- disponibilité de capteurs supplémentaires ;
- emplacement du relais photo.
Le prix est l'un des facteurs décisifs lors de l'achat. Des fonctions supplémentaires augmentent le coût de l'appareil. Si certains accessoires ne sont pas nécessaires, ne prenez pas un modèle coûteux.
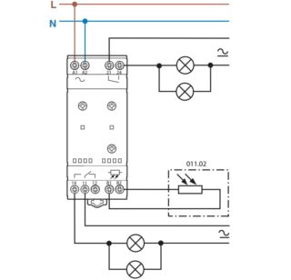
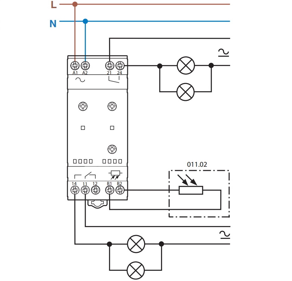
Schémas de câblage des capteurs communs

Le schéma de connexion du relais photo dépend du nombre de bornes. La commutation s'effectue dans la boîte de jonction. Les fils de l'appareil diffèrent par la couleur :
- marron ou noir - se connecte à la phase, fournit l'alimentation électrique;
- bleu - va à la borne zéro, le fil de la lampe y est directement connecté;
- rouge - le fil de sortie alimente la phase vers l'appareil d'éclairage.
Si un détecteur de mouvement est inclus dans le circuit, il est connecté en série, derrière le relais crépusculaire. Un interrupteur qui commande plusieurs luminaires est commuté avec un démarreur. Pour l'auto-connexion de l'appareil, le fabricant fournit un schéma dans les instructions.
Installation et raccordement de relais photo pour l'éclairage public
La méthode d'installation dépend du type d'appareil sélectionné. Le moyen le plus simple est d'installer un relais photo mural avec une cellule photoélectrique intégrée. L'étendue des travaux à venir est divisée en 3 étapes : la sélection de l'emplacement, l'installation et la configuration.
Sélection de siège

Pour que le relais crépusculaire allume et éteigne l'éclairage à temps, il est important de choisir le bon endroit pour son installation. Recommandations d'hébergement :
- L'appareil doit être exposé à la lumière directe du soleil.
- Exclure les phares des véhicules pour éviter les fausses alarmes.
- L'appareil doit être librement accessible pour l'entretien.
Si l'interrupteur crépusculaire est installé sur un rail DIN, seul l'espace pour le capteur à distance est sélectionné.
Travaux d'installation
Pour connecter le relais photo, vous pouvez utiliser la boîte de jonction du luminaire. Elle a déjà été approvisionnée en nourriture. Une boîte de jonction séparée est installée si nécessaire. Les bords des fils colorés sont dénudés d'isolant. Ils sont raccordés aux bornes selon le schéma du constructeur.
Les modèles d'extérieur incluent un support. L'appareil est fixé en place avec des vis.
Configuration de l'appareil

Après avoir connecté le capteur de lumière, ajustez sa sensibilité. Pour cela, dans la partie inférieure du corps se trouvent des régulateurs - disques ou interrupteurs à bascule. Selon les marques "+" et "-", il est sélectionné dans quel sens faire tourner la roue. Des éléments de réglage règlent le seuil de luminosité auquel l'interrupteur crépusculaire est activé. Sur certains modèles, vous pouvez sélectionner le délai d'activation.
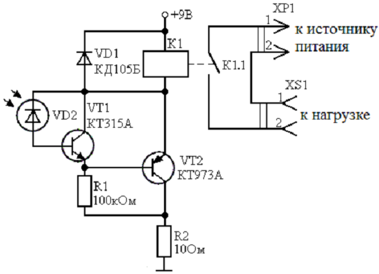
Est-il possible de faire un relais photo de ses propres mains

Fabriquer un capteur de vos propres mains ne sera pas difficile pour les radioamateurs. Pour un appareil électronique, vous aurez besoin de :
- un triac avec un dinistro intégré (quadrak) avec des paramètres de fonctionnement de 4 A et 600 V;
- photorésistance type FSK-7, FSK-G1;
- résistance avec une résistance de 47 kOhm.
Le circuit est alimenté à partir d'un réseau standard 220 V. Le réglage de la mise sous tension est effectué par une résistance. Sa résistance dépend du seuil souhaité pour allumer le rétro-éclairage. Lorsque vous utilisez un carré, vous pouvez connecter une charge allant jusqu'à 500 watts. Ce circuit se compose d'un petit nombre de pièces et ne nécessite pas de bloc d'alimentation séparé. Les éléments sont fixés sur le circuit imprimé avec un fer à souder.
Le coût des interrupteurs crépusculaires est abordable pour la plupart des acheteurs. Les modèles avec un corps commun sont proposés à un prix d'environ 400 roubles. Les appareils qui nécessitent un montage sur un rail DIN coûteront plus cher - 1500-2500 roubles. Vous pouvez installer le relais photo selon les instructions du fabricant.













