Lors de l'installation de compteurs d'électricité dans des maisons privées, en fonction de la quantité de courant dans le circuit électrique, un schéma de connexion très spécifique pour un compteur triphasé est utilisé. Il est connecté directement à la coupure de la ligne d'alimentation ou par l'intermédiaire d'un transformateur de courant abaisseur. La deuxième option pour connecter un compteur électrique triphasé est utilisée à des courants de consommation de plus de 100 ampères. Ces deux méthodes de connexion à un appareil comptable ont leurs propres caractéristiques, que le propriétaire de la maison doit comprendre.
Types d'inclusions et leurs caractéristiques

Selon la méthode de commutation des enroulements du transformateur de courant, les compteurs triphasés installés dans les réseaux électriques sont connectés selon les schémas suivants:
- connexion directe;
- inclusion indirecte;
- connexion semi-indirecte.
L'inclusion directe est appelée directe, et pour comprendre les différences entre les deuxième et troisième types, il est nécessaire de prendre en compte le champ de leur application. La connexion purement indirecte est l'installation ouverte de transformateurs de courant (TC) sur les câbles d'alimentation haute tension d'une ligne triphasée (6-10 kV). Cette méthode ne se trouve que dans les sous-stations électriques et dans les grandes entreprises industrielles disposant de leurs propres réseaux de distribution d'électricité. Dans des conditions domestiques, ce type de connexion de transformateur n'est pas utilisé.
Variétés de la méthode semi-indirecte
Il existe plusieurs schémas de raccordement des compteurs basés sur la méthode semi-indirecte, mais les plus courants sont les suivants :
- circuit à dix fils;
- connexion par déconnexion sur un bloc spécial;
- connexion en étoile.
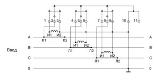
Commutation à dix fils

Connecter un compteur triphasé dans un circuit à 10 fils est le moyen le plus simple et le plus fiable. Pour le mettre en œuvre, vous devrez respecter l'ordre de connexion des dix fils : trois pour chaque phase et un neutre. Cette option a un avantage incontestable, qui est la possibilité de remplacer le compteur alors que l'alimentation est allumée. La ligne peut rester sous tension même lors de la réparation d'un appareil qui en est déconnecté. Avec un tel schéma, les circuits de courant sont mis à la terre de manière fiable, par conséquent, la possibilité de l'apparition d'un potentiel dangereux sur eux est exclue.
Un autre avantage de la connexion à 10 fils est que chacune des trois phases est connectée indépendamment. Si l'un d'eux disparaît, les deux autres conservent la fonctionnalité de l'appareil.
Autres schémas de connexion

La connexion au moyen de distributeurs de contact fait référence à des méthodes plus complexes, mises en œuvre en commutant chacun des fils provenant du transformateur de courant. Les connexions en étoile sont également complexes, mais dans ce cas, moins de conducteurs sont utilisés. Lors de l'installation du convertisseur, les sorties unipolaires des trois enroulements secondaires sont d'abord assemblées en un point commun. Après cela, les trois extrémités de compteur des enroulements CT sont connectées aux bornes correspondantes du compteur.
Il existe un autre circuit de commutation utilisant une méthode semi-indirecte, appelée 7 fils. Lors de son organisation, l'une des extrémités des enroulements est connectée par des cavaliers directement dans le transformateur de courant lui-même. Cette option est très rarement utilisée dans les maisons privées, ce qui s'explique par un certain nombre de défauts du circuit de commutation.
Le choix du doseur
Avant de connecter un compteur triphasé adapté à une maison privée, vous devez vous assurer que l'utilisation de cette marque d'appareil est prévue par le type de réseau d'alimentation. Ensuite, vous devez savoir pour quel courant de fonctionnement le compteur acheté doit être conçu. Dans ce cas, il faut partir de la valeur de la puissance prise en compte par l'appareil et de la puissance consommée dans la charge. En règle générale, dans ce cas, ils sont guidés par la valeur nominale de la machine d'entrée, selon laquelle les options suivantes sont possibles:
- lors de l'utilisation d'un interrupteur avec un réglage de "40", le courant de fonctionnement du compteur doit être de 60 ampères;
- avec une puissance nominale de 40 à 60 ampères, un appareil comptable avec un indicateur de courant maximum de 100 ampères doit être acheté.
Lors du choix du bon compteur pour une maison privée, il est important de considérer la question de la possibilité d'économiser l'électricité consommée dans un ménage personnel. Par conséquent, la préférence est généralement donnée aux appareils électroniques modernes qui ont une fonction « jour-nuit » et vous permettent de prendre en compte la consommation à un tarif préférentiel.
Un grand avantage d'un compteur triphasé est la possibilité de fixer le programme de charge et de suivre la puissance consommée pour n'importe quelle période de temps. Lors du choix d'un tel appareil, il est important de se renseigner sur sa classe de précision (de 0,2 à 2,5) et la plage de température admissible. Il est souhaitable que cette dernière soit la plus large possible (-20º C à 50º C).
Inclusion dans un circuit monophasé
Dans un réseau monophasé, la différence de tension entre les conducteurs de phase A, B, C et zéro est de 220 volts et entre les phases elles-mêmes - 380 volts. La tension dite "linéaire" est formée du fait que les vecteurs des potentiels efficaces dans chacune des phases sont décalés les uns par rapport aux autres de 120 degrés.
Avec une abondance de ventes de divers modèles de compteurs de courant monophasés sur le marché, l'inclusion d'un compteur triphasé dans un réseau monophasé est extrêmement rare. Dans la plupart des cas, un tel schéma de commutation est similaire à une connexion directe. La différence est que les lignes B et C ne sont pas connectées au compteur, une seule phase doit être connectée. Un inconvénient important d'une telle inclusion est la possibilité de problèmes avec les organismes de réglementation, qui n'aiment vraiment pas toutes les options pour les connexions qui ne sont pas conformes aux réglementations et normes en vigueur.
Nouvelles règles de connexion

Vous pouvez connecter des compteurs d'électricité dans les maisons privées de différentes manières. Le choix de l'un ou l'autre circuit pour allumer un compteur triphasé est déterminé par la puissance des charges desservies, ainsi que par le type de compteur lui-même. La nouvelle édition du PUE sous le numéro 7 précise notamment la procédure d'installation et de raccordement des appareils de mesure triphasés et monophasés. La bonne approche pour résoudre ce problème se réduit à la mise en œuvre des recommandations suivantes :
- Les compteurs d'électricité triphasés doivent être connectés selon le schéma de commutation le plus simple et le plus fiable ;
- les transformateurs de courant utilisés dans ce cas doivent correspondre au facteur de conversion fourni pour l'échantillon de compteur sélectionné ;
- lors du raccordement d'un appareil électronique, il est impératif de respecter l'homogénéité de la charge de chacune des phases de la ligne d'alimentation.
Cette dernière exigence suppose que les courants dans chacun des circuits de charge A, B et C doivent être approximativement les mêmes. La violation de cette règle entraîne une surcharge du conducteur neutre et sa destruction progressive. Les experts appellent ce phénomène désagréable "zéro combustion". Il est dangereux en ce que lorsque le zéro est coupé, le conducteur neutre combiné perd sa fonction de protection.Dans une telle situation, le risque de blessure accidentelle due à la haute tension pour l'opérateur travaillant sur l'équipement électrique augmente considérablement.
Lors de l'examen des méthodes de fixation du compteur dans le tableau, les approches suivantes sont distinguées:
- fixation au moyen de trois vis de fixation (cette méthode convient aux boîtiers de compteurs de type S ou Ш);
- installation du doseur sur un rail DIN spécialement équipé dans le panneau (pour coffrets R ou P).
Dans le second cas, la position du rail de montage est ajustée de manière à ce que les trous du corps de l'appareil et ses propres fentes coïncident complètement.
Les problématiques liées au raccordement d'un compteur électrique triphasé dans le tableau de bord d'une maison particulière sont réglementées par des documents réglementaires (PUE par exemple). Lors de l'organisation et de l'exécution de ces procédures, le plus important est de choisir une option fiable et sûre pour connecter l'appareil de mesure à la ligne électrique.









