Les lampes fluorescentes sont l'une des sources d'éclairage artificiel les plus populaires. Elles consomment 5 à 6 fois moins d'énergie que les lampes à incandescence standard, mais en même temps elles brillent avec la même luminosité. Les luminaires LED avec drivers sont plus économiques, mais en raison de leur coût élevé, ils n'ont pas réussi à évincer les lampes fluorescentes (LDS) du marché. Avec une utilisation prolongée, les lampes fluorescentes peuvent perdre leur fonctionnalité. Vous pouvez résoudre de tels problèmes, mais pour cela, vous devez savoir comment vérifier une lampe fluorescente, notamment à l'aide d'un multimètre.
- Le dispositif et le principe de fonctionnement des lampes fluorescentes
- Causes de l'épuisement des lampes fluorescentes
- Contrôle du testeur numérique
- Dépannage et dépannage
- Intégrité des électrodes spiralées
- Défauts dans le ballast électronique
- Comment vérifier un starter de lampe fluorescente
- Comment vérifier le démarreur
- Comment vérifier la capacité d'un condensateur avec un testeur
- Allumer une lampe fluorescente sans starter
- Schéma de connexion des lampes grillées
Le dispositif et le principe de fonctionnement des lampes fluorescentes
Il y a ici une particularité - l'éclairage visible de la lampe n'apparaît qu'après modification du rayonnement ultraviolet. Une telle transformation n'est possible que lors de l'utilisation de composés contenant de l'halophosphate de calcium ou d'autres composés en présence de luminophores.
Selon le principe de fonctionnement, LDS peut être assimilé à des sources d'éclairage à décharge de gaz. Un gaz inerte est placé dans un ballon en verre, après en avoir évacué l'air, puis 30 mg de mercure sont ajoutés au gaz. Des électrodes en spirale, semblables à un filament, sont installées sur les deux bords du récipient. Ils sont soudés de chaque côté à 2 pattes de contact, qui sont placées dans des plaques de type diélectrique. La surface intérieure du tube est recouverte d'une couche de phosphore.
La lumière du jour est allumée à l'aide d'un ballast - de type électromagnétique ou électronique. Le dispositif électromagnétique comprend un élément principal - un starter. Il s'agit d'une résistance de type ballast sous la forme d'une bobine inductive avec un noyau métallique, qui est connectée en série avec une lampe fluorescente.
Un inducteur est nécessaire pour maintenir une décharge uniforme et ajuster le courant au besoin. Lorsque la lumière s'allume, le starter supprime le courant de démarrage jusqu'à ce que les filaments en spirale se réchauffent, puis délivre la tension maximale d'auto-induction, à la suite de laquelle le LDS est allumé.
Causes de l'épuisement des lampes fluorescentes
Pour prolonger la durée de vie, une couche de métal alcalin actif est appliquée sur le filament de tungstène. La décharge entre les électrodes est stabilisée et la température baisse, grâce à quoi le filament dure beaucoup plus longtemps.
L'allumage / extinction fréquent de la lampe entraîne la destruction de la couche protectrice, elle tombe simplement. La décharge passant à travers les fils nus chauffe la spirale aux points faibles, ce qui entraîne un épuisement.
Contrôle du testeur numérique

À l'aide d'un testeur numérique, vous pouvez vérifier l'intégrité des filaments. Cela peut être fait à la fois en mode numérotation et en mode test de résistance. Il est nécessaire de régler le multimètre sur le mode souhaité et de vérifier la spirale aux deux extrémités du tube.
En mode de numérotation, si la bobine fonctionne correctement, le testeur émettra un son caractéristique - un buzzer.
En mode de test de résistance avec une bobine de travail, l'indicateur du multimètre affichera une valeur de 5 à 10 ohms.
L'épuisement des filaments chauffants est la panne la plus courante des lampes fluorescentes, qui est facile à détecter avec un testeur numérique.
Dépannage et dépannage

LDS est défectueux dans les cas suivants :
- ne s'allume pas ;
- clignote temporairement avant de s'allumer ;
- clignote pendant une longue période, mais ne s'allume pas ;
- bourdonnement;
- scintille lors de la gravure.
Intégrité des électrodes spiralées
Vous pouvez sonner l'électrode en spirale pour la présence de résistance à l'aide d'un multimètre. Le mode de mesure de la résistance est défini sur l'appareil, puis les sondes sont appliquées sur les pieds du ballon des deux côtés.
Si la bobine est défectueuse, le multimètre affichera une résistance nulle - le fil est cassé. La bobine entière montre toujours peu de résistance - jusqu'à 10 ohms. Si au moins une des spirales est défectueuse, la lampe doit être remplacée. Il ne peut pas être restauré.
Défauts dans le ballast électronique
Pour vérifier la santé du ballast électronique, il doit être remplacé par un ballast fonctionnel. Si la lampe s'est allumée, la cause de la panne était en elle. Le ballast cassé peut être réparé par vous-même. Vous devez d'abord remplacer le fusible par un modèle similaire avec les mêmes caractéristiques. Si les filaments brillent faiblement, alors il y a une panne dans le condensateur entre eux. Il est également remplacé par un similaire, mais avec une tension de fonctionnement de 2 kV. les modèles faibles s'épuiseront rapidement.
Les transistors peuvent griller en raison de surtensions. Ils ont besoin d'être changés. Vous pouvez en prendre de nouveaux à partir d'anciens ballasts. Après remplacement, il est nécessaire de contrôler la lampe fluorescente avec une lampe de 40 W.
Comment vérifier un starter de lampe fluorescente

Avant de vérifier le starter de la lampe fluorescente avec un multimètre, vous devez vous familiariser avec les principaux signes de sa panne:
- appareil d'éclairage bourdonnant;
- la lampe s'allume et s'éteint après un certain temps, s'assombrissant sur les bords;
- LDS surchauffe ;
- des "serpents" apparaissent à l'intérieur du tube;
- la lampe clignote beaucoup.
Pour vérifier le bon fonctionnement de l'accélérateur, il est nécessaire de retirer le démarreur de la lampe, puis de fermer les contacts dans son support. Ensuite, la lampe est retirée et les contacts dans les deux prises sont également court-circuités. Le multimètre est réglé pour mesurer la résistance, après quoi ses sondes sont connectées aux contacts dans le support de lampe. S'il y a une pause, l'appareil montrera une résistance sans fin. En cas de fermeture tour à tour, l'appareil affichera la valeur zéro.
Comment vérifier le démarreur
Si la lampe commençait à clignoter immédiatement après l'allumage, mais qu'en même temps elle ne s'allumait pas, le démarreur était en panne. Il ne fonctionnera pas de le composer séparément du LDS, car sans tension, ses contacts sont ouverts.
Vérifier la santé du démarreur est possible par une autre méthode - en le connectant en série avec une lampe à incandescence à une alimentation standard.
La principale raison de l'échec est que la plaque bimétallique s'use beaucoup.
Comment vérifier la capacité d'un condensateur avec un testeur
Si le condensateur LDS est défectueux, son taux d'efficacité diminue à 35-40%. Pour les appareils d'éclairage d'une puissance ne dépassant pas 40 W, un condensateur d'une capacité de 4,5 F est suffisant. S'il est inférieur à cette norme, l'efficacité sera réduite, s'il est supérieur, l'éclairage clignotera.
Pour effectuer la mesure, le condensateur doit être bagué avec un multimètre. Lorsque les cordons de test touchent les sorties de la pièce, l'appareil démontre une résistance sans fin. Lorsque ce chiffre est inférieur à 2 MΩ, c'est le symptôme d'un courant de fuite important.
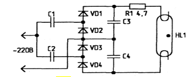
Allumer une lampe fluorescente sans starter
Une lampe fluorescente grillée peut être remise en fonction si elle est connectée au circuit avec une tension constante, à l'exclusion du démarreur et de l'élément de papillon. L'utilisation d'un redresseur doubleur de tension pleine onde aidera ici. Si, après un certain temps, la luminosité de la lampe diminue, elle doit être retournée dans le luminaire, ce qui modifiera les pôles de connexion.
Ce schéma suppose l'utilisation de radioéléments avec un indicateur de tension ne dépassant pas 900 V. C'est cette valeur que le LDS atteint au démarrage.
Schéma de connexion des lampes grillées
En raison de l'épuisement des filaments, les lampes fluorescentes deviennent souvent inutilisables. Il est possible de redonner une seconde vie à une telle lampe en utilisant un schéma de démarrage non conventionnel, qui a été testé à plusieurs reprises par des artisans folkloriques.
À partir du tableau, vous pouvez connaître les valeurs nominales des radioéléments pour les LDS avec différentes puissances. Les résistances de limitation R1 doivent être en fil.
Vous pouvez réparer LDS à la maison si vous suivez les schémas et suivez certaines instructions. Cette connaissance permet d'allonger la durée de fonctionnement du luminaire.













Sapins, achetez un tube LED et ne vous inquiétez pas