La luminosité des sources LED dépend du courant circulant, qui à son tour dépend de la tension d'alimentation. Dans des conditions de fluctuations de charge, les luminaires ondulent. Pour l'éviter, un pilote spécial est utilisé - un stabilisateur de courant. En cas de pannes, l'élément peut être réalisé indépendamment.
- Conception et principe de fonctionnement
- Variétés de stabilisateurs de courant
- Stabilisateurs de résistance
- Appareils à transistors
- Stabilisateurs de courant sur un travailleur de terrain
- Appareils linéaires
- Dispositif ferrorésonnant
- Caractéristiques du circuit miroir de courant
- Stabilisateur de tension de compensation
- Appareils sur microcircuits
- Stabilisateurs d'impulsion
- Comment fabriquer soi-même un stabilisateur de courant pour LED
- Basé sur le pilote
- Stabilisateur pour feux de voiture
- Nuances de calcul du stabilisateur actuel
Conception et principe de fonctionnement

Le stabilisateur assure la constance du courant de fonctionnement des diodes LED lorsqu'il s'écarte de la norme. Il empêche la surchauffe et l'épuisement des LED, maintient un débit constant lors des chutes de tension ou de la décharge de la batterie.
Le dispositif le plus simple se compose d'un transformateur, d'un pont redresseur relié à des résistances et des condensateurs. L'action du stabilisateur repose sur les principes suivants :
- fournir du courant au transformateur et changer sa fréquence limite à la fréquence du secteur - 50 Hz;
- régulation de tension pour augmentation et diminution avec égalisation ultérieure de la fréquence à 30 Hz.
Les redresseurs haute tension sont également impliqués dans le processus de conversion. Ils déterminent la polarité. La stabilisation du courant électrique est réalisée à l'aide de condensateurs. Les résistances sont utilisées pour réduire les interférences.
Variétés de stabilisateurs de courant
La LED s'allume lorsque le seuil de courant est atteint. Pour les appareils à faible consommation, ce chiffre est de 20 mA, pour les appareils super lumineux - à partir de 350 mA. L'étalement de la tension de seuil explique la présence de différents types de stabilisateurs.
Stabilisateurs de résistance

Pour un stabilisateur réglable des paramètres de courant pour les LED de faible puissance, le circuit KREN est utilisé. Il prévoit la présence des éléments KR142EN12 ou LM317. Le processus d'égalisation est effectué à une intensité de courant de 1,5 A et une tension d'entrée de 40 V. Dans des conditions thermiques normales, les résistances dissipent une puissance allant jusqu'à 10 tonnes et leur propre consommation d'énergie est d'environ 8 mA.
Le nœud LM317 maintient une valeur de tension constante aux bornes de la résistance principale, régulée par un trimmer. L'élément principal ou distributeur de courant peut stabiliser le courant qui le traverse. Pour cette raison, les stabilisateurs sur KREN sont utilisés pour charger les batteries.
La valeur de 8 mA ne change pas même en cas de fluctuations de courant et de tension à l'entrée.
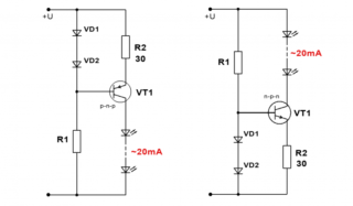
Appareils à transistors

Le régulateur à transistor prévoit l'utilisation d'un ou deux éléments. Malgré la simplicité du circuit, avec des fluctuations de tension, il n'y a pas toujours un courant de charge stable. Avec son augmentation sur un transistor, la tension de la résistance monte à 0,5-0,6 V. Après cela, le deuxième transistor commence à fonctionner. Au moment de son ouverture, le premier élément se ferme et la force et l'amplitude du courant qui le traverse diminue.
Le deuxième transistor doit être bipolaire.

Pour la mise en œuvre avecchimie avec le remplacement des diodes Zener par des diodes appliquer:
- les diodes VD1 et VD2 ;
- résistance R1;
- résistance R2.
L'alimentation en courant à travers l'élément LED est réglée par la résistance R2. La résistance R1 est utilisée pour atteindre la section linéaire des diodes caractéristiques I - V en référence au courant du transistor de base. Pour que le transistor reste stable, la tension d'alimentation ne doit pas être inférieure à la tension totale des diodes + 2-2,5 V.
Pour obtenir un courant de 30 mA à travers 3 diodes montées en série avec une tension de 3,1 V, on fournit en ligne droite 12 V. La résistance de la résistance doit être de 20 Ohm avec une puissance de dissipation de 18 mW.
Le circuit normalise le mode de fonctionnement des éléments, réduit l'ondulation du courant.
L'inconvénient du circuit est la chute de tension avec l'augmentation de l'intensité du courant. Il peut être éliminé en remplaçant le transistor bipolaire par un MOSFET à faible impédance. La diode puissante est remplacée par une IRF7210 12 A ou une IRLML6402 3.7 A.
Stabilisateurs de courant sur un travailleur de terrain

L'élément de champ comporte une source et une porte en court-circuit, ainsi qu'un canal intégré. Lors de l'utilisation d'un pilote de terrain (IRLZ 24) à 3 broches, une tension de 50 V est appliquée à l'entrée, la sortie est de 15,7 V.
Le potentiel de terre est utilisé pour fournir la tension. Les paramètres de courant de sortie dépendent du courant de drain initial et ne sont pas liés à la source.
Appareils linéaires
Le stabilisateur, ou diviseur de courant constant, accepte une tension instable. En sortie, le dispositif linéaire l'aligne. Il fonctionne sur le principe de changer constamment les paramètres de résistance pour égaliser l'alimentation en sortie.
Les avantages du fonctionnement incluent le nombre minimum de pièces, aucune interférence. L'inconvénient est le faible rendement avec la différence d'alimentation à l'entrée et à la sortie.
Dispositif ferrorésonnant
Stabilisateur pour courant alternatif d'un modèle obsolète, dont le circuit est représenté par un condensateur et deux bobines - avec un noyau insaturé et un noyau saturé. Une tension constante est appliquée au noyau saturé (inductif), indépendamment des paramètres de courant. Cela facilite la sélection des données pour la deuxième bobine et la plage capacitive de la stabilisation de l'alimentation.
L'appareil fonctionne sur le principe d'une balançoire, qui est difficile à arrêter d'un coup ou à balancer plus fort. La tension est fournie par inertie, il peut donc y avoir une chute de la charge ou un circuit ouvert dans l'alimentation.
Caractéristiques du circuit miroir de courant

Le miroir de courant, ou réflecteur, est construit sur une paire de transistors de type apparié, c'est-à-dire avec les mêmes paramètres. Pour leur production, un cristal semi-conducteur LED est utilisé.
Schéma d'un miroir de courant selon l'équation d'Ebers-Moll.Le principe de fonctionnement est que les bases des transistors sont combinées et que les émetteurs sont jetés sur un bus d'alimentation. En conséquence, les paramètres de la tension transitoire du couplage base-transistor-émetteur sont égaux.
Les avantages du circuit sont une plage de stabilité égale et aucune chute de tension aux bornes de la résistance de l'émetteur. Les paramètres sont plus faciles à régler en utilisant le courant. L'inconvénient est l'effet Earley - la liaison de la tension de sortie à la tension du collecteur et ses fluctuations.
- Les transistors #1 et #1 sont allumés selon le principe d'un miroir de courant standard.
- Le transistor n° 3 fixe le potentiel de collecteur de l'élément n° 1 à deux fois le paramètre de chute de tension de la diode.
- Elle sera inférieure à la tension d'alimentation, ce qui supprime l'effet Earley.
- Le collecteur du transistor #1 est utilisé pour régler le mode du circuit.
- Le courant de sortie dépend du transistor #2.
- Le transistor n° 3 convertit le courant de sortie en une charge CA.
Le transistor n°3 peut ne pas être adapté aux autres.
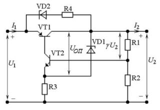
Stabilisateur de tension de compensation

Le redresseur fonctionne sur le principe du retour de tension. Une contrainte totale ou partielle équivaut à un support. En conséquence, le régulateur génère des paramètres de tension d'erreur, éliminant les fluctuations de luminosité pour les LED. L'appareil se compose des éléments suivants :
- Un élément de régulation ou transistor qui, avec la résistance de charge, forme un diviseur de tension. L'indice d'émetteur du transistor doit dépasser le courant de charge de 1,2 fois.
- Amplificateur - contrôle l'OM, est effectué sur la base du transistor n ° 2. Un élément de faible puissance est cohérent avec un élément puissant selon un principe composite.
- Source de tension de soutien - un stabilisateur de type paramétrique est utilisé dans le circuit. Il égalise la tension de la diode Zener et de la résistance.
- Sources supplémentaires.
- Condensateurs - pour lisser l'ondulation, éliminant l'excitation parasite.
Les stabilisateurs de tension de compensation fonctionnent sur le principe de l'augmentation de la tension d'entrée avec une augmentation supplémentaire des courants. La désactivation du premier transistor augmente la résistance et la tension de la zone collecteur-émetteur. Une fois la charge appliquée, elle est nivelée à la valeur nominale.
Appareils sur microcircuits

Pour les dispositifs de stabilisation, un microcircuit 142EN5 ou LM317 est utilisé. Il vous permet d'égaliser la tension en recevant un signal de retour d'un capteur connecté au réseau de courant de charge.
Il utilise une résistance comme capteur, auquel le régulateur peut maintenir une tension et un courant de charge constants. La résistance du capteur sera inférieure à la résistance de charge. Le circuit est utilisé pour les chargeurs et la lampe à LED est conçue en fonction de celui-ci.
Stabilisateurs d'impulsion
Le dispositif à impulsions se caractérise par un rendement élevé et crée une haute tension de consommateurs à des paramètres minimaux de la tension d'entrée. Pour l'assemblage, un microcircuit MAX 771 est utilisé.
Un ou deux convertisseurs réguleront l'intensité du courant. Un diviseur de type redresseur égalise le champ magnétique, abaissant la fréquence de tension admissible. Pour fournir du courant à l'enroulement, l'élément LED transmet un signal aux transistors. La sortie est stabilisée au moyen d'un enroulement secondaire.
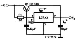
Comment fabriquer soi-même un stabilisateur de courant pour LED
La fabrication d'un stabilisateur pour LED de vos propres mains s'effectue de plusieurs manières. Il est conseillé à un débutant de travailler avec des schémas simples.
Basé sur le pilote
L'assemblage est réalisé selon l'algorithme suivant :
- Soudez les fils aux bornes du milieu et de l'extrémité de la résistance.
- Placez le multimètre en mode résistance.
- Mesurez les paramètres de la résistance - ils doivent être égaux à 500 ohms.
- Vérifier la continuité des connexions et remonter la chaîne.
La sortie sera un module d'une puissance de 1,5 A. Pour augmenter le courant à 10 A, vous pouvez ajouter un opérateur de terrain.
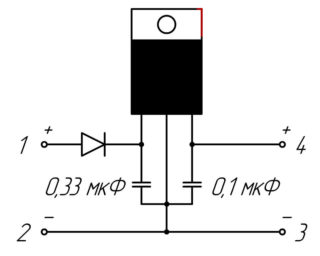
Stabilisateur pour feux de voiture

Pour fonctionner, vous avez besoin d'un dispositif linéaire sous la forme d'un microcircuit L7812, de deux bornes, d'un condensateur 100n (1-2 pièces), d'un matériau Textolite et d'un tube thermorétractable. La fabrication se fait étape par étape :
- Choisir un circuit pour L7805 à partir de la fiche technique.
- Coupez un morceau de la taille requise dans le PCB.
- Marquez les pistes en faisant des encoches avec un tournevis.
- Soudez les éléments pour que l'entrée soit à gauche et la sortie à droite.
- Faire un corps à partir d'un thermotube.
Le dispositif de stabilisation peut supporter jusqu'à 1,5 A de charge et est monté sur un radiateur.
La carrosserie de la voiture est utilisée comme radiateur en raison de la connexion de la sortie centrale de la carrosserie avec un moins.
Nuances de calcul du stabilisateur actuel
Le stabilisateur est calculé sur la base de la tension de stabilisation U et du courant (moyen) I. Par exemple, la tension du diviseur d'entrée est de 25 V, à la sortie, vous devez obtenir 9 V. Les calculs comprennent :
- Sélection selon l'ouvrage de référence de la diode Zener.Ils sont guidés par la tension de stabilisation : D814V.
- Rechercher le courant moyen I selon le tableau. Elle est égale à 5 mA.
- Calcul de la tension d'alimentation comme différence entre la tension stable de l'entrée et de la sortie : UR1 = Uinx - Uout, ou 25-9 = 16 V.
- Division de la valeur obtenue selon la loi d'Ohm par le courant de stabilisation selon la formule R1 = UR1 / Ist, soit 16 / 0,005 = 3200 Ohm, soit 3,2 kOhm. La cote de l'élément sera de 3,3 kΩ.
- Calcul de la puissance maximale selon la formule PR1 = UR1 * Ist, soit 16x0,005 = 0,08.
Le courant de la diode Zener et la sortie passent à travers la résistance, sa puissance devrait donc être 2 fois supérieure (0,16 kW). D'après le tableau, cette puissance correspond à 0,25 kW.
L'auto-assemblage du stabilisateur pour les appareils à LED n'est possible qu'avec la connaissance du circuit. Il est conseillé aux débutants d'utiliser des algorithmes simples. Vous pouvez calculer un élément par puissance sur la base de formules d'un cours de physique scolaire.











