La mise à la terre est un processus technologique important qui protège une personne contre les chocs électriques accidentels lors de l'utilisation d'appareils ménagers ou d'appareils électriques. Pour remplacer le câblage, le réparer ou le moderniser, vous devez d'abord vous familiariser avec le système de mise à la terre utilisé dans une structure de bâtiment particulière. A la fin des travaux, la sécurité des ménages, ainsi que le fonctionnement des équipements, en dépendront.
- Classification des systèmes de mise à la terre
- Types de mise à la terre naturels et artificiels
- Comparaison du contour artificiel et naturel
- Types de mise à la terre artificielle
- Dispositif de mise à la terre TN
- Système TN-C
- Système TN-S
- Système de mise à la terre TN-C-S
- Mise à la terre fonctionnelle type TT
- Schéma de mise à la terre informatique
Classification des systèmes de mise à la terre

Il existe plusieurs types de systèmes de mise à la terre qui ont été développés par la Commission électrotechnique internationale et adoptés par la norme nationale de la Fédération de Russie. Tous sont répertoriés et décrits en détail dans les "Règles d'Installation Electrique" (PUE).
- système TN et trois sous-espèces ;
- système TT ;
- Système informatique.
Leur principale différence réside dans la source d'électricité utilisée, ainsi que dans les méthodes de mise à la terre des appareils électriques. Les classifications des systèmes de mise à la terre sont désignées par des lettres selon un certain principe.
Par la première lettre, il est possible de déterminer comment l'alimentation est mise à la terre :
- T - connexion directe du conducteur de travail neutre de la source d'alimentation (neutre) à la terre.
- I - dans ce cas, le neutre de la source d'alimentation est connecté à la terre exclusivement par l'intermédiaire de la résistance.
La deuxième lettre de l'abréviation indique la mise à la terre dans les parties exposées conductrices d'un bâtiment :
- T - indique une mise à la terre séparée (locale) de la source d'alimentation et des appareils électriques.
- N - la source d'alimentation est mise à la terre, mais les consommateurs ne sont mis à la terre que via le conducteur PEN.
La lettre N définit une méthode fonctionnelle, dont l'essence de la mise en œuvre réside dans le dispositif de conducteurs de protection zéro et de travail zéro:
- C - les fonctions des deux conducteurs fonctionnent grâce à un conducteur commun appelé PEN.
- S - indique que le conducteur neutre de travail (N) et de protection (PE) sont séparés.
Les systèmes de mise à la terre sont également divisés en travail et protection. Le premier est destiné au fonctionnement sûr et efficace de tous les appareils électriques, l'essence de ce dernier est d'assurer une sécurité totale lors du fonctionnement de ces appareils.
Les valeurs de tension et de courant ne peuvent atteindre des niveaux critiques que pour deux raisons - une mauvaise utilisation de l'équipement et la foudre.
Types de mise à la terre naturels et artificiels

Les éléments suivants sont utilisés comme protection naturelle :
- Gaines de câbles en plomb posées dans des tranchées souterraines ; voies ferrées de voies de garage non électrifiées, voies ferrées, etc.
- Structures en béton armé et métalliques de toute structure de bâtiment en contact direct avec le sol.
- Canalisations souterraines d'eau et d'égouts. N'utilisez pas de tuyaux métalliques dans lesquels passent des substances explosives et inflammables.

En règle générale, des électrodes horizontales et verticales sont utilisées pour les électrodes de terre artificielles. Le rôle des verticaux peut être joué par une tige ou un tuyau en acier d'au moins 3 mètres de long.L'essence de la mise en œuvre est d'immerger les extrémités supérieures dans le sol et de les connecter avec une bande d'acier à l'aide d'une machine à souder. Cette technologie forme une boucle de masse.
Pour une utilisation sûre des appareils électriques, des conducteurs de mise à la terre naturels doivent être utilisés. Leur utilisation permet d'économiser le budget et le temps de la famille, car il n'est pas nécessaire de construire des électrodes de terre artificielles. Si l'espèce naturelle répond à toutes les exigences du PUE pour la propagation de la résistance, une espèce artificielle peut être omise.
Comparaison du contour artificiel et naturel

Le contour naturel est constitué de deux ou plusieurs structures métalliques en contact avec le sol pour une utilisation en toute sécurité des appareils ménagers. La mise à la terre naturelle est également divisée en les types suivants:
- Pipelines à usages divers, enfouis dans le sol.
- Renforcement des structures du bâtiment, qui est immergé dans les couches de sol.
Ces types de contour de protection doivent être reliés à l'objet avec au moins deux éléments. En règle générale, ils sont installés dans différentes parties de la structure.
Il est interdit d'utiliser comme protection naturelle :
- systèmes de chauffage et canalisations d'égouts;
- tuyaux dont la surface est recouverte d'un composé anti-corrosion;
- structures métalliques destinées au transport de substances inflammables et toxiques.
Un contour artificiel est une structure spéciale en métal. Pour le travail, ils sont immergés dans des couches de sol. Les exemples les plus courants de circuits de sécurité artificiels sont :
- Feuilles de métal noyées dans le sol. Ils peuvent être caractérisés par différentes formes et tailles.
- Barres, cornières, tuyaux et poutres en acier placés dans le sol.
Chaque élément du circuit artificiel doit nécessairement avoir des conducteurs électriques résistants à la corrosion en zinc ou en cuivre.
Types de mise à la terre artificielle
Le principal document réglementaire en Russie qui autorise l'utilisation de différents systèmes de mise à la terre est le PUE, clause 1.7. Il a été développé en tenant compte des méthodes d'agencement des systèmes de mise à la terre, de leur classification et de leurs principes. Le document a été approuvé par un protocole spécial de la Commission électrotechnique internationale.
Les noms abrégés des systèmes existants sont des combinaisons des premières lettres des mots français.
- T - mise à la terre.
- N - connexion au neutre.
- I - l'isolement.
- C - connexion des conducteurs neutres de travail et de protection en un seul fil.
- S - utilisation séparée des conducteurs neutres de protection et de travail.
Pour comprendre quelles sont les différences et comment elles sont mises en œuvre, vous devez vous familiariser plus en détail avec chaque variété.
Dispositif de mise à la terre TN
Pour mettre en œuvre le procédé, il est nécessaire d'enfoncer technologiquement un groupe de broches dans le sol en position verticale de sorte que la profondeur soit d'au moins 2,5 mètres. Toutes les broches doivent être connectées les unes aux autres à l'aide d'un câble et d'une bande pour former un seul contour d'un bâtiment résidentiel.
Système TN-C
Aujourd'hui, ce type comporte un danger potentiel, car il n'a pas un seul conducteur séparé.Si, en cas d'urgence ou de situation anormale, le fil neutre est coupé, tout le potentiel électrique est concentré sur les appareils, ce qui présente déjà un danger pour la santé et la vie humaine, il y a un risque d'incendie.
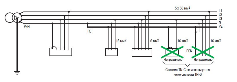
Système TN-S

Un nouveau système de mise à la terre est utilisé dans les nouveaux bâtiments en cours de conception. L'essence de sa mise en œuvre réside dans la présence d'un fil de phase séparé, neutre et conducteur de protection. Les conducteurs PE et N sont des composants séparés du système d'alimentation.
Parmi les méthodes acceptées et approuvées de mise à la terre du réseau électrique, le système TN-S est considéré comme le plus sûr et le plus fiable. Parmi les inconvénients, il faut souligner le coût élevé.
Système de mise à la terre TN-C-S

Ce système de mise à la terre a incorporé les meilleures qualités de ses prédécesseurs et a partiellement éliminé leurs inconvénients. La méthode est relativement simple à mettre en œuvre, un autre avantage de la vue est qu'elle peut être mise en œuvre lors de la reconstruction et de la modernisation de bâtiments vétustes. Il s'agit d'organiser le système TN-C, ici le fil neutre est divisé en deux conducteurs N et PE, puis la méthode TN-S commence à être mise en œuvre.
Cependant, le problème du circuit de protection du système TN-C n'a pas encore été résolu. Si le bus tombe en panne, tout le potentiel électrique est concentré sur les appareils électroménagers. Il est possible de remédier à cet inconvénient à l'aide de structures auxiliaires, par exemple un relais de tension, capable de procéder automatiquement à une déconnexion d'urgence des appareils du réseau.
Mise à la terre fonctionnelle type TT
La mise à la terre fonctionnelle est utilisée dans les conditions où il est tout simplement impossible d'organiser un circuit de mise à la terre de type TN. L'essence de la mise en œuvre réside dans deux dispositifs de mise à la terre séparés. Le plus souvent utilisé lors de la pose de lignes électriques aériennes. Il est également utilisé en cas d'urgence des conducteurs neutres.
La particularité de protéger une personne contre les chocs électriques réside dans l'installation et l'utilisation obligatoires d'un dispositif à courant résiduel avec un courant différentiel ne dépassant pas 30 mA.
Schéma de mise à la terre informatique
Seul le neutre du transformateur est mis à la terre à l'aide d'une instrumentation, qui remplit la fonction de protection contre les fuites électriques. Si les appareils consomment trop d'énergie, ils s'éteindront.
L'objectif principal de la mise à la terre est de sécuriser l'utilisation des appareils électriques et de prolonger leur durée de vie. Ne négligez pas la conception et la construction de la mise à la terre, c'est un risque injustifié.














