Un relais intermédiaire est une partie d'un dispositif électronique utilisé dans les circuits électriques et électroniques pour convertir et amplifier les signaux électriques, les circuits ouverts et fermés. L'appareil coordonne le travail des unités d'équipement, des éléments individuels, des appareils puissants. Utilisé dans presque toutes les industries et appareils électroménagers.
Affectation relais intermédiaire

Il s'agit d'un dispositif auxiliaire conçu pour contrôler le fonctionnement de diverses machines et complexes. Assure le fonctionnement de plusieurs circuits électriques à la fois, lorsqu'il est nécessaire de commuter simultanément différents contacts.
Par exemple, l'un des contacts doit déclencher une alarme sur l'écran du relais et l'autre doit s'éteindre. Ou, à l'aide d'une connexion, la machine est démarrée, l'autre éteint une autre partie de l'appareil.
De plus, un relais intermédiaire (RP) est utilisé pour ralentir la réaction aux charges élevées nécessaires. Pour surveiller un relais principal qui commute des courants élevés dans des conditions de haute tension.
Un relais intermédiaire est appelé car dans le circuit de commande il se situe entre la source de l'impulsion qu'il commande et les circuits exécutifs de puissance.
appareil RP

La conception de l'appareil dépend du fabricant et peut être modifiée en fonction de l'objectif. Un appareil standard se compose des composants suivants :
- une bobine électromagnétique avec un noyau ;
- circuit magnétique;
- mécanisme à ressort;
- groupe de contacts.
L'enroulement de la bobine contient un grand nombre de tours de fil de cuivre isolé. À l'intérieur, il y a un noyau métallique qui est fixé avec une plaque en forme de L (joug). Une plaque ou une ancre est installée au-dessus de la bobine. Il est en métal et est maintenu en place par un ressort de rappel. Les contacts mobiles sont fixés à l'ancre. Une paire de contacts fixes est située en face. Le noyau et la bobine forment ensemble un électro-aimant. Des pièces telles que la culasse, le noyau et l'armature font partie intégrante du circuit magnétique.
RP peut être conçu pour le courant continu et alternatif, avec une tension de 12 à 220 volts. Extérieurement, les appareils ne sont pas différents. Le dispositif à courant continu a un circuit magnétique monobloc. S'il est assemblé à partir de plaques séparées, l'appareil est conçu pour fonctionner avec un courant alternatif ne dépassant pas 10 ampères.
Pour faciliter l'installation, l'appareil utilise une sorte de patins, ce qui permet d'installer un relais intermédiaire pour 220V sur un rail din. Le luminaire a des trous pour les contacts de relais, ainsi que des vis de contact pour connecter des conducteurs externes. Les broches d'entrée et de sortie sont numérotées de la même manière.
Types de relais intermédiaires

De par leur conception, ils sont divisés en relais intermédiaires électromagnétiques ou dispositifs mécaniques et électroniques. Les relais mécaniques peuvent fonctionner dans diverses conditions. Ce sont des instruments durables et fiables, mais pas assez précis. Par conséquent, le plus souvent, leurs analogues sont montés dans le circuit - des relais électroniques sur un rail DIN. De plus, le relais peut être installé sur une surface plane. Pour ce faire, les serrures doivent être écartées.
Par objectif, les appareils sont divisés dans les catégories suivantes.
- Dispositifs interdépendants combinés fonctionnant en groupe.
- Dispositifs logiques qui fonctionnent sur des microprocesseurs dans un circuit avec des relais numériques.
- Mesure, avec un mécanisme de réglage, déclenchée par un certain niveau de signal.
Selon le mode de fonctionnement du RP, il existe des directs qui ouvrent ou ferment directement le circuit et des indirects qui fonctionnent avec d'autres appareils. Ils n'ouvrent pas le circuit immédiatement après la réception d'un signal.
Il existe des dispositifs du type de commutation maximum, lorsque l'actionnement se produit au moment où la valeur seuil du paramètre du circuit est augmentée. Le type minimum est déclenché lors du déclassement.
Selon la méthode de connexion au circuit, il existe des primaires qui peuvent être connectés directement au circuit. Les secondaires sont installés à travers des inductances ou des condensateurs.
Il existe un groupe de relais de protection, de principe similaire aux relais intermédiaires. Distinguer les dispositifs semi-conducteurs, l'induction, la polarisation et l'électromagnétique. Par exemple, un moniteur de phase est un relais kv.
Principe d'opération

La base du fonctionnement est l'interaction coordonnée du flux magnétique de la bobine et de l'armature mobile, qui est magnétisée par ce flux. L'armature est maintenue par un ressort et ne touche pas le noyau tant que la tension n'est pas appliquée à l'enroulement.
Lorsque le courant commence à circuler, le champ magnétique magnétise le noyau. Il attire l'armature, forçant la tension du ressort. Les contacts mobiles sur l'armature se déplacent, se ferment ou s'ouvrent avec des contacts fixes. Après avoir coupé la tension, le courant disparaît, le noyau est démagnétisé, le ressort de rappel ramène l'armature et les contacts dans leur position d'origine.
En ce qui concerne la fonction du relais, les contacts peuvent être normalement ouverts, normalement fermés et inverseurs. Un appareil peut avoir plusieurs groupes de contacts à la fois. Cette conception vous permet de contrôler plusieurs circuits électriques en même temps.
Il existe des exigences particulières pour les contacts. Ils doivent avoir une bonne conductivité électrique, une faible résistance de contact, aucune tendance à être soudés, ainsi qu'une grande résistance à l'usure et une longue durée de vie.
Les contacts sont constitués d'un alliage de métaux durs et réfractaires, compositions de cermet. Le plus souvent, ils sont en argent. Le matériau a une faible résistance, une conductivité électrique élevée, de bonnes propriétés technologiques, en outre, il est relativement peu coûteux.
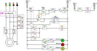
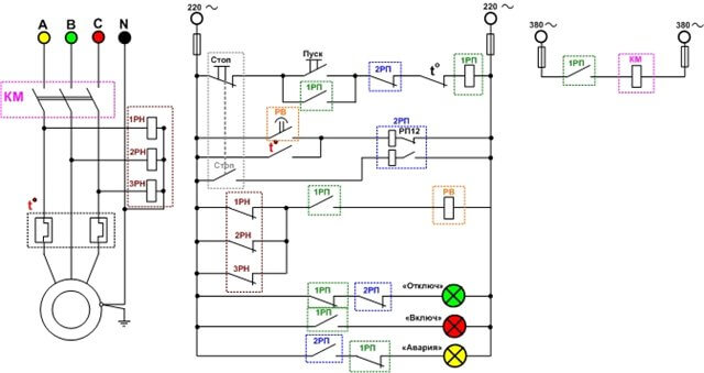
Dans les schémas, la bobine du relais est désignée par un rectangle avec la lettre "K" et un numéro de série. Les contacts sont écrits avec la même lettre, mais avec deux chiffres. Parmi ceux-ci, le premier désigne le numéro de série du relais et le second - le numéro du groupe de contacts auquel il appartient. Les nombres sont écrits à travers un point. Les contacts sont reliés par une ligne pointillée droite s'ils sont adjacents.
Les contacts du schéma sont représentés à condition qu'aucune tension ne soit appliquée au relais. Le schéma et la désignation de la sortie de contact sont généralement indiqués par le fabricant sur le couvercle qui recouvre la partie active de l'appareil.
Champ d'application

Le RP est présent dans presque tous les circuits d'alimentation, de commande et de protection. Les appareils de commutation sont utilisés dans les sous-stations, les salles de contrôle, les chaufferies. Sur la ligne de production, l'appareil peut effectuer à la fois simultanément et séquentiellement plusieurs commutations dans des circuits de commande ou de puissance. Le RP est largement utilisé pour les ordinateurs, les télécommunications, les installations de contrôle et d'autres appareils électroniques.
Dans les systèmes d'alimentation en eau et de chauffage, lorsque la pompe submersible est allumée, la batterie est alimentée. Lorsque les contacts sont fermés, le système de contrôle commence à fonctionner. L'écran affiche les paramètres de tension, les courants de phase de la charge, la température, si nécessaire, et d'autres données en fonction de la complexité du circuit.
Dans le système de chauffage, le relais agit comme un amplificateur de signal de commande. Le capteur de chaleur donne un signal qui allume le RP.Les contacts de ce dernier appliquent une tension à l'enroulement, après quoi les contacts sont fermés. Ainsi, l'alimentation est connectée à un élément chauffant, une chaudière, une chaudière et d'autres appareils de chauffage puissants.
Paramètres du produit
- sensibilité;
- courant (tension) de fonctionnement, de déclenchement, de maintien ;
- facteur de sécurité;
- courant de travail;
- résistance d'enroulement;
- Capacité de commutation;
- dimensions;
- isolation électrique.
Vous devez savoir à quelle température et à quelle humidité l'appareil peut être utilisé, l'explosivité de l'environnement de travail, la concentration de poussière admissible. Ces paramètres sont indiqués dans les spécifications techniques ou le manuel d'utilisation. Le type de courant et la tension de fonctionnement sont indiqués sur le bobinage de l'appareil.
Le PR est une partie importante et intégrale de la plupart des chaînes énergétiques. La variété des modèles indique qu'un tel dispositif de commutation est capable de remplir pleinement de nombreuses fonctions dans n'importe quel circuit.









