Dans les circuits d'alimentation de 380 volts avec des courants élevés, selon le PUE, un convertisseur de conception spéciale, appelé transformateur de courant, est utilisé. Avec son aide, il est possible de réduire la valeur de l'indicateur de courant du nombre de fois spécifié par les caractéristiques techniques. Pour comprendre le principe de fonctionnement de tels convertisseurs, vous devrez vous familiariser avec leur conception.
Caractéristiques de conception

Les transformateurs de courant électrique contiennent les éléments structurels suivants :
- noyau fermé (circuit magnétique);
- enroulement de puissance primaire;
- bobine secondaire (abaisseur).
L'enroulement primaire est connecté en série avec le circuit surveillé, de sorte que tout le courant de phase le traverse. La bobine secondaire est chargée sur un appareil connecté au réseau - un relais de protection ou un appareil de mesure. En raison de la différence du nombre de spires dans chacune des bobines, la composante de courant dans l'enroulement secondaire est réduite à une valeur déterminée par le rapport de transformation.

La résistance des circuits de charge étant insignifiante, on pense que ces dispositifs fonctionnent dans un mode très proche du court-circuit.
Ils ont généralement plusieurs groupes d'enroulements secondaires, chacun étant utilisé à ses propres fins. Ils peuvent être connectés à :
- dispositifs de protection (relais de tension par exemple) ;
- matériel de comptabilité et de diagnostic;
- équipement de contrôle.
La résistance des enroulements de sortie est strictement normalisée, car même un léger écart par rapport à la valeur spécifiée dans le TU entraîne une augmentation de l'erreur de mesure ou une détérioration des caractéristiques de réponse.
La différence essentielle entre un TT et ses transformateurs de tension associés réside dans les fonctions remplies par ces appareils et le principe de fonctionnement. Les transformateurs de courant assurent principalement la protection de la charge connectée et la précision spécifiée des mesures. Le second type se caractérise par un mode de fonctionnement purement convertisseur, qui n'est lié qu'au fonctionnement dans les circuits de puissance.
Classification des transformateurs de courant
- Objectif - la fonction exécutée par chaque appareil spécifique.
- Méthode d'installation sur site.
- Caractéristiques de conception, y compris le nombre total de tours dans l'enroulement primaire.
- Tension de fonctionnement et type d'isolation des conducteurs.
- Le nombre d'étapes de transformation.
Selon le but, les échantillons TT connus sont divisés en dispositifs de laboratoire, de protection, de mesure et dits "intermédiaires".

Cette dernière catégorie est destinée soit au raccordement d'instruments de mesure, soit à l'égalisation des valeurs de courant dans les systèmes de protection différentielle.
Selon la méthode d'installation, on distingue les types suivants:
- uniquement pour une installation à l'extérieur (dans des armoires de commutation) ;
- pour les schémas d'installation internes (dans l'appareillage intérieur);
- convertisseurs intégrés dans les unités électriques et les dispositifs de commutation, qui comprennent les générateurs et les transformateurs de puissance ;
- dispositifs aériens montés sur le dessus de la structure (sur bagues).
Les échantillons portables sont utilisés pour la recherche en laboratoire ainsi que pour l'inspection et la mesure.

Selon la conception de l'enroulement primaire, les appareils actuels sont divisés en modèles multitours, monotours et bus. En fonction de la tension de fonctionnement des circuits dans lesquels ces appareils sont installés, ils sont divisés en transformateurs installés dans des réseaux jusqu'à et plus de 1000 Volts.
Selon le type de matériaux isolants utilisés, ces produits sont divisés en types suivants:
- avec isolation « sèche » à base de porcelaine ou de résine époxy ;
- avec protection papier-huile ou condenseur;
- avec remplissage composé.
Selon le nombre d'étages de transformation disponibles, tous les dispositifs connus installés dans le circuit d'alimentation sont à un étage et à deux étages (leur autre appellation est « cascade »).
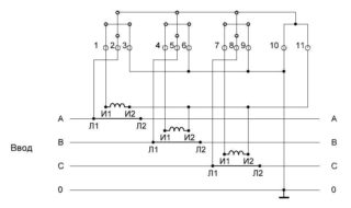
Schémas de connexion

Les différents circuits de connexion des transformateurs de courant diffèrent principalement par l'ordre de commutation des enroulements primaire et secondaire. Le premier d'entre eux se caractérise par la connexion séquentielle la plus simple (appelée « tie-in ») dans la rupture du bus de phase surveillé. Une autre chose concerne les circuits secondaires, constitués de plusieurs enroulements, qui peuvent être déconnectés selon les schémas suivants:
- « Pleine étoile, utilisée lorsqu'il est nécessaire de surveiller les paramètres de courant dans chacune des phases.
- "Étoile incomplète", utilisée lorsqu'il n'est pas nécessaire de contrôler tous les circuits de mesure linéaires.
- Un circuit de fixation des courants de "séquence zéro", qui comprend un relais de commande.
Sur les départs 6-10 kV, afin d'économiser de l'argent, non pas trois, mais seulement deux transformateurs de mesure (sans une phase) sont souvent installés.
Dans ce cas, les enroulements secondaires sont activés dans un schéma en étoile incomplet. Un circuit commun appelé "courants homopolaires" est formé en connectant les enroulements secondaires à une étoile pleine. Dans ce cas, le relais de commande utilisé est inclus dans la rupture du fil commun ("zéro"). Avec ce type de déconnexion, le courant traversant l'enroulement est composé des trois vecteurs de phase. Si les charges sont équilibrées, en cas de court-circuit monophasé ou biphasé, la composante résultant du déséquilibre est libérée dans le relais.
Principaux paramètres et caractéristiques des transformateurs de courant

Les paramètres techniques de tout transformateur de courant sont décrits par les principaux indicateurs suivants:
- classe d'appareils ;
- Tension nominale;
- courants dans les bobines primaire et secondaire;
- Rapport de transformation AC (sous forme de rapport);
- erreur de mesure admissible lors du raccordement d'un compteur électrique ;
- perméabilité et section du circuit magnétique (noyau);
- l'amplitude du chemin magnétique.
La tension nominale en kilovolts est généralement indiquée dans le passeport attaché à chaque appareil spécifique. Sa valeur de fonctionnement varie de 0,66 à 1150 kV. Pour des informations plus complètes sur cet indicateur et d'autres, vous devriez lire la littérature de référence sur la connexion des transformateurs aux compteurs électriques.
Parfois, sous la commande, le fabricant fabrique des appareils avec des courants secondaires de 2,0 ou 2,5 ampères.
Le rapport de transformation (multiplicité) est un indicateur de la proportion ou du rapport des courants des bobines primaire et secondaire. La multiplicité limite s'entend comme le rapport du courant primaire maximal à sa valeur nominale, à condition que l'erreur totale à une charge secondaire fixe ne dépasse pas 10 %. Le rapport limiteur nominal signifie le même indicateur à charge optimale.Ce paramètre caractérise la possibilité de fonctionnement normal des dispositifs de protection en mode d'urgence.
Erreur actuelle

Selon GOST 7746-89, il existe trois types d'erreurs pour les TC - courant, angulaire et total. Ce sont des indicateurs quantitatifs de l'écart des valeurs de courant secondaire, multipliées par le facteur nominal, par rapport à l'indicateur primaire.
La norme prescrit de calculer de telles erreurs uniquement dans le mode de fonctionnement en régime permanent (à paramètres constants) du système et uniquement si la forme du courant primaire ne diffère pas de la forme sinusoïdale.
L'erreur de courant mentionnée dans la description de la multiplicité caractérise la différence relative des valeurs effectives des courants, exprimée en pourcentage. Son équivalent angulaire est défini comme l'erreur entre les vecteurs de deux composantes de courant efficaces : le fondamental pour le circuit primaire et le premier harmonique pour le secondaire. Sur la base de ces deux valeurs, l'erreur totale est calculée en les additionnant selon la formule donnée dans les instructions.
Le but principal de la mesure des transformateurs de courant est de connecter les compteurs d'énergie utilisés pour entretenir les lignes électriques triphasées.










