Le paiement de l'électricité consommée s'effectue sur la base des relevés des compteurs électriques. L'installation des appareils est obligatoire pour tous les utilisateurs et locaux utilisant la ressource correspondante. Il existe plusieurs variantes et modèles, qui diffèrent par le type de connexion et le niveau de charge ultime. La connexion des transformateurs de courant à un compteur triphasé s'effectue de différentes manières - le choix d'un circuit dépend de la pièce et de la tension.
- Exigences générales
- Le principe de fonctionnement des transformateurs de mesure
- Schémas de connexion
- Installation d'un compteur avec transformateurs de courant
- Installation d'un compteur multitours
- Circuit à dix fils
- Circuit à sept fils
- Schéma de circuit combiné
- Autres systèmes de connexion
- Comptage d'électricité avec transformateurs de courant
Exigences générales

Les transformateurs de courant sont des équipements installés pour réduire (convertir) l'indicateur à un niveau normal pour le fonctionnement des mécanismes de mesure et de contrôle (compteurs).
En d'autres termes, ces appareils (fabriqués par Mercury, Lenelectro et autres) sont installés dans des zones à forte puissance dans le cas où la connexion directe est impossible en raison de courants élevés. Une connexion directe sans fusible approprié brûlera les bobines magnétiques et endommagera l'équipement.
En règle générale, les maîtres des organisations spéciales d'installation et de mise en service sont engagés dans la connexion des transformateurs de courant. Les grandes industries ont des ateliers et des laboratoires séparés.
Tout d'abord, un audit de l'équipement est effectué - un examen externe, un contrôle de fonctionnement et de puissance maximale. De plus, la tangente du fil isolant interne et la résistance sont mesurées. Sur la base des données obtenues, un schéma de connexion est sélectionné, un marquage est effectué, le nombre de trous requis est percé.
Le principe de fonctionnement des transformateurs de mesure
Pour réduire, un rapport de transformation est utilisé, grâce auquel moins d'électricité pénètre dans l'enroulement secondaire. Cela garantit le fonctionnement normal du compteur, et les indicateurs de sortie doivent être multipliés par le nombre du coefficient afin d'obtenir la vraie valeur de la tension consommée.
Ainsi, le mécanisme du transformateur convertit la haute tension à l'entrée en une tension acceptable pour le compteur. L'équipement fonctionne à une fréquence de 50Hz et un courant de 5A. par exemple, si l'appareil a une charge nominale de 100 A, la sortie est multipliée par 20 (100 divisé par 5).
Grâce aux adaptateurs, les compteurs sont protégés contre les surtensions, les courts-circuits et les surcharges. De plus, si un transformateur grille, il est plus facile de le remplacer qu'un compteur électrique.
Lors de la connexion, il convient de considérer certains inconvénients. L'option la plus courante est que la valeur de départ du courant du compteur n'est pas prise en compte. Dans ce cas, le compteur ne pourra tout simplement pas commencer à fonctionner.
Une polarité de connexion incorrecte est une autre erreur courante.Il y a deux bornes à l'entrée de la bobine primaire - une pour la phase L1, l'autre pour la charge L2. La bobine de mesure de la bobine est également équipée de deux bornes (I1 et I2). Le câble doit être connecté aux contacts correspondants, après avoir préalablement calculé la charge maximale.
Si les microcontacts et les fils ne sont pas correctement connectés, un court-circuit se produira. Cela peut entraîner des pannes d'appareils, des incendies.
Schémas de connexion

Les compteurs électriques et les transformateurs sont connectés en tenant compte des exigences de sécurité et des règles de fonctionnement, ainsi que des caractéristiques de l'appareil lui-même. La température minimale d'installation est de + 5˚ Celsius. Sinon, la connexion technique correcte ne fonctionnera pas - les appareils fonctionnant avec une tension et des courants ne tolèrent pas mal les basses températures.
Si vous devez connecter un transformateur à l'extérieur pendant la saison froide, vous devez construire une armoire spéciale - isolée et scellée. L'appareil lui-même est généralement installé à une hauteur de 1 à 1,7 mètre.
Installation d'un compteur avec transformateurs de courant
Il n'est pas toujours possible de mesurer l'électricité consommée grâce à un compteur connecté directement à l'alimentation électrique (à une prise). Dans les circuits avec une tension de 380 Volts et des limites de courant de plus de 100A - en conséquence, la consommation s'élève à 60 kW - l'installation d'un transformateur de courant de mesure est nécessaire. Une telle connexion du maître est appelée indirecte, mais cette méthode donne les données les plus précises. De plus, il existe deux autres méthodes :
- semi-indirect;
- Star.
Le premier est utilisé dans les installations industrielles et les grandes usines avec une consommation électrique de plus de 0,4 kW et un courant de plus de 100A.
Le schéma en étoile, à son tour, peut être complet ou incomplet. Pour une étoile complète, des appareils avec une répartition de charge uniforme et un flux de courant symétrique conviennent. Le transformateur est installé sur toutes les phases et l'enroulement du relais est connecté en étoile.
Incomplet - circuit biphasé à deux relais avec formation d'une partie d'étoile. Ce circuit réagit rapidement aux courts-circuits (sauf pour la mise à la terre), et il est également possible de l'installer sur des écrans d'interphase.
Installation d'un compteur multitours
Un compteur de connexion de transformateur triphasé est utilisé dans les réseaux multifilaires. Avec les connexions multitours, l'enroulement primaire de la bobine est remplacé par un câble. L'appareil contrôle le flux de courant à travers l'enroulement secondaire. Sinon, le transformateur fonctionne sur le même principe que les autres types d'équipements.
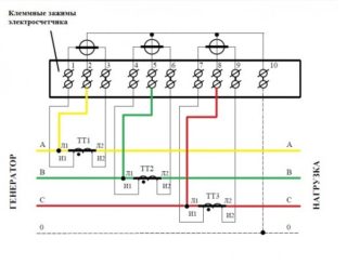
Circuit à dix fils

Cette méthode de connexion convient à une utilisation dans des circuits de puissance puissants, dont le fonctionnement est assuré par des transformateurs. Le découplage galvanique est adapté aux besoins industriels et domestiques et garantit le fonctionnement sûr de l'équipement. Séquence de connexion par borne (du premier au dernier) :
- phase, entrée (A);
- circuit de mesure du mécanisme de phase, entrée;
- entraînement de mesure, sortie (A);
- borne, phase, entrée;
- circuit de mesure du mécanisme de phase, sortie (V);
- phase, sortie (V);
- phase, entrée (C);
- boucle, mesure de phase - entrée.
Le circuit à dix fils ne nécessite pas de couper l'alimentation lors du remplacement du compteur et de l'exécution d'autres travaux. Les circuits de courant sont mis à la terre de manière fiable, ce qui élimine la possibilité d'une accumulation potentielle indésirable. Chaque phase est assemblée indépendamment les unes des autres - en cas de panne sur l'une, les autres continueront de fonctionner.
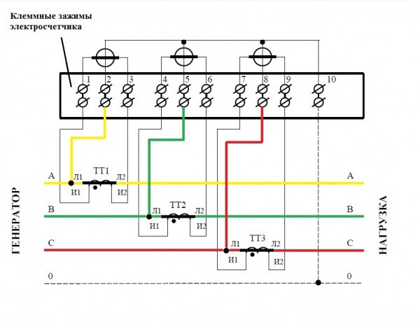
Circuit à sept fils

Ce schéma de connexion présente un certain nombre d'avantages et quelques inconvénients. Légèrement différent de dix fils. Il est pratique de travailler avec le compteur - il n'est pas nécessaire d'éteindre complètement le système lorsque vous travaillez avec le panneau, les appareils de mesure et les transformateurs.
Grâce aux circuits de courant mis à la terre, un potentiel dangereux ne s'accumule pas aux sorties des enroulements secondaires, ce qui conduit souvent à des courts-circuits et à un grillage des équipements. Un boîtier de test est connecté au secteur, ce qui permet de déconnecter les circuits d'alimentation en toute sécurité.
La méthode à sept fils est l'une des méthodes obsolètes, rarement utilisées. Les électriciens professionnels ne recommandent pas de se connecter de manière plus moderne.
Schéma de circuit combiné
Ce schéma est très différent des précédents. Les transformateurs de courant à circuits combinés sont connectés via des cavaliers spéciaux (le chemin est obtenu de L1 à L2).
Un tel schéma de raccordement du transformateur au compteur n'est pas conforme aux règles de sécurité actualisées en vigueur aujourd'hui. Par conséquent, l'utilisation de chaînes combinées est interdite - à la fois dans la production et dans les conditions domestiques.
Autres systèmes de connexion
En plus de ceux indiqués, il existe d'autres schémas pour connecter le compteur au transformateur. L'utilisation d'un bloc de test dans la connexion - conformément à la clause 1.5.23 des règles d'installation électrique - est nécessaire lors de l'activation d'un compteur exemplaire. Il s'agit d'un équipement supplémentaire qui permet de dériver et de déconnecter les circuits de courant, en activant les compteurs sans réduire la charge de tension. Un autre point est la possibilité de lectures phase par phase.
La base de la connexion à travers le boîtier de test est un circuit à dix fils. La différence réside dans l'installation entre le dispositif de mesure et la structure du transformateur du bloc adaptateur avec les fonctions de protection et de distribution nécessaires.
Comptage d'électricité avec transformateurs de courant
Le compteur d'électricité est le principal appareil qui indique la consommation d'énergie actuelle. Les modèles modernes donnent des lectures avec une plus grande précision, il est possible de configurer plusieurs modes de fonctionnement (par exemple, différents comptages le jour et la nuit - les tarifs diffèrent). Les assistants recommandent d'installer des équipements électroniques, pas l'induction. Les premiers sont beaucoup plus chers, mais reflètent des données plus précises.
La première chose à laquelle ils prêtent attention est le nombre de phases dans le réseau. Les compteurs et les transformateurs doivent avoir le même nombre de phases avec le réseau.
Les appareils triphasés sont autorisés sur les réseaux monophasés (et non l'inverse), mais ils sont plusieurs fois plus chers. Une option similaire est utilisée si un tel transformateur est disponible.
Un point important est la classe de précision des transformateurs. La plupart des installations utilisent le marquage 2.0, ce qui est suffisant pour la production moyenne et les besoins des ménages. Pour les usines à grande échelle, les sous-stations, les bâtiments, une classe supérieure est requise - 1,0. La meilleure option si la désignation est complétée par la lettre S, ce qui signifie la précision maximale de l'appareil.
L'électricité est une marchandise pour l'utilisation de laquelle vous devez payer une certaine redevance. Pour différentes situations - industrie, appartements, équipements sociaux, autres - des tarifs séparés sont fournis. Pour payer correctement l'énergie consommée, un comptage correct et précis est nécessaire.
Si le compteur fonctionne correctement, scellé par les services compétents, ses relevés sont transmis à l'organisme avec lequel le contrat de fourniture d'électricité a été conclu. En outre, conformément à l'électromère, le paiement est calculé.
Pour les grandes installations utilisant la haute tension, l'installation de transformateurs est nécessaire. Sinon, il sera impossible d'utiliser des compteurs d'électricité et de faire des relevés, de conserver des enregistrements du courant consommé.










