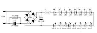
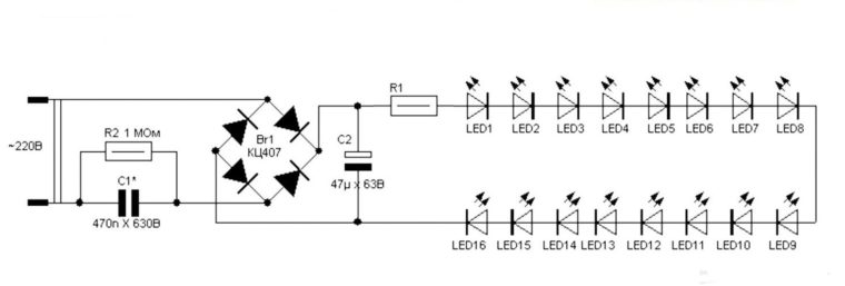
Les lampes à LED gagnent rapidement en popularité en raison du grand nombre d'avantages par rapport aux analogues: efficacité et respect de l'environnement d'utilisation, longue durée de vie. Pour une utilisation dans la vie de tous les jours, les appareils d'éclairage sont fabriqués avec une tension de fonctionnement de 220 et 12 volts.
Comment connecter une lampe LED à 220V

Le principal avantage de telles lampes par rapport à celles fonctionnant à partir de 12 volts est qu'elles peuvent être alimentées directement à partir d'un interrupteur. En conséquence, des coûts financiers supplémentaires ne sont pas nécessaires pour l'achat d'une alimentation électrique et l'installation n'est pas difficile. Il existe plusieurs façons d'installer des lumières LED :
- connexion série;
- parallèle;
- faisceau.
Chacun est utilisé dans des situations différentes et a ses propres avantages et inconvénients.
Cohérent

La connexion série est utilisée dans le cas où vous devez économiser la longueur du câble, et en même temps, il n'y a pas d'exigences particulières pour la pièce. Plusieurs fils doubles ou triples sont nécessaires pour la mise en œuvre. Pas plus de six ampoules LED peuvent être installées dans un circuit, sinon la luminosité sera faible. Si une lampe tombe en panne, vous devrez vérifier les performances de chacune afin d'éliminer la panne.
La connexion elle-même ne devrait pas être difficile. Une phase est conduite vers le premier luminaire depuis l'interrupteur, puis depuis le premier interrupteur, le câble est tiré vers l'appareil suivant. Un zéro est mis au dernier luminaire, qui vient de la boîte de jonction.
Si vous faites une erreur dans le circuit et mélangez l'alimentation avec zéro, les lampes seront sous tension constante, ce qui est dangereux.
Parallèle

La connexion parallèle est plus pratique et utilisée plus souvent. Au cours du processus de mise en œuvre, chaque lampe donnera la luminosité déclarée par le fabricant. Le seul inconvénient que l'on peut distinguer est la consommation accrue du conducteur par rapport à la connexion série.
Il est recommandé de privilégier le câble VVG ng 2 * 1.5 ou 3 * 1.5. La désignation indique la présence d'une gaine en PVC - un matériau isolant de haute qualité. Dans le marquage, la marque « ng » indique l'incombustibilité du modèle. S'il y a des exigences particulières pour la pièce, ils utilisent parfois des fils avec le marquage supplémentaire "ls", ce qui signifie qu'une petite quantité de fumée est émise lors de l'allumage.
Pour connecter le luminaire, un câble est tiré de la boîte de jonction à travers l'interrupteur. Il est alternativement connecté à chaque lampe. Après la première lampe, le câble est coupé et acheminé au suivant jusqu'à ce que tous les appareils soient connectés à un système commun.
L'avantage de la connexion parallèle est que même si une lampe tombe en panne, le circuit sera entièrement fonctionnel.
Faisceau

De par sa nature, le schéma de faisceau fait référence à une connexion parallèle, souvent utilisée pour les lustres. Le principe de réalisation consiste à poser un câble à chaque dispositif d'éclairage individuellement. Cette méthode est la plus longue et nécessite des coûts financiers importants en raison de la grande quantité de fil utilisé.Pour économiser de l'argent, le câble du standard est conduit au centre de la pièce et de là à chaque lampe. De plus, des fils monoconducteurs sont acheminés vers la phase et le zéro, qui sont posés sur les lampes.
Au stade de la conception, il est important de décider comment les conducteurs seront connectés à un câble séparé. S'il y a peu de lampes, une torsion suffit. Pour des raisons de sécurité, il est serti de manière fiable avec une pince et soudé avec un fer à souder. Il existe une alternative à cette méthode - acheter des terminaux avec un certain nombre de sorties. Un connecteur est mis sur chaque noyau et seulement après que les fils soient tirés vers les appareils d'éclairage.
Le schéma de connexion des lampes à LED dans tous les cas ne présente aucune différence fondamentale.
Outils requis

Pour connecter des appareils d'éclairage de vos propres mains, vous aurez besoin des outils de travail suivants:
- un jeu de tournevis (plats et cruciformes) ;
- un outil conçu pour dénuder les fils (retirer la couche isolante) ;
- pinces.
Comme le montre la pratique, il ne faut pas plus de 10 à 15 minutes pour installer l'appareil de vos propres mains.
Caractéristiques de la fixation et de la connexion des plafonniers
Selon l'apparence et les caractéristiques de conception, l'installation d'un modèle particulier au plafond peut différer. Algorithme de montage du luminaire au plafond :
- À l'endroit prévu pour le plafond, des trous sont percés pour la plaque de montage à côté de la sortie de fil.
- Les trous de fixation ne doivent être faits que dans une base solide. Si, lorsque vous travaillez avec une perceuse, la plaque de montage tombe dans le vide, il est nécessaire de percer des trous à un autre endroit, respectivement, de déplacer le luminaire.
- La plaque de montage est solidement fixée dans une position.
- Si le luminaire LED n'est pas fixé sur une base solide, vous devez d'abord veiller à une fixation sécurisée.
- Le RCD ou le compteur électrique est hors tension, les contacts du dispositif d'éclairage sont connectés à la ligne électrique.
- Le luminaire déjà connecté est poussé sur la patte de la plaque de montage et est solidement fixé à l'aide des éléments de fixation.
- Des pièces transparentes, par exemple un verre de protection ou une hotte, sont placées sur le luminaire LED fixe.
La dernière étape est une vérification obligatoire du fonctionnement des dispositifs d'éclairage.
Précautions
Pendant l'exécution du travail, vous devez vous rappeler d'observer les précautions de sécurité personnelle.
Il est nécessaire de mettre la pièce hors tension et à la sortie où des travaux doivent être effectués, vérifier la tension à l'aide d'un tournevis indicateur. Il est également important de laisser un espace libre autour du luminaire. Si vous négligez cette règle, les lampes surchaufferont, ce qui entraînera leur défaillance rapide ou leur incendie.











