Les immeubles résidentiels modernes se caractérisent par la présence de longues volées d'escaliers et des mêmes couloirs à l'intérieur de l'appartement, qui ne sont pas très pratiques en termes de contrôle de l'éclairage. Afin de résoudre ce problème, les fabricants de produits d'installation ont développé des échantillons modernes de commutateurs, appelés commutateurs pass-through. Ils permettent d'allumer et d'éteindre l'éclairage dans un couloir commun ou dans un appartement à partir de deux endroits à la fois. Les modèles courants de la société Legrand (Cariva, Etika, etc.) entrent également dans cette catégorie, appréciés par la majorité des utilisateurs domestiques pour leur fiabilité et leur design attrayant.
- Domaines d'application des interrupteurs à deux boutons
- Interrupteur lumineux à deux bascules
- Caractéristiques de la connexion du rétroéclairage
- La procédure de démontage de l'ampoule de rétroéclairage
- Procédure d'installation pour les modèles Legrand conventionnels
- Les nuances de la connexion des interrupteurs de Legrand
- Installation directe
Domaines d'application des interrupteurs à deux boutons

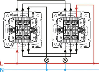
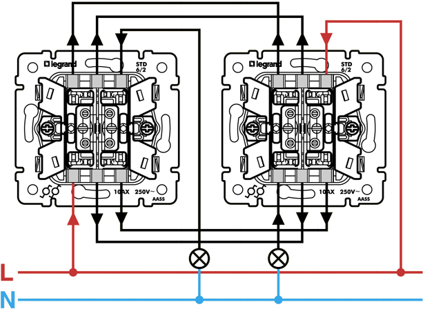
Pour résoudre le problème des longs couloirs, l'entreprise a développé non seulement des passerelles, mais également des modèles à deux clés dits "croisés" qui font partie du système de contrôle de la lumière à partir de trois points. Avant de connecter des interrupteurs Legrand de ce type, vous devrez comprendre leur appareil et leur schéma de connexion. Les modèles pass-through et cross-over des séries Cariva, Life, etc. ont plusieurs groupes de contacts commutés, à travers lesquels il est possible de mettre en œuvre la fonction souhaitée.
Lorsqu'on appuie sur la touche, chacun des deux mécanismes inclus dans l'ensemble des interrupteurs ferme l'une des lignes de connexion, en ouvrant simultanément l'autre. L'ordre de fonctionnement spécifié permet la mise en œuvre d'une commande séparée du dispositif d'éclairage à l'aide de deux interrupteurs différents, séparés par une distance considérable.
L'exemple le plus évident de leur application est l'installation de l'un des interrupteurs dans le vestibule d'entrée à l'entrée et le second - sur chaque escalier.
En entrant dans le bâtiment, l'utilisateur allume l'éclairage de tous les sites avec une seule clé, et l'éteint lorsqu'il s'approche de son appartement.
Interrupteur lumineux à deux bascules

Dans le cas le plus simple, l'interrupteur à deux boutons Legrand est connecté selon le schéma classique. Dans la partie inférieure de son corps se trouve un contact de travail d'entrée auquel le fil de phase est connecté. En même temps, deux conducteurs "partent" d'au-dessus - chacun vers son propre illuminateur ou un groupe d'ampoules.
Souvent, ces fils sont posés sur la boîte de jonction, d'où ils sont accouplés aux charges requises. Dans certains cas, des groupes préformés d'illuminateurs sont utilisés en tant que telles charges.
Caractéristiques de la connexion du rétroéclairage
Le rétroéclairage, disponible sur certains modèles de Legrand, est généralement connecté en parallèle avec un contact ouvert, ce qui le fait briller une fois le dispositif d'éclairage éteint. Le seul inconvénient de cette inclusion est le clignotement peu agréable des lampes à économie d'énergie, qui se produit en raison de l'entrée d'une petite partie de la tension sur celles-ci. Avec les lampes à incandescence et leurs homologues halogènes, cet effet n'est pas observé.
Les produits Legrand utilisent une LED semi-conductrice ou une lampe néon comme rétroéclairage. Extérieurement, ils ne diffèrent pratiquement pas, mais ils laissent passer des courants de différentes amplitudes. Pour les LED, ils sont d'environ 2 mA, et pour les ampoules au néon, d'environ 0,1 mA.
La procédure de démontage de l'ampoule de rétroéclairage

Pour désactiver l'éclairage intégré au clavier qui interfère avec les utilisateurs, vous aurez besoin de :
- Éteignez la machine d'introduction sur le panneau de l'appartement.
- Retirez le boîtier et le couvercle décoratif de l'interrupteur et donnez accès à la LED (néon).
- Prenez un tournevis et desserrez la vis de fixation des fils reliant l'ampoule aux deux contacts de l'interrupteur.
- Retirez-le avec la résistance de limitation.
Après toutes ces opérations, le luminaire LED commandé par l'interrupteur s'arrêtera de clignoter en position éteinte.
Procédure d'installation pour les modèles Legrand conventionnels

Avant d'installer l'interrupteur Legrand dans la version habituelle, vous devez préparer les outils les plus simples : un tournevis, des pinces coupantes et un couteau bien aiguisé.
Procédure d'installation pour les modèles à deux clés :
- La machine d'introduction est éteinte.
- Les conducteurs connectés au produit sont préparés pour le raccordement - l'isolation à leurs extrémités est dénudée.
- Les clés et le couvercle décoratif sont démontés de l'appareil.
- Ensuite, vous pouvez connecter les extrémités dénudées des conducteurs à ses bornes, puis remettre le cadre décoratif et les clés à leur place.
Lors de l'installation de doubles interrupteurs Legrand, une attention particulière est portée au cheminement des fils de départ. Chacun d'eux est conçu pour connecter une charge distincte située dans la pièce desservie. Lors de l'installation du produit, il est nécessaire de prendre en compte les marquages sur son corps indiquant les points de connexion des conducteurs individuels d'alimentation et de décharge du câble.
Les nuances de la connexion des interrupteurs de Legrand

Lors de l'examen des caractéristiques d'installation des interrupteurs à deux boutons de Legrand, une attention particulière est portée aux détails importants suivants :
- selon les instructions pour les modèles de passage tels que Quteo, Etika et autres, des boîtes de jonction ouvertes ou fermées sont utilisées pour leur installation;
- pour connecter les fils, ils utilisent des pinces spéciales de type écrou ou ils sont fixés au moyen de vis incluses dans l'ensemble de chaque produit;
- Avant de monter le disjoncteur ouvert, un substrat en plastique ou en bois est préparé pour celui-ci, sur lequel il est pratique de fixer le boîtier.
S'il est nécessaire de retirer l'éclairage de l'interrupteur, il est préférable de le faire avant de l'installer.
Avant d'installer des interrupteurs de la série Ethics et similaires, il est nécessaire de bien préparer les opérations de travail. Cela nécessitera :
- retirez le cadre décoratif et les clés du boîtier - ils ont des rainures spéciales;
- insérez un tournevis avec une fine piqûre dans la rainure, puis appuyez fermement dans la direction souhaitée ;
- retirez le cadre du produit de la même manière.
Une fois toutes les opérations préparatoires terminées, le commutateur est complètement prêt pour l'installation.
Installation directe

Il est recommandé d'installer les produits de passage dans l'ordre suivant :
- Avant d'installer chacun des commutateurs, l'alimentation est coupée de la ligne - le disjoncteur d'entrée est désactivé.
- Le boîtier du premier disjoncteur est placé dans un boîtier d'installation et solidement fixé dans celui-ci.
- Les conducteurs déjà posés sont connectés à ses contacts des deux côtés, qui sont connectés conformément aux instructions jointes.
- Les mêmes opérations sont effectuées avec le deuxième interrupteur.
La plupart des modèles d'interrupteurs de Legrand dans la documentation jointe doivent avoir un schéma électrique.
Au stade final des travaux d'installation, le cadre décoratif et la double clé sont remis aux appareils déjà installés.
L'interrupteur à deux touches Legrand n'est pas différent d'un appareil à clavier classique. Les modèles bien connus de cet appareil Life, Quteo ou Valenon s'intègrent au câblage électrique domestique au même titre que les produits domestiques. Les problèmes liés aux particularités de leur installation se résolvent facilement après lecture du mode d'emploi.








