Un schéma d'alimentation unifilaire est un document qui transmet sous forme graphique les caractéristiques opérationnelles et les données calculées du projet de réseau électrique d'une pièce particulière, qu'il s'agisse d'un immeuble résidentiel privé ou multi-appartements, d'un appartement, d'un garage ou d'une entreprise. Selon la documentation réglementant l'utilisation des installations électriques grand public, la présence du schéma considéré par la personne exploitant le réseau électrique est un point fondamental qui est vérifié au cours de divers types d'agréments. Par conséquent, lors de la conception de ce document, il convient de prendre en compte non seulement les GOST pertinents, mais également les restrictions imposées par les bureaux régionaux de Rostekhnadzor et Energosbyt.
- Qu'est-ce qu'un schéma d'alimentation unifilaire et pourquoi est-il nécessaire
- Types de schémas électriques unifilaires
- Schéma de calcul
- Régime exécutif
- Principes de conception
- Que devrait inclure un schéma d'alimentation unifilaire
- Étapes de conception
- Règles d'enregistrement, exigences GOST
- Symboles utilisés dans l'élaboration des schémas unifilaires
- Programmes pour l'exécution de la documentation exécutive
Qu'est-ce qu'un schéma d'alimentation unifilaire et pourquoi est-il nécessaire

Schéma électrique unifilaire - documentreprésentant les éléments du réseau électrique de l'installation d'alimentation. Il indique également les caractéristiques techniques de chaque élément et les indicateurs de puissance du système (calculés et installés). objectif créer un diagramme linéaire - pour démontrer une configuration visuelle de ses composants et des connexions entre eux.
La caractéristique « monoligne » appliquée aux circuits d'alimentation désigne l'image des canaux de communication qui transmettent de l'énergie, une ligne qu'ils soient monophasés ou triphasés. Cette représentation graphique permet d'identifier les lignes de force et de simplifier l'affichage des bus et des faisceaux de commande à plusieurs fils. Cela rend ce type de schéma à la fois laconique et informatif.
Diagramme schématique - c'est dessin, qui transmet des informations complètes sur les connexions électriques, magnétiques et électromagnétiques des éléments du système et les paramètres des composants.
Types de schémas électriques unifilaires
Exister deux grandes classes de circuitsconçu à différentes étapes du projet. Pour créer un OSE, vous devez savoir principales caractéristiques de chaque type.
Schéma de calcul

Conçu au stade de l'élaboration du document sur le projet en cours de réalisation. Il calcule les caractéristiques du système et les charges nécessaires. Documents de règlement Peut inclure en moi :
- représentation schématique de la structure;
- diagramme fonctionnel;
- schéma de câblage;
- documents de dessin;
- plan de sécurité incendie.
Le schéma de structure électrique montre les éléments de puissance (points de raccordement, lignes de transmission, composants de transformateur, etc.) et les communications entre eux. Le diagramme fonctionnel est créé démontrer le travail des mécanismesinteragissant avec le réseau électrique, et leur impact sur la sûreté de l'installation.
Il est généralement appliqué pour locaux industrielsfaire face à une abondance d'équipements dissemblables. Le projet d'installation nécessite une coordination avec des solutions architecturales et de conception et une indication stricte des diamètres des fils et des dimensions des équipements.

Régime exécutif

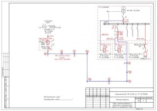
Créé lorsque la pièce a déjà été utilisée pour quelques temps. Il est nécessaire d'afficher graphiquement les modifications qu'il est prévu d'apporter à la structure du réseau. Le document est préparé lors du remplacement ou de la modification d'équipements techniques existants. Le régime exécutif fournit des informations :
- sur l'état actuel du réseau électrique ;
- sur les appareils électriques qui en font partie;
- des conseils sur l'élimination des dysfonctionnements constatés lors de la réalisation des inspections techniques et d'autres activités.
Si vous devez faire un schéma d'une entreprise, d'un immeuble à appartements ou d'un autre objet avec plusieurs niveaux d'approvisionnement, son faire pour chaque niveau: par exemple, pour l'ensemble de l'usine, une unité atelier et son espace séparé. Tout d'abord, une image du KTP et des réseaux qui les relient est réalisée, puis les dessins d'un KTP ou d'un tableau de distribution électrique séparé, et enfin - tous les blindages individuels présentés dans la pièce.
Principes de conception

Lors de l'élaboration et de la rédaction des dessins inclus dans l'OSE, vous devez suivre strictement les règles du PUE (règles d'installation électrique), ainsi que les exigences pour ce type de travaux indiqués dans la documentation réglementaire. Avant de commencer le processus, vous devez vous familiariser avec nomenclature des éléments de circuit.
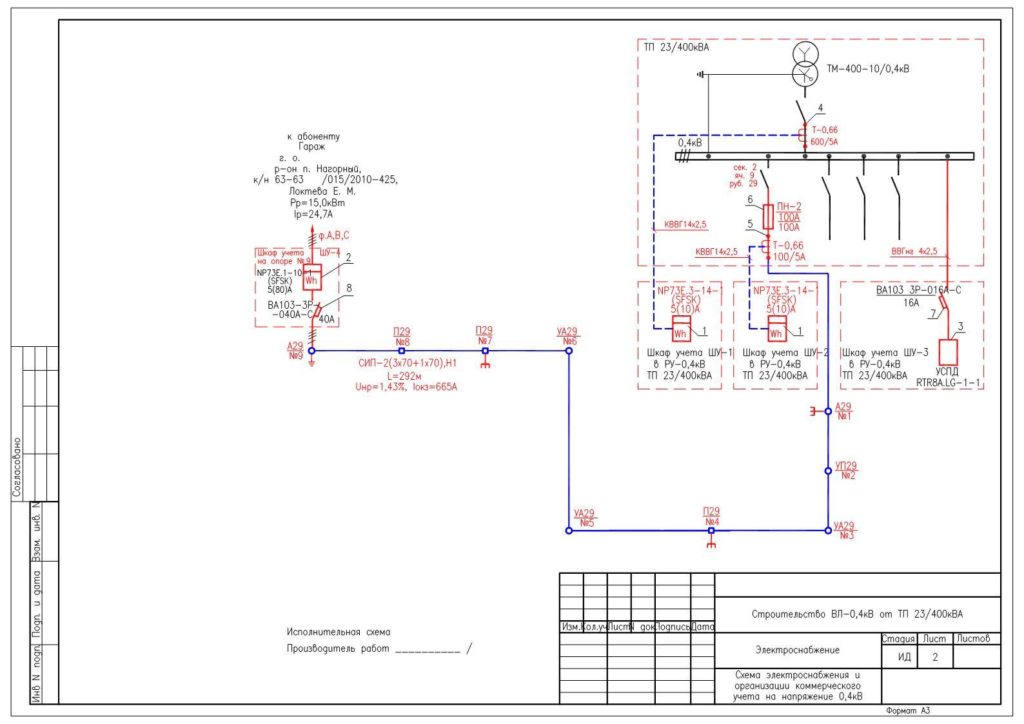
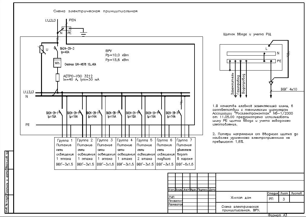
Que devrait inclure un schéma d'alimentation unifilaire
Le contenu du schéma unifilaire est réglementé par la documentation normative remise au demandeur après examen de la demande d'obtention des spécifications techniques. Dans le projet, les circuits doivent être indiqués:
- cadre des domaines de responsabilité fournisseur et consommateur d'électricité - ils sont présentés dans le texte du contrat de prestation de services pour la fourniture de locaux;
- principale Tableau de distribution et appartenant au consommateur TP avec indication des dispositifs de commutateur de transfert automatique (le cas échéant) ;
- alimentation autonome (si disponible);
- données sur présentées dans la salle armoires de distribution les équipements d'éclairage et les lignes électriques ;
- horizontal les dimensions des lignes électriques principales, les modèles utilisés pour la communication câbles et comment ils sont posés ;
- données calculées sur les pertes d'énergie lors de la transmission;
- intelligence à propos du mode d'urgence travail;
- équipement de comptage d'électricité avec la désignation du rapport de transformation (si un courant électrique secondaire de 5 A est utilisé);
- technique caractéristiques des fusibles, dispositifs d'arrêt automatique;
- intelligence sur les charges avec des notes sur leur puissance en kW et l'intensité du courant.
Le dessin, développé en tenant compte des données ci-dessus, plus tard peut être complété par des représentations graphiques supplémentairespas soumis à un agrément spécial.

Étapes de conception
Les étapes de développement d'un schéma unifilaire ont une certaine séquence. Premièrement, le demandeur est tenu de demande d'exécution à une entreprise fournissant des services de fourniture d'électricité, pour la délivrance des spécifications techniques pour la mise en œuvre de cette tâche. Après avoir attendu la réception des documents régulant le processus, les représentants du consommateur préparer un projet schémas pour ces spécifications techniques. Conçu par le dessin est convenu avec l'entreprisequi a émis les spécifications techniques.
Si pendant le fonctionnement du réseau électrique il devient nécessaire de faire modifications de la configuration de ses éléments, est en cours de préparation régime exécutif... La séquence d'étapes pour elle sera identique.
Règles d'enregistrement, exigences GOST
Indiquer les numéros standard :
- 2.721-74 - introduit des symboles graphiques dans les schémas ;
- 2.755-87 - décrit comment étiqueter les appareils de commutation et les connexions de contact ;
- 2.709-89 - parle des symboles des fils;
- 2.710-81 - signes qui combinent des lettres et des chiffres.
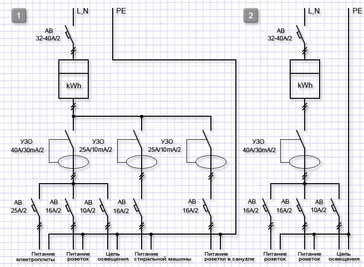
Symboles utilisés dans l'élaboration des schémas unifilaires
La représentation visuelle des différents éléments qui composent le système d'alimentation est régulée par des sources réglementaires. Les boîtes, les boucliers et les armoires ont leurs propres désignations dans les documents de dessin :
- Boucliers sont représentés par des rectangles. Les éléments du bouclier de coffre ont une ligne horizontale coupant un petit fragment en bas. Les éléments de groupe responsables de l'éclairage de travail sont remplis de peinture noire, pour l'urgence - ils ont deux diagonales.
- Panneaux simples et armoires les services à sens unique sont représentés par des carrés avec un fragment de coupure horizontale en bas. Les articles de service bilatéraux ont des coupures en haut et en bas. Cette règle s'applique également aux éléments de plusieurs panneaux, seuls ils sont présentés sous la forme d'un nombre correspondant de carrés disposés en ligne.
- Boîte de brochage a une forme carrée. La boîte d'ouverture est représentée par un carré traversé par une ligne verticale épaisse.
- Boîte de dérivation représenté comme un cercle avec une ligne transversale épaisse et une verticale descendante à partir du centre du cercle.
Commutateur conventionnel ressemble à un cercle avec une ligne s'étendant de lui vers la droite et vers le haut. Nombre de pôles (un, deux, trois) est démontré par le nombre de petites barres verticales à son extrémité. S'il est supposé installation ouverte, des tirets sont tracés de la base vers la droite et vers le bas, et dans le cas de caché il est traversé par des lignes transversales. Avoir éléments doubles et triples au lieu d'une ligne, il y en aura deux ou trois. Haut degré de protection indiqué en remplissant le cercle de noir. Si l'article fonctionne dans deux sens, la deuxième ligne est tracée à gauche et en bas du cercle.
La prise de courant est représentée sous la forme d'un demi-cercle « allongé » avec une ligne s'étendant vers le haut à partir du haut. La présence de deux pôles est décrite par la deuxième caractéristique similaire, le contact de protection - installation supplémentaire horizontale et cachée - allant du centre vers le haut. Une défense solide est indiquée par l'ombrage en noir.

Désignations appareils d'éclairage:
- Luminaires avec lampes fluorescentes sont représentés avec des rectangles allongés, le reste des appareils - avec des cercles.
- Câble représenté par une ligne pointillée transversale et une ligne en gras en dessous près de "l'équateur" du cercle.
- Appareils d'éclairage extérieur montrez la lettre "T" renversée sur le côté, poussant du côté gauche du cercle.
- Lustre montré en divisant le cercle en 6 segments.
- Support de lampe murale - un triangle noirci avec une fourche en V au sommet.
- Mandrin à pendentif - un cercle barré de diagonales. Plafond - similaire, mais les éléments barrés qui se trouvent dans la figure ne sont pas appliqués à l'image.
- Ampèremètre, voltmètre, galvanomètre - des chiffres de forme ronde, avec les lettres A, V et une flèche pointant vers le haut à l'intérieur, respectivement.
- Capteur de température et oscilloscope - des carrés. Le premier a un t à l'intérieur et une flèche pointant vers la droite coïncidant avec la base. La seconde a une fine image en forme de N de la foudre.
- Compteur d'électricité - un rectangle haut avec un segment supérieur séparé et l'inscription Wh.
Si le concepteur du circuit a des doutes sur la manière de représenter tel ou tel élément, il peut se familiariser avec la nomenclature des symboles OSE dans la littérature de référence.
Programmes pour l'exécution de la documentation exécutive

Il n'est pas nécessaire de dessiner un schéma à la main sur papier pour établir une documentation de haute qualité répondant aux normes de l'État. Vous pouvez dessiner en ligne, en utilisant l'affûté à cet effet Logiciel.
Exemples d'applications:
- MS Visio - largement utilisé pour toutes sortes de travaux de bureau et convient à la préparation d'un dessin d'un circuit électrique d'un immeuble résidentiel ;
- Boussole-Électrique - un programme simple, distribué gratuitement, utilisé par les employés des services d'alimentation électrique ;
- 1-2-3-Schéma - une option souvent choisie par les étudiants et les professionnels inexpérimentés ;
- Électricien AutoCAD - un programme populaire parmi les développeurs professionnels.
Choix un programme approprié est en cours en tenant compte de l'échelle et de la complexité du réseau... Par exemple, pour une maison privée, il n'est pas nécessaire d'utiliser un logiciel professionnel complexe.


















