Les fabricants de projecteurs à LED affirment que les appareils peuvent fonctionner pendant de nombreuses années sans avoir besoin d'être réparés. En réalité, les pannes se produisent assez souvent. Si l'effet de clignotement du spot LED est détecté lorsqu'il est allumé, la cause peut être une alimentation électrique ou un câblage défectueux. De plus, des pièces défectueuses ou des influences extérieures non comptabilisées sont souvent la source de dysfonctionnements.
- Principe de fonctionnement
- Raisons du clignotement du projecteur
- Projecteur clignotant à cause du détecteur de mouvement
- La raison du clignotement est les conditions météorologiques
- Le projecteur clignote lorsqu'il est allumé ou pendant le fonctionnement
- Fonctionnalité avancée
- Dysfonctionnements de l'appareil et remèdes
- Violations de câblage
- Éléments de rétroéclairage et irrégularités dans le circuit d'alimentation
- Pont de diodes et condensateur de lissage
- Erreurs de montage des LED et condensateur de limitation de courant
- Matrice de burn-out
- Faisabilité de l'auto-réparation
Principe de fonctionnement

Le moyen le plus simple de comprendre pourquoi un projecteur LED clignote est de l'imaginer comme une source lumineuse puissante. Dans l'espace intérieur de son corps se trouve une lampe émettrice dont le faisceau, traversant un système de réflecteurs, est dirigé vers la zone souhaitée. De ce fait, le faisceau lumineux concentré acquiert une saturation et une luminosité particulières.
Le principe de fonctionnement d'une LED est basé sur l'émission de quanta de lumière dans une jonction, où les électrons accélérés par la tension éteignent les photons libres.
Pour obtenir le potentiel d'overclocking, ces émetteurs sont équipés d'un redresseur et d'un driver qui stabilise la valeur du courant et, si nécessaire, régule sa valeur. De plus, l'appareil peut inclure un bloc d'alimentation indépendant qui permet d'obtenir une tension redressée de 12 Volts.
Raisons du clignotement du projecteur

Lors de l'achat de projecteurs chinois bon marché, on constate souvent un dysfonctionnement caractéristique qui se manifeste par un clignotement continu. Les sources et les signes de ce phénomène désagréable peuvent être :
- mauvais réglage du détecteur de mouvement ;
- conditions météorologiques inadaptées;
- dysfonctionnements du système d'alimentation électrique;
- mode mal sélectionné.
Une autre cause probable est un dysfonctionnement du rétroéclairage du commutateur.
Projecteur clignotant à cause du détecteur de mouvement

Si le projecteur se met à clignoter immédiatement après avoir connecté le détecteur de mouvement, il s'agit très probablement d'un dysfonctionnement de ce dernier. Cela peut arriver pour les raisons suivantes :
- violation des paramètres de l'appareil sensible ;
- perte de contacts;
- sous-tension;
Le projecteur peut commencer à clignoter en raison d'une minuterie mal réglée, ce qui garantit que le système est opérationnel pendant une période de temps spécifiée. Dans ce cas, il est recommandé de le reconfigurer puis de vérifier à nouveau l'appareil. Le contact dit "flottant" se manifeste par un manque de transmission du signal vers l'illuminateur lui-même. Si vous suspectez ce dysfonctionnement, vous devez vérifier toutes les connexions et serrer les vis de fixation dans les blocs et bornes existants.
Une faible tension secteur se manifeste également souvent par le clignotement d'un projecteur, qui n'a pas assez de puissance pour s'allumer complètement. Une autre cause du phénomène considéré peut être un défaut de fabrication qui n'a pas été constaté lors de la réception du produit. Dans ce cas, vous devez le retourner à l'atelier pour garantie ou réparation en cours.
La raison du clignotement est les conditions météorologiques

Par temps glacial d'hiver, le projecteur à LED, sorti dans le froid, refuse également souvent de fonctionner, se met à clignoter. Certains modèles bien connus d'illuminateurs à diode scintillent déjà à -10 degrés.
Avec un fort refroidissement, les circuits de démarrage commencent à fonctionner par intermittence, ce qui entraîne un effet indésirable. Dans ce cas, la question est résolue de la manière la plus simple - le projecteur est amené dans une pièce chaude et laissé s'installer, et à la tombée de la nuit, il est remis en place.
Le projecteur clignote lorsqu'il est allumé ou pendant le fonctionnement

Si l'illuminateur commence à clignoter uniquement lorsqu'il est allumé, la raison en est très probablement un dysfonctionnement du condensateur de démarrage, qui est remplacé par un nouveau produit. Si cela ne vous aide pas, vous devez vérifier la qualité du contact dans l'interrupteur lui-même ou dans le fil d'alimentation en tension.
La deuxième situation est possible si un produit rétro-éclairé est utilisé pour contrôler la commutation. S'il est présent, le projecteur n'a tout simplement pas assez de courant, qui est partiellement dérivé vers la chaîne de service. La solution consiste à éteindre le rétroéclairage, ce qui ne permet pas au projecteur de démarrer et de fonctionner normalement.
Fonctionnalité avancée
Certains modèles de projecteurs ont des options supplémentaires pour étendre leurs capacités. L'un d'eux est l'utilisation du mode stroboscopique, qui est parfois activé par lui-même. Pour éliminer cet effet, débranchez complètement l'appareil du secteur, puis rallumez-le. Après cela, le plus souvent, ses performances sont restaurées.
Une autre raison de la manifestation de ce dysfonctionnement est la particularité de contrôler des fonctionnalités supplémentaires, lorsque plusieurs fonctions sont activées à la fois avec un seul bouton. Dans ce cas, vous devez d'abord éteindre le projecteur, et après l'avoir allumé, double-cliquez sur le bouton d'activation du stroboscope et suivez la disparition du problème.
Dysfonctionnements de l'appareil et remèdes
Vous ne pouvez commencer à réparer l'appareil qu'une fois que la cause exacte du dysfonctionnement a été établie et que l'emplacement du dysfonctionnement a été localisé. Ce n'est pas si facile à faire, car il y a beaucoup d'explications à cela.
Violations de câblage

Parfois, la cause de l'effet de scintillement est une erreur triviale lors de la commutation des fils fournis au projecteur. Le problème dans ce cas est résolu simplement - il suffit de les échanger. Le clignotement avec une fréquence basse et irrégulière est possible si les contacts dans le connecteur du câble sont cassés.
Cela est dû aux courants importants circulant dans les veines actives du projecteur, qui, lorsque le contact est rompu, commencent à augmenter et à le réchauffer. L'emplacement de ce dysfonctionnement peut être à la fois dans la boîte de jonction et dans le détecteur de mouvement, ainsi que dans les connecteurs d'alimentation ou dans l'interrupteur.
Éléments de rétroéclairage et irrégularités dans le circuit d'alimentation
S'il y a un interrupteur rétroéclairé ou un capteur IR devant la lampe d'éclairage, des situations sont possibles lorsque des pulsations apparaissent avec une fréquence d'environ 25 vibrations par seconde. Cela est dû aux particularités du passage des demi-ondes de courant dans le circuit d'alimentation, qui dans ce cas "fonctionnent" à travers une. Ce problème est éliminé en éteignant simplement la LED de rétroéclairage.
Une autre option consiste à remplacer le capteur de mouvement par un autre type (appareil à ultrasons ou inductif).
La défaillance des éléments de l'alimentation électrique du projecteur n'est également pas rare. On les trouve principalement dans les luminaires chinois bon marché. Pour éliminer ces problèmes, l'appareil est amené à l'atelier.
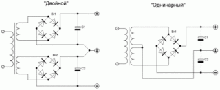
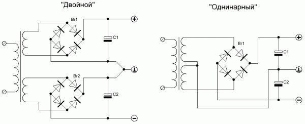
Pont de diodes et condensateur de lissage

Dans les circuits des projecteurs chinois, des redresseurs de type 220 volts demi-onde sont utilisés.Ils diffèrent du circuit à double pont par la qualité du courant redressé, qui se caractérise par un niveau d'ondulation élevé. Le condensateur de lissage situé derrière ne les élimine pas complètement, ce qui entraîne un scintillement. La solution consiste à acheter des projecteurs de haute qualité avec un circuit de redressement "classique" à 2 ponts.
L'endommagement du condensateur électrolytique augmente également l'ondulation de la tension d'alimentation. Dans ce cas, l'installation d'un transformateur aidera, en réduisant l'amplitude de la tension à 12 volts. En conséquence, le niveau d'ondulation diminuera également, après quoi la lampe commencera à s'allumer et à fonctionner normalement.
Erreurs de montage des LED et condensateur de limitation de courant
Avec une faible qualité de construction de la matrice LED, ses contacts ne sont souvent pas soudés de manière très fiable, ce qui est également une cause possible de clignotement. Dans cette situation, il n'y a qu'une seule issue - remettre la matrice du projecteur pour réparation. Un condensateur de limitation de courant peut également entraîner des effets indésirables si sa valeur nominale et sa tension de fonctionnement sont incorrectes.
Les fabricants, économisant sur les LED, tentent d'augmenter la luminosité de la lueur en connectant un condensateur à faible tension de fonctionnement au pilote. Remplacez cette pièce par un produit de 400 volts et le scintillement devrait disparaître.
Matrice de burn-out

Ce cas est une violation grave, car l'élément principal - la matrice LED - échoue. Si un dysfonctionnement est détecté, son corps est retiré du projecteur, pour lequel, dans un premier temps, 4 vis sont dévissées et les condensateurs sont soudés. Ensuite, un nouvel ensemble de diodes est acheté et les opérations suivantes sont effectuées :
- Un peu de pâte thermique est appliquée sur la surface de dissipation de chaleur.
- Les contacts porteurs de courant sont soudés.
- La nouvelle matrice est fixée avec 4 vis.
Dans sa forme, il ne doit pas différer de l'émetteur grillé et peut donc être facilement monté sur le siège.
Faisabilité de l'auto-réparation
Malgré la complexité relative du dispositif de projecteur à LED, si vous le souhaitez et avez des compétences, vous pouvez le réparer vous-même. Dans ce cas, le coût des nouvelles pièces constitutives, si nécessaire, et la complexité des opérations à venir sont nécessairement pris en compte. Si le dysfonctionnement est très simple - le contact disparaît ou le condensateur est mal sélectionné, - vous pouvez faire la restauration chez vous.
En cas de violations plus graves, vous devrez contacter un atelier, où des spécialistes expérimentés élimineront rapidement le dysfonctionnement qui s'est produit. Dans ce cas, vous devrez dépenser de l'argent pour les réparations. Cependant, c'est le cas dont ils disent que l'avare paie deux fois.









En général, c'est une honte qu'à ces fins, les gens n'utilisent pas partout des circuits en pont triphasés de redresseurs de tension secteur pleine onde, qui, par rapport au fil neutre de travail du réseau, peuvent parfaitement fonctionner comme des redresseurs de réseau bipolaires, donnant entre la sortie du pôle positif du groupe cathodique de trois diodes d'un redresseur de réseau pleine onde à pont triphasé par rapport au fil neutre de travail du réseau, la tension redressée est de + 300 V, et entre la borne négative de le groupe anodique de trois diodes d'un redresseur de réseau pleine onde à pont triphasé et le fil neutre de travail du réseau donnant une tension redressée de 300 V, et une tension de réseau redressée constante complète de 600 V entre le positif et le négatif les fils de les groupes de diodes cathodiques et anodiques d'un redresseur de réseau pleine onde en pont triphasé avec deux condensateurs électrolytiques identiques installés, dont l'un est allumé en respectant la polarité de et la sortie positive de son groupe cathodique de ses trois diodes et d'un fil neutre de travail du réseau,et dont l'autre, en respectant la polarité opposée à celle-ci, est reliée à la borne négative de son groupe anodique à partir de ses trois autres diodes et du même fil neutre de travail du réseau. Et le réseau triphasé dans ce cas sera énergétiquement avantageux symétriquement dans les phases et économiquement chargé en charge d'éclairage, et pas seulement sur une de ses phases par rapport au fil neutre de travail !!! Alexeï.