Le concept de "relais de courant" est répandu en génie électrique et cette unité elle-même est un composant indispensable de la plupart des dispositifs de protection: disjoncteurs, dispositifs de sectionnement, etc. Il est important de connaître et de comprendre les caractéristiques de conception et le principe de fonctionnement de tels relais non seulement pour un débutant, mais également pour un spécialiste expérimenté. Mais tout d'abord, vous devez comprendre le dispositif de cet élément de commutation, ainsi que toute la variété de ses types et de ses types.
Dispositif de relais de courant

Il est plus pratique de se familiariser avec les caractéristiques de conception et le principe de fonctionnement d'un relais de courant (TR) sur son type le plus courant - un dispositif électromagnétique.
Contrairement à l'induction et aux analogues électroniques, le dispositif d'un dispositif de protection e/m vous permet de visualiser son fonctionnement.
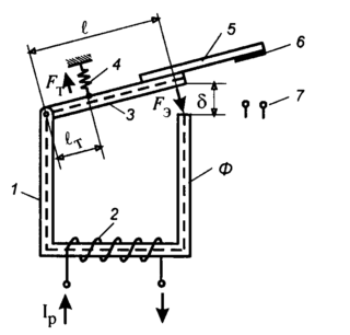
Tout relais de courant statique contient les éléments obligatoires suivants :
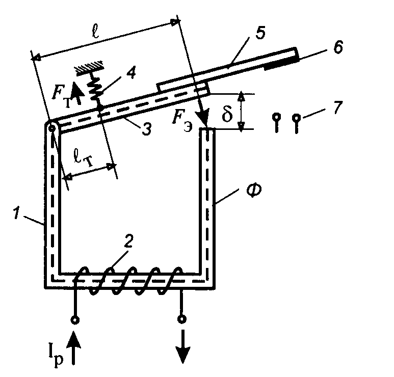
- Noyau magnétique (noyau), composé de 2 parties et ayant un entrefer constant ou réglable.
- Bobine avec une bobine située sur la partie fixe du noyau.
- Un ressort situé sur sa moitié mobile et créant un moment de réaction lorsque le relais est déclenché.
En plus des nœuds répertoriés, il comprend des éléments auxiliaires qui augmentent la fonctionnalité du système.
Principe de fonctionnement

Le dispositif électromagnétique est déclenché par une connexion e/m créée par le passage du courant alternatif à travers la bobine et provoquant l'attraction des deux moitiés du noyau. Cette action, à première vue simple, contient quelques nuances :
- le ressort sur la partie mobile s'oppose à l'approche de ses deux moitiés ;
- il n'est possible de vaincre sa résistance qu'à une certaine intensité de courant dans la bobine;
- cette valeur est l'indicateur principal caractérisant le fonctionnement du relais de courant.
Lorsqu'un courant apparaît dans la bobine, une CEM est induite dans le noyau, à cause de laquelle les moitiés sont attirées, mais pas complètement - le ressort les empêche de le faire. Lorsqu'elle atteint une certaine valeur, la CEM devient si grande qu'elle surmonte sa résistance.
Pour ramener le système à sa position d'origine, le courant dans le relais devra être réduit à une certaine valeur, en fonction du coefficient de retour. Cet indicateur est associé aux caractéristiques de conception du relais de courants et de tensions et est configuré pour chacun d'eux individuellement. Pour ce faire, il suffit de régler la tension du ressort, ce que vous pouvez faire vous-même.
Objectif et méthodes de connexion

Le TP est le composant principal de tous les dispositifs de protection installés dans les circuits de puissance. Sur cette base, les caractéristiques d'utilisation de l'appareil doivent être prises en compte.
Son objectif principal est de servir d'élément exécutif dans la composition des disjoncteurs, des dispositifs à courant résiduel et de nombreux dispositifs similaires. Conformément à cela, le champ d'application de leur application est déterminé en liaison avec les dispositifs ci-dessus.
- Les circuits d'alimentation des lignes à haute tension et les équipements de protection disponibles dans leur composition.
- Tableaux de distribution de commutation, dans lesquels les TP sont inclus séparément ou dans le cadre d'autres appareils.
- Entrées domestiques monophasées et dispositifs de distribution (linéaires) installés dans les écrans domestiques.

Conformément à l'objectif des dispositifs de commutation, leurs circuits de commutation sont sélectionnés.
Plusieurs méthodes peuvent être utilisées pour connecter la machine relais aux réseaux électriques existants ou à d'autres circuits. Ils diffèrent par le type de matériel à protéger :
- moteurs asynchrones triphasés;
- les consommateurs connectés aux réseaux électriques 380 volts ;
- charges connectées à la sortie de circuits avec une tension d'alimentation de 220 volts.
Conformément au premier de ces points, les TR sont utilisés comme déclencheurs e / m qui coupent le circuit lorsque les courants de fonctionnement dépassent le niveau admissible. Lorsqu'ils sont installés dans des circuits triphasés, ils remplissent la même fonction, mais avec une gamme de fonctionnalités plus large. Comme déclencheurs, ils font partie de puissants dispositifs contacteurs et démarreurs e/m.
Les relais installés dans les machines d'entrée (linéaires) et les RCD ont un objectif légèrement différent. Ici, ils remplissent la fonction d'éléments de détection fournissant un fonctionnement de coupure de courant (point de consigne). Lorsqu'ils sont allumés, ils sont réglés sur des modes de fonctionnement limitants tels que surintensité, court-circuit et fuite.
Selon la terminologie admise en électrotechnique, dans les deux premiers cas, ils se positionnent logiquement en relais de surintensité.
Dans les circuits de protection des moteurs électriques, ainsi que les relais de déconnexion, des éléments thermiques bistables sur ressorts bipolaires sont installés. Ils fournissent un certain retard, ce qui permet de ne pas couper l'alimentation des enroulements dans les modes de démarrage.
Types de TR

Tous les échantillons connus de relais de courant sont classés selon les critères suivants :
- par la méthode d'installation (schéma de connexion);
- pour l'usage auquel il est destiné ;
- par exécution (modification).
Conformément à la première de ces caractéristiques, les modèles TR existants sont divisés en dispositifs de montage direct et dispositifs de commutation indirects (via des transformateurs de courant). De par leur conception, ils sont subdivisés en dispositifs intégrés et conçus comme un module séparé à installer sur un rail DYN.
Selon leur destination, ils sont fabriqués sous forme de produits utilisés aux fins suivantes :
- protection contre les courts-circuits monophasés;
- limitation des courants inverses ;
- comme protection différentielle;
- sous forme de modules indépendants télécommandés.
Pour une inclusion directe et indirecte

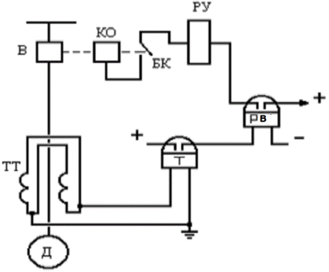
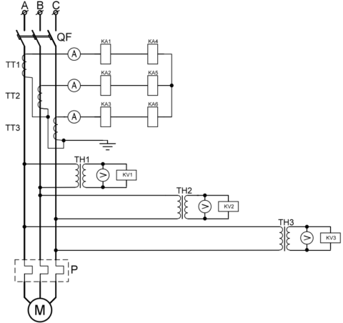
Les appareils destinés à une connexion directe, selon les instructions d'utilisation, sont installés dans un réseau avec une tension efficace allant jusqu'à 1000 Volts et avec une valeur de courant limitée. Avec son amplitude importante, l'inclusion dans une coupure de circuit est inacceptable, car le relais n'est pas conçu pour les modes de fonctionnement de puissance. Dans ce cas, un transformateur de courant est nécessaire, ce qui permet de réduire plusieurs fois la valeur de la valeur commandée. Dans les réseaux triphasés, ces relais sont installés dans chacune des phases en série avec la charge déjà connectée.
Avec une telle conception de circuit, le système fonctionne dans un mode proche d'un court-circuit, ce qui est dangereux pour le fonctionnement.
Si le relais doit être démonté, le transformateur de courant peut être endommagé et le personnel travaillant sur la ligne peut être en danger. Par conséquent, avant la commutation opérationnelle dans de tels circuits, un cavalier doit être mis à la place de l'appareil. Une autre option consiste à éteindre complètement le réseau et à mettre l'équipement en mode révision.
Protection différentielle et limitation de courant

Le fonctionnement des relais de courant dans le cadre de DDR et de disjoncteurs est un exemple classique de la mise en œuvre de leurs fonctionnalités. Dans ce cas, ils fonctionnent dans les modes habituels des systèmes électriques associés à la réponse à la moindre fuite de courant (RCD) et au déclenchement lors de surcharges dans les circuits. Cette dernière fonction appartient à la catégorie de la limitation de courant, ce qui exclut les dommages à l'équipement connecté et au circuit d'alimentation lui-même.
Types modernes de relais de courant
Il existe des types "avancés" connus de relais de tension et de courant, qui, selon leurs capacités, sont généralement appelés équipements de contrôle intelligents. Ces appareils offrent un certain nombre d'options auxiliaires qui étendent considérablement leurs fonctionnalités. Il s'agit d'un affichage par lequel vous pouvez vous assurer que l'appareil fonctionne correctement, ainsi que lire des informations sur les valeurs de tension et de courant (elles sont affichées sur l'indicateur intégré de l'appareil).
Toutes les possibilités décrites sont liées aux avantages des relais de courant. Leurs inconvénients sont déterminés séparément pour chaque type spécifique d'inclusion.








