La demande de systèmes de stabilisation de tension a considérablement augmenté ces dernières années. Un intérêt particulier est porté aux dispositifs fonctionnant avec des sources lumineuses artificielles et, en particulier, avec des LED. Le stabilisateur actuel du lm317 est un appareil simple, peu coûteux mais fiable que vous pouvez acheter ou assembler vous-même. Dans ce dernier cas, vous devez connaître les règles de base de l'instrumentation, les exigences de sécurité lorsque vous travaillez avec de l'électricité et préparer un ensemble standard d'éléments.
- A quoi sert la stabilisation du courant et de la tension ?
- Types de dispositifs de stabilisation
- Relais
- Électronique
- Électromécanique
- Ferrorésonant
- Onduleur
- Schémas d'appareils linéaires
- Caractéristiques principales
- Puissance et tension d'entrée
- Conception de l'appareil
- Pilotes d'impulsion
- Schémas de connexion
- L'alimentation stabilisée la plus simple
- Alimentation stabilisatrice intégrée
- Circuit stabilisateur avec alimentation régulée
- Champ d'application
A quoi sert la stabilisation du courant et de la tension ?

Le nombre d'appareils électriques dans les maisons est en constante augmentation. Ces dernières années, le nombre d'appareils électriques a augmenté plusieurs fois. En conséquence, le besoin de niveaux de tension dans les réseaux électriques a augmenté. De plus, la plupart des bâtiments (résidentiels et industriels) et des centrales électriques ont été construits il y a plus de 30-40 ans.
Certains appareils modernes sont fabriqués avec des stabilisateurs intégrés - de petits circuits pour éviter les dommages causés par les surtensions. Mais la plupart d'entre eux ne contiennent pas d'appareils supplémentaires et même une petite baisse du réseau menace de s'épuiser. Les gros appareils électroménagers (non numériques) sont à haut risque. En particulier les chaudières et les machines à laver.
Pour éviter les dommages et assurer une tension stable dans le réseau, des stabilisateurs sont installés. Ceci est facultatif dans chaque maison. Si le bâtiment dispose d'une alimentation en courant constant sans fluctuations importantes (dans les 220 Volts avec une erreur maximale de 10%), il n'y a aucun intérêt à utiliser des dispositifs supplémentaires. Mais lorsque les surtensions sont constantes, l'installation d'un stabilisateur permettra d'économiser du matériel et de fournir de l'électricité.
Types de dispositifs de stabilisation
Avant d'acheter un appareil, vous devez vous familiariser avec les principaux types et caractéristiques. Chacun a des avantages et des inconvénients, conçu pour différents niveaux de tension et nombre d'appareils. Les principes de travail sont également différents.
Relais

La meilleure option pour les maisons privées et de campagne, les appartements. Plusieurs enroulements magnétiques sont installés sur le transformateur. Au moment d'une chute de tension, une commutation se produit entre eux, ce qui permet de maintenir le flux de tension dans le même mode. Les inconvénients incluent :
- modification du flux d'énergie en mode pas à pas (brutalement, par intermittence) ;
- courbure de la sinusoïde du flux de tension;
- faible puissance au moment du recul.
Le coût de tels dispositifs est bien inférieur à celui des autres modèles de stabilisateurs. Les avis des propriétaires sont bons, l'appareil est suffisant pour les réseaux domestiques.
Électronique

Il existe deux types de stabilisateurs électroniques de "remplissage" - le triac et le thyristor. Dans le premier, la commutation entre les enroulements en mode automatique est effectuée par un petit mécanisme - un triac. L'efficacité de l'appareil est élevée, il fonctionne rapidement. Un avantage significatif pour un usage domestique est un fonctionnement silencieux. Le deuxième type n'est pas aussi efficace, il est généralement utilisé pour stabiliser les réseaux domestiques sans beaucoup de tension. L'inconvénient le plus notable est le coût.
Électromécanique
Les autres noms sont servomoteur, servomoteur. Le principe de fonctionnement - à l'aide d'un entraînement électrique, l'électrode en carbone se déplace le long des enroulements, créant une tension ininterrompue. Souvent acheté pour les besoins du ménage et les petits locaux (maison, chalet d'été, bureau). Avantages - prix, compacité, commutation en douceur. Inconvénients - bruit, vitesse de commutation lente.
Ferrorésonant

Ces dernières années, il est rarement utilisé en raison de l'avènement d'appareils plus modernes. L'effet de ferrorésonance se produit dans le système d'interaction entre un transformateur et un condensateur. Les appareils sont de grande taille, bruyants, et ne fonctionnent pas sous des surcharges soudaines et importantes. Avantages - longue durée de vie, possibilité d'utilisation dans des pièces très humides.
Onduleur
Les appareils de ce type sont puissants et coûteux. Ils sont utilisés dans la vie quotidienne et les grands locaux industriels. La principale différence réside dans un oscillateur à cristal et un contrôleur, qui convertissent la tension à l'entrée en courant continu et à la sortie en courant alternatif. La double mise en forme simultanée vous permet de travailler avec différents niveaux de courant - de 115 à 300 volts. Avantages - pas de bruit, petite taille, commutation et régulation rapides, autres fonctionnalités supplémentaires (par exemple, protection des appareils ménagers contre les surtensions).
Schémas d'appareils linéaires
Le stabilisateur de courant sur le lm317 est un appareil qui fonctionne sur un circuit de commutation de tension linéaire. De tels microcircuits sont utilisés pour les réseaux où un rendement élevé et une puissance excessive ne sont pas requis. En particulier, pour soutenir le fonctionnement des LED. Avantages:
- protection contre les surtensions soudaines, les niveaux de puissance excessifs;
- inversion de polarité du courant à l'élément d'entrée ;
- manque de pièces et d'appareils supplémentaires.
Les inconvénients incluent une efficacité moindre - la tension obtenue au-delà de la tension requise est transformée en chauffage, un refroidissement supplémentaire est donc nécessaire.
Pour un fonctionnement stable, une différence positive de courants à l'entrée et à la sortie est requise - les stabilisateurs linéaires cessent de fonctionner lorsqu'une chute de 0,4 V (même à 0,5 V). Par conséquent, le circuit d'alimentation sur lm317 avec régulation de courant et de tension n'est pas utilisé pour les appareils de grande taille et les réseaux "lourds".
Caractéristiques principales

Le régulateur de tension du lm317 fonctionne dans une certaine plage d'alimentation. Les limites sont de 1,25 V minimum, 37 V maximum. A la sortie, la puissance de tension ne dépasse pas 1,5 ampères, l'erreur avec une connexion instable peut aller jusqu'à 0,1%.
Le régulateur de tension du microcircuit lm317 dispose de systèmes de protection internes supplémentaires: contre les courts-circuits, contre les surtensions thermiques, contre la dissipation excessive de la tension "en excès".
La limitation thermique est assurée par des microcapteurs spéciaux qui garantissent la protection de l'équipement contre le dépassement de la puissance dissipée - si cela se produit, l'appareil s'éteindra simplement et ne souffrira pas.
Puissance et tension d'entrée
Pour que le régulateur de courant fonctionne sur le circuit lm317, la tension à la partie entrée ne doit pas être supérieure à 40 volts. Dans ce cas, la différence de courant minimum aux entrées et sorties doit dépasser 2 Volts.
Pour que le régulateur de tension fonctionne sur le lm317, le circuit ne doit pas recevoir une charge supérieure à 1,5A. S'il n'y a pas de refroidissement supplémentaire, le niveau baissera. La puissance approximative est calculée en multipliant deux indicateurs - la puissance de sortie de l'électricité et la différence de potentiel entre l'entrée et la sortie.
À des températures ambiantes allant jusqu'à 30 ° Celsius, une dissipation de puissance allant jusqu'à 1,5 W est autorisée (s'il n'y a pas de dissipateur thermique). À un niveau normal de dissipation thermique, une dissipation allant jusqu'à 20 W est autorisée.
Conception de l'appareil

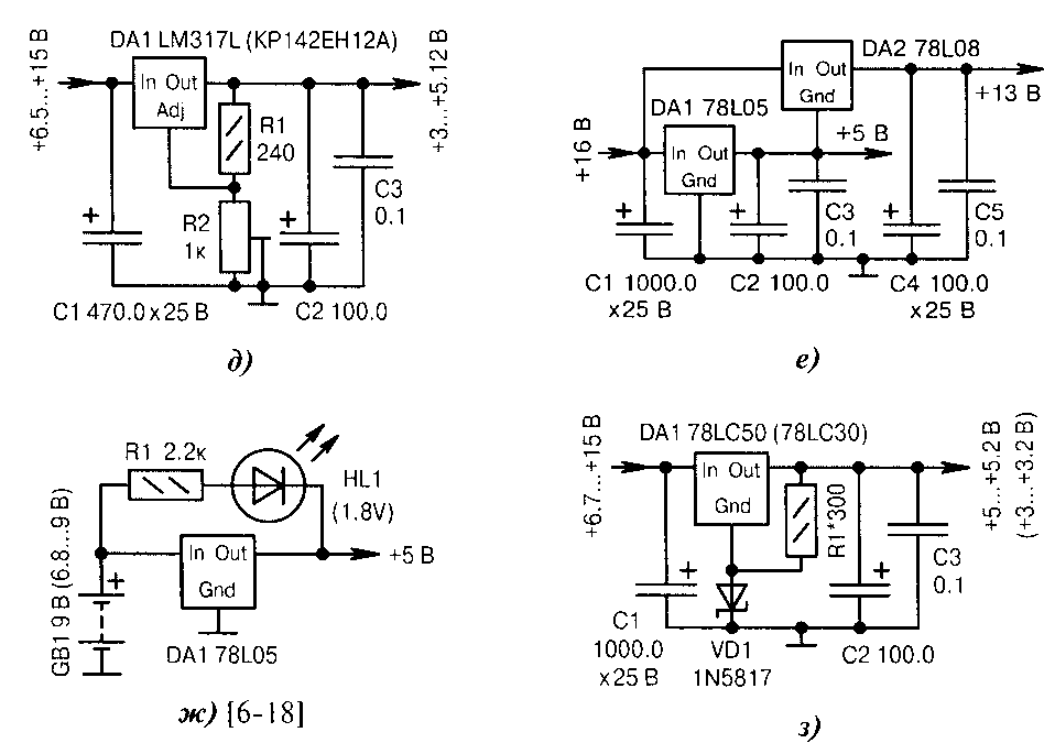
Le circuit d'alimentation du stabilisateur lm317 avec régulation de courant et de tension avec une disposition minimale comporte deux résistances dont la différence de résistance régule la tension en sortie et les condensateurs.La valeur moyenne du courant sur les éléments de support est de 1,25 V. La résistance ne doit pas dépasser 240 ohms.
Le corps du stabilisateur du schéma lm317 est en plastique. Options possibles : TO 220 et 220FP, SOT23 et D2PAK. Des systèmes de protection internes permettent à l'appareil de fonctionner en cas de déconnexion de l'entrée de commande.
Pilotes d'impulsion
Les conducteurs avec un système d'impulsions sont les mêmes régulateurs de tension. La tension alternative vous permet de réguler le fonctionnement de l'appareil. Si le niveau est inférieur à 2-3 ampères, aucune dissipation de chaleur supplémentaire n'est requise.
Les dispositifs à impulsions "coupent" le courant d'entrée pour obtenir le niveau de tension souhaité à la sortie. Il peut fonctionner avec des réseaux de charges élevées. Inconvénients - vous avez besoin d'une source d'alimentation séparée, d'un coût, d'un champ électromagnétique externe "supplémentaire". Difficile à assembler à la maison.
Schémas de connexion
Le circuit de mise sous tension du bloc d'alimentation sur lm317 avec régulation de courant et de tension permet d'utiliser le stabilisateur dans des réseaux à tension non standard. Un minimum de deux résistances est nécessaire pour que l'appareil fonctionne. Les indicateurs les plus importants sont la tension du point de référence, le niveau du courant de sortie.
L'alimentation stabilisée la plus simple

Les stabilisateurs de tension sont nécessaires non seulement pour protéger les équipements ménagers et industriels. En laboratoire, les appareils permettent d'éviter les flux de puissance excessifs et les surchauffes du réseau. Par conséquent, les débutants et les techniciens professionnels ont tendance à utiliser au moins des blocs de stabilisation simples.
Principaux atouts :
- assemblage facile;
- travail fiable;
- pièces pas chères et abordables.

Les inconvénients incluent une faible efficacité de sortie, l'utilisation de grands radiateurs et la grande taille de l'appareil.
Un appareil standard nécessitera plusieurs éléments :
- circuit lm317;
- transistor avec un boîtier en plastique;
- diode;
- deux résistances ;
- deux condensateurs ;
- pont de diodes.
Le nombre minimum de pièces et la conception simple vous permettront d'assembler rapidement le régulateur de tension et de l'utiliser pour un petit réseau.
Les indicateurs des éléments ne sont pas critiques. Par exemple, les résistances sur R1 peuvent aller de 30 à 50 ohms et la diode n'est pas installée.
Alimentation stabilisatrice intégrée

Les appareils avec un système de fonctionnement intégré sont utilisés dans les stabilisateurs de tension, les systèmes audio, les amplificateurs, les alimentations et autres. Toutes les parties de la structure sont reliées au moyen d'un cristal de silicium de sorte que leur séquence constitue un stabilisateur. En génie électrique, deux types sont utilisés:
- utiliser un semi-conducteur ;
- avec l'utilisation d'éléments de film (hybride).
Le circuit standard comprend plusieurs pièces typiques : une source de référence, un amplificateur, un régulateur et un mécanisme de protection pour l'arrêt et la prévention des courts-circuits.
Les circuits intégrés sont des dispositifs avec un cycle fonctionnel complet. Chacun a une entrée, une sortie et un chemin au sol.
Vous ne pouvez utiliser de tels circuits qu'avec certains indicateurs de tension. Les limites admissibles sont de 5 à 24V, pour un courant inférieur à 1A.
Les circuits intégrés ont un limiteur de tension de sortie. Une protection supplémentaire contre la surchauffe est également installée.
Circuit stabilisateur avec alimentation régulée
La sélection de la résistance s'effectue en fonction de la valeur nominale autorisée pour le stabilisateur. L'erreur doit être minime. La meilleure option est un calcul précis.
Champ d'application
Des stabilisateurs basés sur le microcircuit LM317 sont utilisés pour stabiliser les principaux indicateurs des appareils techniques. Un tel appareil est facile à assembler par vous-même et un appareil fabriqué en usine est peu coûteux. Pour cette classe, il a d'excellentes données de fonctionnement et durée de vie, s'il n'y a pas de surtensions trop fortes.
L'inconvénient est la limite de tension - pas plus de 3V. Le stabilisateur basé sur le boîtier TO 220 est le modèle le plus abordable qui est utilisé dans plusieurs domaines :
- réseaux domestiques (domestiques);
- conditions de laboratoire;
- Eclairage LED (diodes électroluminescentes).
Les systèmes de stabilisation de tension basés sur le microcircuit LM317 sont des dispositifs fiables, simples et pratiques. Le coût est faible, mais les caractéristiques sont positives. Ces stabilisateurs sont souvent utilisés pour les LED dans les voitures.










