Les ampoules LED deviennent de plus en plus populaires, mais malgré ce fait, les ampoules à incandescence sont encore utilisées par des millions de personnes, en grande partie en raison de leur faible coût de vente au détail. Cette catégorie comprend non seulement une ampoule à incandescence traditionnelle, mais aussi des sources lumineuses halogènes à culot GU4 ou GU5.3.
- Les causes du burn-out prématuré
- Principe d'opération
- Solutions prêtes à l'emploi
- Schémas de connexion
- Allumage en douceur des lampes 220 V : circuit thyristor
- Allumage en douceur des lampes 220 V : circuit sur triac
- Circuit sur microcircuit spécialisé
- Connexion à l'aide d'un boîtier de protection
- Comment fabriquer soi-même une unité de protection
Les causes du burn-out prématuré

Dans l'écrasante majorité des cas, les lampes à incandescence s'éteignent lorsqu'elles sont allumées, lorsque la bobine a la résistance électrique la plus faible. Un filament froid a 10 fois moins de résistance qu'un filament chauffé. De ce fait, lorsque la lampe est allumée, l'indicateur de courant atteint 8 A, ce qui peut être critique pour une bobine froide.
L'UPVL contribuera à prolonger la durée de vie de la source d'éclairage - allumage en douceur des lampes à incandescence 220 V, dont le circuit est simple. La tâche d'un tel dispositif est d'augmenter progressivement la tension aux bornes de la charge, les fortes surtensions dans les premières secondes après l'allumage sont exclues. Le chauffage en douceur de la spirale permet d'augmenter la durée de vie de la lampe de 2 à 3 fois, au lieu des 1000 heures déclarées.
Principe d'opération

Pour une augmentation mesurée de la tension appliquée, il suffit que l'angle de phase augmente en seulement 2-3 secondes. La pointe de courant est lissée, ce qui contribue au chauffage en douceur de la spirale.
Lorsque l'ampoule est allumée, une demi-onde de type négatif traverse la diode, tandis que l'indicateur de puissance n'est égal qu'à la moitié de la tension. Le condensateur est chargé dans un demi-cycle positif. Lorsque l'indicateur de tension monte jusqu'à l'indicateur d'ouverture du thyristor, la pleine tension du secteur est appliquée à la source d'éclairage et elle brille à pleine incandescence.
Solutions prêtes à l'emploi
Il existe de nombreux UPVL de marques russes et étrangères qui permettent de mettre en œuvre un allumage en douceur. Le coût de ces appareils dépend directement de leur fonctionnalité. Certains modèles interagissent exclusivement avec des ampoules à incandescence, d'autres interagissent en plus avec des ampoules halogènes. Même les modèles économiques peuvent supporter des charges allant jusqu'à 300 watts pendant longtemps.
L'allumage progressif de la lampe peut également être réalisé au moyen d'un régulateur de phase. Sa conception est similaire à l'UPVL, mais le système de contrôle est plus complexe et le régulateur est capable de supporter une charge importante. Les dimensions de l'appareil sont définies par les dimensions du radiateur, qui évacue la chaleur du composant de puissance du circuit.
Chaque dispositif, qui garantit l'allumage progressif des lampes à incandescence, est connecté au circuit électrique en série, à la rupture du fil neutre ou de la phase. La tension dans la charge augmente pendant une certaine période de temps, qui est fixe et non réglable. Ce temps est défini par le fabricant et peut aller jusqu'à 3 secondes.
Schémas de connexion
Pour que l'allumage en douceur de l'ampoule soit efficace, un schéma de câblage spécial est nécessaire. Avec son aide, vous pouvez comprendre comment fonctionne l'UPVL et quelle est sa structure interne.
Habituellement, lors de la connexion d'un tel appareil, les circuits à thyristors les plus simples sont utilisés. Un circuit spécial avec un triac intégré est utilisé un peu moins fréquemment.En plus de ces blocs, des transistors à effet de champ peuvent être utilisés, qui fonctionnent de manière similaire aux dispositifs de commutation graduelle.
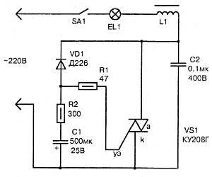
Allumage en douceur des lampes 220 V : circuit thyristor

Le circuit thyristor est simple et facile à réaliser soi-même.
Le circuit en pont redresseur utilise la lampe comme limiteur de charge et de courant. Un circuit de décalage et un thyristor sont installés sur les épaules du redresseur. L'installation d'un pont de diodes est dictée par la spécification du fonctionnement du thyristor.
Après avoir appliqué une tension au circuit, le courant commence à traverser le filament et arrive au pont, tandis que l'électrolyte est chargé avec une résistance entre-temps. Il commence à s'ouvrir lorsque la limite de tension du thyristor est atteinte, après quoi le courant de la lampe le traverse. En conséquence, le filament de tungstène chauffe doucement. Le temps de réchauffement dépend directement de la capacité du condensateur et de la résistance intégrée au circuit.
Allumage en douceur des lampes 220 V : circuit sur triac

Ce circuit a moins de composants en raison de l'utilisation d'un triac comme interrupteur d'alimentation.
Le starter, conçu pour éliminer diverses interférences lors de l'ouverture de l'interrupteur d'alimentation, peut être retiré du réseau général. Le courant circulant vers l'électrode principale est limité par une résistance. Le circuit de mise à l'heure est réalisé sur un condensateur et une résistance, qui sont alimentés par une diode.
Le schéma présenté fonctionne de manière similaire au précédent. Le condensateur s'ouvre lorsqu'il est chargé à la valeur de la tension d'ouverture du triac, puis le courant le traverse jusqu'à la lampe.
Circuit sur microcircuit spécialisé

Pour créer un régulateur pour l'allumage en douceur des lampes, vous pouvez utiliser une puce de marquage spéciale kr1182pm1.
Dans cette conception, le microcircuit lui-même régule la tension de la lampe avec un filament d'une puissance allant jusqu'à 150W. Pour contrôler une charge plus élevée, un plus grand nombre de luminaires, un triac de puissance auxiliaire doit être inclus dans le circuit de contrôle de manière synchrone.
Ces appareils sont capables d'allumer en douceur non seulement des ampoules à incandescence, mais également des ampoules halogènes à 220 V. Des régulateurs de phase sont également installés dans un outil électrique, ils démarrent en douceur l'armature du moteur, prolongeant considérablement la durée de vie des appareils.
Il est strictement interdit d'installer un variateur pour une lampe à incandescence en conjonction avec des lampes fluorescentes et LED. Leur principe de fonctionnement et leurs circuits sont complètement différents. Chacune de ces lampes possède son propre dispositif de chauffage progressif.
Connexion à l'aide d'un boîtier de protection
Si des lampes pour 220 V sont utilisées dans des appareils d'éclairage, l'unité de protection est connectée au circuit de manière séquentielle. La polarité du câblage n'a pas d'importance, l'essentiel est que l'appareil soit connecté à une rupture de fil avec une phase, c'est-à-dire en série avec l'interrupteur.
Si les lampes utilisées ont une tension inférieure (6-24 V) et sont connectées au réseau au moyen d'un transformateur abaisseur, l'unité de protection doit être connectée du côté entrée de 220 V.
Comment fabriquer soi-même une unité de protection
Vous pouvez créer un bloc de protection selon le schéma suivant :
Le principe de fonctionnement du bloc :
- Au départ, le transistor à effet de champ est dans un état fermé. Il reçoit une tension de stabilisation. La lumière est éteinte.
- La résistance (R1) et la diode (VD1) alimentent le condensateur (C1) en tension, ce qui l'amène à se charger jusqu'à 9,1 V. C'est la limite, limitée par les caractéristiques de la diode Zener.
- Lorsque la tension définie est atteinte, le transistor commence à s'ouvrir et le courant augmente. Dans l'état actuel, la tension diminuera et la spirale de l'ampoule commencera à se réchauffer progressivement.
- Le niveau de décharge du condensateur est contrôlé par une seconde résistance. Pour cette raison, le condensateur continue de se décharger après la déconnexion de l'alimentation.
L'utilisation d'un boîtier de protection permet d'effectuer un démarrage progressif des lampes à filament. Il les protège du scintillement négatif pendant le fonctionnement.










