Du fait de l'utilisation au quotidien d'un grand nombre d'appareils électriques (fours à micro-ondes, bouilloires électriques, ordinateurs, etc.), il est souvent nécessaire d'ajuster leurs capacités. Pour cela, un régulateur de tension à thyristor est utilisé. Il a un design simple, il est donc facile de l'assembler vous-même.
Nuances dans la conception

Un thyristor est un semi-conducteur contrôlé. Si nécessaire, il peut très rapidement conduire le courant dans le sens souhaité. L'appareil diffère des diodes habituelles en ce qu'il a la capacité de contrôler le moment de l'alimentation en tension.
Le régulateur se compose de trois éléments :
- cathode - un conducteur connecté au pôle négatif de l'alimentation électrique;
- anode - un élément connecté au pôle positif;
- électrode contrôlée (modulateur), qui recouvre complètement la cathode.
Le régulateur fonctionne sous plusieurs conditions :
- le thyristor doit tomber dans le circuit sous la tension générale ;
- le modulateur doit recevoir une impulsion de courte durée, permettant à l'appareil de contrôler la puissance de l'appareil électrique. Contrairement à un transistor, le régulateur n'a pas besoin de retenir ce signal.
Le thyristor n'est pas utilisé dans les circuits à courant continu, car il se ferme s'il n'y a pas de tension dans le circuit. Dans le même temps, dans les appareils AC, un registre est nécessaire. Cela est dû au fait que dans de tels circuits, il est possible de fermer complètement l'élément semi-conducteur. N'importe quelle demi-onde peut y faire face, si un tel besoin s'en fait sentir.
Le thyristor a deux positions stables ("ouvert" ou "fermé"), qui sont commutées par la tension. Lorsqu'une charge apparaît, elle s'allume, lorsqu'il y a une perte de courant électrique, elle s'éteint. Les radioamateurs débutants apprennent à collecter de tels régulateurs. Les fers à souder fabriqués en usine avec contrôle de la température de la panne sont chers. Il est beaucoup moins cher d'acheter un simple fer à souder et d'assembler vous-même un registre de tension.
Il existe plusieurs schémas de montage de l'appareil. Le plus simple est le type à charnière. Aucune carte de circuit imprimé n'est utilisée pour son assemblage. De plus, aucune compétence particulière n'est requise lors de l'installation. Le processus lui-même prend peu de temps. Ayant compris le principe de fonctionnement du registre, il sera facile de comprendre les circuits et de calculer la puissance optimale pour le fonctionnement idéal de l'équipement où le thyristor est installé.
Portée et objectif d'utilisation

Un thyristor est utilisé dans de nombreux outils électriques : construction, menuiserie, ménage et autres. Il joue le rôle de clé dans les circuits lors de la commutation des courants, tout en travaillant à partir de petites impulsions. Il ne s'éteint qu'à un niveau de tension nul dans le circuit. Par exemple, un thyristor contrôle la vitesse des couteaux dans le mélangeur, régule la vitesse d'injection d'air dans le sèche-cheveux, coordonne la puissance des éléments chauffants dans les appareils et remplit également d'autres fonctions tout aussi importantes.
Dans les circuits avec des charges hautement inductives, où le courant est en retard par rapport à la tension, les thyristors peuvent ne pas se fermer complètement, ce qui peut endommager l'équipement. Dans les appareils de construction (perceuses, meuleuses, meuleuses, etc.), le thyristor commute lorsqu'un bouton est enfoncé, qui est dans un bloc commun avec lui. Dans le même temps, des changements se produisent dans le fonctionnement du moteur.
Le régulateur à thyristor fonctionne parfaitement dans un moteur à balais, où il y a un ensemble de balais. Dans les moteurs asynchrones, l'appareil ne pourra pas modifier la vitesse.
Principe de fonctionnement
La spécificité du fonctionnement de l'appareil réside dans le fait que la tension qu'il contient est régulée par l'alimentation, ainsi que par les interruptions électriques du réseau. Dans le même temps, le régulateur de courant sur le thyristor ne le fait passer que dans un sens spécifique. Si l'appareil n'est pas éteint, il continuera à fonctionner jusqu'à ce qu'il soit éteint après certaines actions.
Lors de la fabrication d'un régulateur de tension à thyristor de vos propres mains, la conception doit fournir suffisamment d'espace libre pour installer un bouton ou un levier de commande. Lors de l'assemblage selon le schéma classique, il est logique d'utiliser un interrupteur spécial dans la conception qui, lorsque le niveau de tension change, brille de différentes couleurs. Cela protégera une personne des situations désagréables, des chocs électriques.
Méthodes de fermeture du thyristor

La fourniture d'une impulsion à l'électrode de commande est incapable d'arrêter son fonctionnement ou de la fermer. Le modulateur ne comprend qu'un thyristor. La fin de l'action de ce dernier n'intervient qu'après interruption de l'alimentation en courant à l'étage cathode-anode.
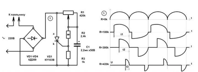
Le régulateur de tension sur le thyristor ku202n est fermé de la manière suivante :
- Débranchez le circuit de l'alimentation électrique (batterie). Dans ce cas, l'appareil ne fonctionnera qu'après avoir appuyé sur un bouton spécial.
- Ouvrez la connexion anode-cathode avec un fil ou une pince à épiler. Toute la tension passe par ces éléments, entrant dans le thyristor. Si le cavalier est ouvert, le niveau actuel sera zéro et l'appareil s'éteindra.
- Réduire la tension au minimum.
Régulateur de tension simple

Même le composant radio le plus simple se compose d'un générateur, d'un redresseur, d'une batterie et d'un interrupteur de tension. De tels dispositifs ne contiennent généralement pas de stabilisateurs. Le régulateur de courant à thyristors se compose lui-même des éléments suivants :
- diode - 4 pièces;
- transistor - 1 pièce;
- condensateur - 2 pièces;
- résistance - 2 pcs.
Pour éviter la surchauffe du transistor, un système de refroidissement y est installé. Il est souhaitable que ce dernier dispose d'une grande réserve de marche, ce qui permettra de charger à l'avenir des batteries de faible capacité.
Méthodes de régulation de la tension de phase dans le réseau
La tension électrique alternative est modifiée à l'aide d'appareils électriques tels que thyratron, thyristor et autres. Lorsque l'angle de ces structures est modifié, la charge est alimentée en alternances incomplètes et, par conséquent, la tension efficace est régulée. La distorsion provoque une augmentation du courant et une chute de tension. Ce dernier change de forme de sinusoïdale à non sinusoïdale.
Circuits à thyristors
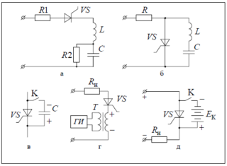
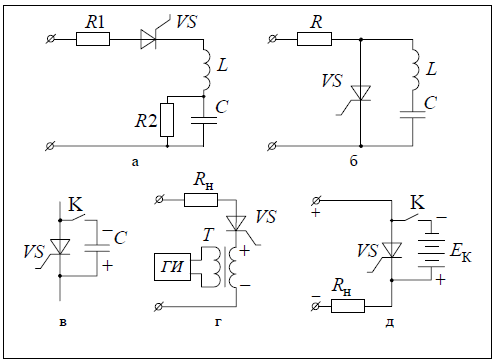
Le système s'allumera une fois qu'une tension suffisante aura été collectée sur le condensateur. Dans ce cas, le moment d'ouverture est contrôlé par une résistance. Dans le schéma, il est désigné par R2. Plus le condensateur se charge lentement, plus cet élément a de résistance. Le courant électrique est régulé par l'électrode de commande.
Ce circuit permet de contrôler la pleine puissance dans l'appareil, puisque deux demi-périodes sont régulées. Ceci est possible grâce à l'installation d'un thyristor dans le pont de diodes, qui agit sur l'une des alternances.
Le régulateur de tension, dont le schéma est présenté ci-dessus, a une conception simplifiée. Une demi-onde est commandée ici, tandis que l'autre traverse VD1 sans modification. Fonctionne dans un scénario similaire.
Lorsque vous travaillez avec un thyristor, une impulsion doit être appliquée à l'électrode de grille à un certain moment pour que la coupure de phase atteigne la valeur requise. Il est nécessaire de déterminer la transition de la demi-onde au niveau zéro, sinon le réglage ne sera pas efficace.












Le thyristor se ferme lorsque le courant qui le traverse est nul et que la tension qui le traverse n'est pas nulle.KU-201 et KU-202 sont des thyristors commandés par l'anode, ils sont représentés différemment dans les schémas.