Pour comptabiliser l'électricité dans les circuits triphasés, des compteurs de conception spéciale sont utilisés, enregistrant sa consommation pour chacune des phases. Les caractéristiques des modes de fonctionnement dans les lignes électriques imposent l'utilisation de convertisseurs spéciaux pour effectuer des lectures - les transformateurs de courant (CT). La connexion directe d'un compteur Mercury triphasé, par exemple, à un tel circuit n'est autorisée que sous une condition. La présence de restrictions s'explique par le fait que les courants circulant dans la ligne surveillée ne doivent pas dépasser la valeur limite de 60 Ampères.
Avantages de l'installation et du fonctionnement du produit Mercury 230

Les compteurs d'électricité de la classe en question sont des appareils de mesure à l'aide desquels il est possible de mesurer l'énergie consommée dans les circuits triphasés. Les avantages de ce type d'appareil électronique comprennent :
- la capacité de mesurer l'électricité à divers tarifs;
- admissibilité au fonctionnement dans les réseaux triphasés, dont le raccordement est effectué directement ou via des transformateurs de courant;
- la capacité de travailler individuellement ou dans le cadre de l'équipement de répartition ;
- fonctionnalité étendue fournie par les caractéristiques d'inclusion dans le système d'alimentation général.
Les appareils sont utilisés avec succès non seulement dans les entreprises industrielles et autres installations de production, mais également dans les maisons privées, où trois phases d'approvisionnement sont utilisées assez souvent.
Le besoin d'une alimentation électrique de 380 volts s'explique par l'utilisation d'équipements électriques, qui comprennent des moteurs électriques. Ils fonctionnent avec succès uniquement en présence de tensions triphasées et sont utilisés dans les pompes de forage, les machines-outils et autres équipements utilisés à des fins personnelles.
Caractéristiques du compteur électrique
- Affichage des données sur l'électricité consommée pour l'un des modes de fonctionnement proposés : nuit, jour, préférentiel, etc.
- Comptage de la consommation d'énergie selon l'un des 4 modes tarifaires avec 16 zones qui se chevauchent dans le temps.
- Comptage et enregistrement des paramètres de courant et de fréquence.
- Contrôle des consommations via l'interface (depuis le dispatching central).
- Enregistrement dans la mémoire de l'appareil jusqu'à 10 événements les plus importants, ainsi que les moments de disparition de phases individuelles, leur dépassement des valeurs autorisées, les dates d'ouverture et les changements de régime tarifaire.
Le compteur offre également un type spécial de protection qui exclut la possibilité d'une entrée non autorisée lors d'une tentative de vol d'électricité. Dans ces appareils, les relevés sont effectués selon l'algorithme « cumulatif total », qui ne dépend pas du sens instantané du courant.
Pourquoi avons-nous besoin de TT
Le raccordement de compteurs triphasés via des transformateurs de courant au mercure permet d'étendre la plage des paramètres mesurés à plusieurs centaines d'ampères. Ceci peut être réalisé grâce à l'utilisation de dispositifs de conversion avec un rapport de transformation fixe (le plus souvent il est égal à 20). Les compteurs de type Mercure étant conçus pour des courants ne dépassant pas 60 ampères, l'utilisation d'un transformateur permet de faire des relevés à leurs valeurs dans les circuits d'alimentation, atteignant plusieurs centaines d'ampères.
Pour les autres modèles TT, le rapport de transformation a « ses propres » valeurs (5, 30, 40, etc.).
Le choix d'un échantillon spécifique du convertisseur dépend du niveau de charge de courant calculé dans le réseau de consommateurs. Si la valeur du courant ne dépasse pas 60 ampères, ce qui arrive extrêmement rarement, la connexion directe du compteur au circuit surveillé est autorisée.
Schémas de connexion

Le schéma de connexion du compteur via des transformateurs de courant Mercury 230 propose plusieurs façons de l'allumer, qui diffèrent par la commutation des conducteurs linéaires: connexion semi-indirecte; inclusion directe; manière indirecte.
Inclusion semi-indirecte
Le semi-indirect est le type de connexion dans lequel un seul convertisseur est utilisé pour effectuer des lectures - un transformateur de courant, fabriqué en tant que module séparé. Ce dispositif permet de réduire la valeur de la composante de courant affectant directement l'unité exécutive du compteur électrique. Avec son aide, il est possible d'élargir la gamme des capacités soumises au comptage dans les réseaux électriques existants. De plus, leur utilisation garantit le fonctionnement normal des équipements qui leur sont connectés.
Connexion directe
Cette méthode est très rarement utilisée, car avec une alimentation triphasée, les courants d'appel dans les moteurs électriques, par exemple, atteignent souvent des centaines d'ampères.
Inclusion indirecte

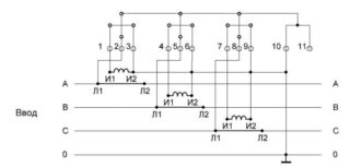
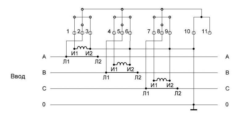
Avec un raccordement indirect, le compteur électrique est inclus dans le circuit surveillé selon plusieurs schémas développés spécifiquement pour cette méthode. L'un d'eux est la connexion au moyen de dix fils conducteurs séparés. Avec son aide, il est possible de réaliser une mesure séparée du courant et de la tension, ce qui augmente l'efficacité et la sécurité de l'appareil dans tous les modes. L'inconvénient de cette méthode est considéré comme un grand nombre d'éléments de commutation qui réduisent la fiabilité des performances du compteur de ses fonctions.
Cette catégorie comprend un circuit qui permet de raccorder le compteur à un réseau triphasé à trois fils au moyen de 2 transformateurs de courant et 2 convertisseurs de tension. Lorsqu'il est appliqué, il est possible de réduire quelque peu le nombre de commutations requises et d'augmenter la fiabilité et la sécurité du fonctionnement de l'équipement comptable.
Nuances de connexion du compteur via TT
- Circuit à dix fils.
- Son analogique à sept fils.
- Schéma avec circuits combinés.
Dans le premier cas, trois fils de chacune des lignes de phase plus le neutre et deux fils de 3 TC sont connectés à la boîte de jonction du compteur. Les avantages de cette approche incluent la déconnexion facultative de la ligne d'alimentation lorsqu'il est nécessaire de remplacer le compteur électrique ou lors de travaux de réparation. De plus, avec ce procédé de commutation, la fiabilité de son fonctionnement et la sécurité de fonctionnement sont augmentées. L'inconvénient de cette méthode est qu'il y a plus de fils de connexion.
Lors de l'utilisation d'un circuit à sept fils, les trois extrémités d'accouplement des transformateurs de courant sont combinées et connectées à la terre (10-3 = 7). Simultanément à la commodité de la réparation des équipements électriques, dans ce cas, le nombre de fils commutés est réduit. Cela simplifie l'installation et la réparation des équipements électriques et réduit considérablement les risques lors de leur fonctionnement en modes normaux. Il est également possible de connecter un compteur électrique selon un schéma combiné, lorsque les circuits de tension sont combinés avec des prises de courant en installant des cavaliers aux points appropriés des transformateurs.Ils sont généralement disposés entre les prises I1 des transformateurs de courant et la ligne de phase correspondante. Le nombre de conducteurs de connexion dans ce cas reste le même - sept noyaux.
Lors du choix d'une option appropriée pour connecter le compteur électrique Mercury 230, ils procèdent tout d'abord de considérations de sécurité. Ce n'est qu'après avoir satisfait à cette exigence que les questions d'économie et de facilité d'entretien ou de réparation sont prises en compte.











