Des contrôleurs triphasés à connexion directe sont utilisés pour mesurer l'électricité consommée. L'installation d'un compteur triphasé est autorisée dans les zones dont la capacité combinée des équipements est supérieure à 12 kW ou 60 A, y compris dans les locaux d'habitation.
- La nécessité d'un comptage triphasé
- Caractéristiques de conception et de travail
- Modèles analogiques
- Modèles électroniques
- Avantages de la connexion triphasée
- Les spécificités d'un compteur triphasé moderne
- Types de compteurs d'électricité
- Variétés de schémas de connexion
- Compteur triphasé de connexion directe
- Raccordement d'un appareil de mesure de manière semi-indirecte
- Méthode de connexion indirecte du compteur
- Les nuances du choix d'un compteur pour 3 phases
- Utiliser un compteur triphasé comme compteur monophasé
La nécessité d'un comptage triphasé

Les normes actuelles établissent l'obligation d'utiliser des appareils de mesure polyphasés avec une puissance de consommation de 15 à 20 kW. Avec cet indicateur, le courant dans le circuit atteint 70 A, ce qui est inacceptable pour les appartements.
Les PUE indiquent également que le système d'alimentation moderne est conçu pour 380 V, et seul un appareil triphasé peut correctement le prendre en compte. Toute la consommation d'énergie peut être répartie sur 3 cœurs, de sorte que chacun aura environ 2,5 A de charge.
Le système triphasé est universel, car il garantit le fonctionnement sûr des appareils ménagers, réduit la charge thermique sur le fil et évite les blessures.
Un régulateur triphasé dans une maison privée nécessite des investissements matériels importants.
Caractéristiques de conception et de travail

Pour comprendre les principes de fonctionnement d'un compteur triphasé dans un réseau d'une puissance nominale de 15 kW ou plus, il convient de comprendre sa conception. Un appareil standard se compose des parties suivantes :
- corps pliable;
- deux enroulements - tension et courant;
- disque en aluminium;
- bouchon de disque magnétique;
- vis sans fin;
- appareil de calcul.
Le principe de fonctionnement de l'appareil dépend de son type.
Modèles analogiques

L'énergie électrique circule à travers la bobine de courant, créant un champ électromagnétique. De plus, il se forme un courant de Foucault qui assure la rotation du disque en aluminium. La force de torsion est transmise à travers l'engrenage à vis sans fin par un mécanisme de compteur qui fixe la consommation d'électricité.
Plus la charge sur la bobine est élevée, plus les kilowatts sont comptés rapidement.
Modèles électroniques
Le compteur dispose d'un convertisseur analogique-numérique. Des impulsions en sont envoyées au microcircuit selon le programme de fréquence. Le microcircuit d'un compteur électronique triphasé stocke des informations et les affiche à l'écran.
Les appareils électroniques sont souvent endommagés par les fluctuations de tension.
Avantages de la connexion triphasée

En installant un compteur multitarif, les propriétaires d'une maison ou d'un appartement bénéficient de nombreux avantages :
- économie - certains modèles ont des modes de charge jour et nuit, ce qui permet d'utiliser moins d'énergie la nuit que pendant la journée;
- polyvalence - les appareils peuvent être connectés à partir d'un réseau 220 V standard ou d'un nouveau réseau 380 V directement ou via un transformateur;
- surveillance constante - le compteur équilibre la tension du secteur;
- Précision - la consommation d'électricité est enregistrée avec une erreur de 0,2 à 2,5 % ;
- fonctions supplémentaires - les compteurs sont équipés d'un journal des événements, d'un modem d'alimentation électrique, d'une fixation utilisateur, d'un moniteur pour la sortie des données.
La version monophasée donne une erreur de lecture jusqu'à 5%.
Les spécificités d'un compteur triphasé moderne

Un appareil multiphasé doit être fiable, durable et transmettre avec précision les lectures. Par conséquent, les modèles des fabricants modernes sont dotés des fonctions suivantes:
- suivi de l'électricité active et réactive ;
- la présence d'un autodiagnostic;
- prendre des lectures à plusieurs rythmes;
- enregistrement des incidents sur la ligne dans le journal des notifications.
Certains appareils sont compatibles avec les smartphones, ce qui permet de suivre la lecture à distance.
Types de compteurs d'électricité
Les fabricants produisent trois types de compteurs d'électricité triphasés :
- Connexion directe - de la même manière que les monophasés, ils sont connectés à un 380 ou 220 V.
- Commutation semi-indirecte - jetés à travers un transformateur, ils conviennent donc à un réseau à forte charge. Les lectures sont calculées en multipliant la différence entre les données précédentes et suivantes par le rapport de transformation.
- Inclusion indirecte - la connexion s'effectue via des transformateurs de tension et de courant. Ils sont utilisés pour le comptage d'électricité en intégration haute tension.
Le schéma de connexion de l'appareil dépendra de son type.
Variétés de schémas de connexion
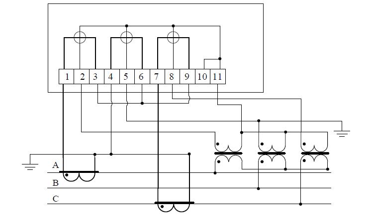
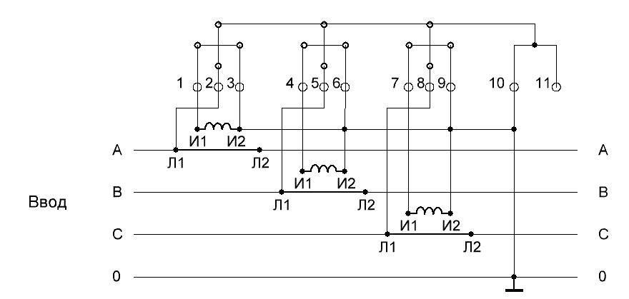
Compteur triphasé de connexion directe
- La couche isolante est retirée du câble de 5 mm. Les oxydations sont éliminées avec un solvant.
- Les conducteurs sont connectés à un disjoncteur tripolaire installé pour le compteur. Ceci est fait afin de le protéger d'un court-circuit sur la ligne électrique.
- Il y a des contacts dans le bornier de l'appareil.
- À l'impair, des fils triphasés sont jetés de l'interrupteur d'alimentation.
- Les neutres d'entrée et de sortie sont connectés aux bornes # 7 et # 8.
- Après avoir installé le module de comptabilité, une machine automatique est installée, similaire au produit d'introduction.
- Le commutateur est connecté à des bornes paires.
- Les équipements sont décomposés en groupes et des machines sont installées pour chaque phase (pour les réseaux avec une tension de 220 V).
Les caractéristiques du schéma de câblage sont visibles sur le couvercle du bornier.
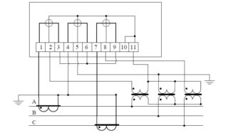
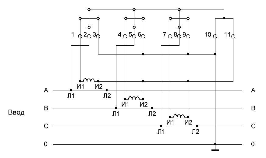
Raccordement d'un appareil de mesure de manière semi-indirecte
Un compteur électrique semi-indirect est jeté sur des transformateurs de comptage. Il est nécessaire de compter la quantité d'énergie utilisée, en se concentrant sur l'indice de conversion. Pour cela, l'un des schémas est utilisé:
- Dix fils. Vous aurez besoin de 11 fils qui se connectent de droite à gauche. La phase A est connectée aux 3 premiers, la phase B est connectée au second 3. La phase C est jetée sur les câbles n°7-9, et le neutre au dixième. Il est nécessaire de connecter un appareil triphasé avec des blocs de test.
- Star. L'utilisation du circuit permet de réduire le nombre de conducteurs. Tout d'abord, les premières sorties unipolaires de l'enroulement secondaire sont assemblées en un point commun. Les 3 prochains points des sorties sont dirigés vers le compteur. Les enroulements de courant sont connectés.
Les modèles semi-indirects peuvent également être lancés au moyen d'un coupleur de circuit de courant avec un circuit de tension.
Méthode de connexion indirecte du compteur

Avec une consommation d'énergie minimale, un raccordement indirect est pertinent. Étant donné qu'un courant accru traverse les produits comptables, un transformateur séparé est nécessaire. Le convertisseur coupe l'enroulement de courant lorsqu'il est connecté. Le schéma est mis en œuvre de manière séquentielle :
- Sélection des matériaux pour les circuits primaires et secondaires. Pour le primaire, il faut un conducteur épais passé au centre du transformateur. Le secondaire est enroulé à partir d'un fil fin.
- Des transformateurs sont projetés sur chacune des phases et fixés sur la paroi arrière de l'armoire électrique.
- Les extrémités des fils du primaire sont connectées à la machine en entrée.
- La deuxième partie des contacts du circuit primaire est connectée avec des conducteurs séparés d'une section de 1,5 mm2 aux bornes n ° 2, 5 et 8.
- La bobine secondaire est connectée avec des câbles similaires aux conclusions du dispositif de mesure - 1 à 3, 4 et 6 et 7 à 9.
- Un fil neutre est placé sur les borniers n°10 et 11.
Si la séquence de connexion n'est pas suivie, le compteur transmettra des lectures incorrectes.
Les nuances du choix d'un compteur pour 3 phases

Un compteur d'électricité triphasé de haute qualité assurera la précision du contrôle de la consommation d'énergie et des économies financières. Lors de l'achat d'un appareil, tenez compte des éléments suivants :
- Les paramètres de tension avec lesquels l'appareil est compatible sont indiqués sur l'étui ou dans le passeport.
- Si l'installation est effectuée à l'extérieur, vous devez vous familiariser avec la montée en température admissible.
- Le dispositif d'enregistrement doit avoir des scellés noirs ou rouges sur les raccords à vis. Sur un appareil électronique, c'est un, sur un inductif un - deux.
- La période minimale de vérification de l'appareil est d'une fois tous les 8 à 16 ans. Un temps plus court indique un compteur de mauvaise qualité.
- Disponibilité d'un certificat de conformité au GOST national et autorisation d'installation sur le territoire de la Fédération de Russie.
- Type d'installation. Un compteur triphasé pour la fixation des coûts énergétiques est monté sur des boulons ou un rail DIN.
- Durée des sceaux - doit être sur le compteur pendant pas plus d'un an.
- La classe de précision d'un appareil comptable de haute qualité est d'au moins 2.
- Indicateurs de puissance. Si tous les appareils de l'appartement n'utilisent pas plus de 10 kW au total, une modification de 60 A convient. Un indicateur de 10 kW prévoit l'installation d'un 100 A.
- Un contrôle de flux automatisé est nécessaire pour afficher correctement les informations aux représentants des services publics.
- Disponibilité des plans tarifaires. Des modèles à deux tarifs sont programmés de 7h à 23h et de 23h à 7h. Le tarif de nuit prévoit la consommation de 50 % d'électricité en moins.
Le nouveau compteur ne peut être connecté qu'après avoir été plombé par un organisme habilité.
Utiliser un compteur triphasé comme compteur monophasé
Selon les instructions techniques pour un réseau de 15 kW ou plus, des compteurs triphasés peuvent être installés. Les organisations de réseau et Energosbyt n'ont pas le pouvoir d'indiquer le nombre de phases connectées. Mais cela ne s'applique qu'à une utilisation temporaire pendant la période des travaux de construction.
Les utilisateurs qui décident d'allumer une unité triphasée en tant qu'unité monophasée doivent savoir ce qui suit :
- après l'appareil, vous pouvez mettre 3 machines séparées et y jeter un câble triphasé;
- une entrée est faite au compteur, à partir de laquelle 1 phase va;
- l'autorisation officielle pour une telle ligne ne peut pas être obtenue, car un compteur triphasé n'est utilisé que sur un réseau triphasé à quatre fils;
- sur les modèles analogiques, les phases ne peuvent pas être combinées ;
- lors de l'installation d'une électronique, chaque phase est vérifiée à tour de rôle ;
- la charge sur le réseau sera asymétrique, ce qui entraînera des pannes d'équipements, des accidents, des blessures.
Le compteur d'électricité triphasé sur une phase lira incorrectement les lectures.
Les réseaux d'alimentation triphasés permettent une connexion de haute qualité d'un grand nombre d'équipements puissants - climatiseurs, cuisinières électriques, radiateurs. Un compteur électrique triphasé vous permet de contrôler la consommation d'énergie avec une grande précision, il a plusieurs tarifs et la possibilité d'être installé dans la rue.












