Les stabilisateurs de tension empêchent les dommages aux équipements et aux appareils électroménagers dus aux fluctuations de charge. L'appareil est compatible avec les réseaux monophasés et triphasés, adapté aux appartements et aux maisons privées. Un circuit stabilisateur de tension peut être nécessaire lors de la connexion de l'appareil vous-même ou de l'aménagement du réseau électrique.
- Le principe de fonctionnement des stabilisateurs
- Le principe de fonctionnement des modèles de relais
- Comment fonctionnent les servomoteurs
- Le principe de fonctionnement des appareils onduleurs
- Caractéristiques du calcul des caractéristiques
- Circuit pour stabilisateur de compensation
- Circuit série
- Circuit parallèle
- Circuit stabilisateur paramétrique
- Caractéristiques de l'appareil à impulsions
- Stabilisateurs sur microcircuits
- Stabilisateurs série
- Les spécificités du stabilisateur parallèle
- Caractéristiques des appareils à trois bornes
- Algorithme d'auto-assemblage de l'appareil
- Schéma de connexion du stabilisateur
Le principe de fonctionnement des stabilisateurs

Le principe de fonctionnement dépend du type d'équipement. Pour mettre en évidence des points généraux, il est conseillé de considérer la conception. L'appareil se compose des éléments suivants :
- Système de contrôle. Vous permet de surveiller la tension de sortie, l'amenant à un indicateur stable de 220 V. L'équipement fonctionne avec une erreur de 10-15%.
- Transformateur automatique. Disponible pour les versions relais, triac, servomoteur. Augmente ou diminue la tension nominale.
- Onduleur. Les modèles d'onduleurs sont équipés d'un mécanisme à partir d'un générateur, d'un transformateur et de transistors. Les éléments à travers l'enroulement primaire peuvent faire passer ou couper le courant, formant une tension à la sortie.
- Bloc de protection, alimentation secondaire. Disponible pour les modèles 220 volts.
La fonction bypass ou transit permet aux régulateurs de fournir une tension à la sortie jusqu'à ce que la limite définie soit franchie.
Le principe de fonctionnement des modèles de relais
Avec son faible coût et sa compacité, l'équipement de relais réagit lentement aux surtensions, peut s'éteindre pendant une courte période et ne peut pas supporter les surcharges.
L'erreur de l'appareil est de 5 à 10 %.
Comment fonctionnent les servomoteurs
Les stabilisateurs servocommandés peuvent réguler la charge d'un réseau triphasé et monophasé. Ils se distinguent par leur durabilité, leur fiabilité et leur bon fonctionnement en cas de surcharge.
La précision des instruments est de 1%.
Le principe de fonctionnement des appareils onduleurs
- Le courant alternatif à l'entrée est égalisé, passé à travers un filtre à condensateur d'ondulation.
- Le courant redressé est fourni à l'onduleur, transformé en courant alternatif et alimenté à la charge.
La tension de sortie reste stable.
Les appareils avec onduleurs se caractérisent par une réponse rapide, une efficacité de 90%, un fonctionnement ininterrompu et silencieux dans la plage de 115 à 300 volts.
La plage de contrôle de l'appareil diminue à mesure que la charge augmente.
Caractéristiques du calcul des caractéristiques

- Tension d'entrée. La formule est utilisée Uin = Uout + 3... Le chiffre est le coefficient de chute de tension dans la section de transition du collecteur à l'émetteur.
- La puissance maximale que le transistor dissipe. Pour une sélection en faveur d'une valeur plus importante, un ouvrage de référence est nécessaire. Les formules suivantes sont appliquées :Pmax = 1,3 (Uin-Uout) Imax = 1,3 (17-14) = 3,9 W ; Pmax = 1,3 (Uin-Uout1) Imax = 1,3 (17-1,5) = 20,15 W.
- Courant de base du transistor. Les calculs se font selon la formule : Ib max = Imax / h21E min. Le dernier indicateur est 25, donc 1/25 = 0,04 A.
- Paramètres du thyristor ballast. La formule est appliquée Rb = (Uin-Ust) / (Ib max + Ist min) = (17-14) / (0,00133 + 0,005) = 474 Ohm. Ist min - courant de stabilisation ; Ust - la tension de stabilisation, qui est donnée par la diode Zener.
Les chiffres et les calculs sont fournis pour les résistances de 1 ohm.
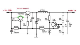
Circuit pour stabilisateur de compensation
Les circuits de compensation expliquent la connexion de retour. Les appareils eux-mêmes ont une tension de sortie précise sans référence au courant de charge.
Circuit série

Par désignations du livre de référence, vous pouvez identifier:
- unité de régulation - P;
- source de tension nominale de référence - ET ;
- indicateurs comparés - SE;
- amplificateur à courant constant - W.
Pour calculer la tension de sortie, vous devez connaître les caractéristiques de l'appareil. Un transistor se régulera et l'autre se stabilisera. La diode Zener est une source de référence. La différence de puissance est la tension entre l'émetteur et la base.
Lorsque le courant de collecteur est appliqué à la résistance, la tension chute et a une polarité inversée pour l'ensemble émetteur. Il en résulte une baisse des courants collecteur et émetteur. Pour rendre l'ajustement en douceur, un diviseur est utilisé pour la ligne de stabilisation. La régulation échelonnée est réalisée à l'aide de la tension du support de la diode Zener.
Circuit parallèle

Si la tension s'écarte de la valeur nominale, une impulsion de discordance se produit. C'est la différence entre les taux de rendement et de soutien. L'unité de contrôle étant parallèle à la charge, elle amplifie le signal. Il y a une variation du courant au niveau de l'élément régulateur, une chute de la tension de la résistance et une valeur nominale constante à la sortie.
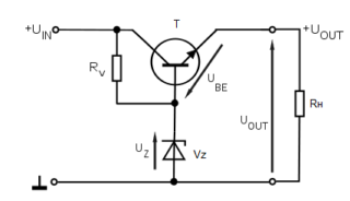
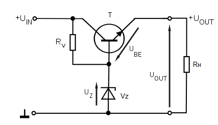
Circuit stabilisateur paramétrique
Le schéma expliquant le processus de stabilisation de la tension de référence sera le principal pour les modèles paramétriques. Le diviseur de tension de l'appareil est une résistance de ballast et une diode Zener avec une résistance de charge parallèle. Lorsque la tension d'alimentation nominale et la charge de courant fluctuent, la tension est stabilisée.
Si cet indicateur augmente à l'entrée, le courant traversant la diode Zener et la résistance augmente. Grâce aux indicateurs volt-ampère, la valeur nominale de la diode Zener reste presque inchangée, tout comme la tension de la résistance de charge. Toutes les vibrations ne concernent que la résistance.
Caractéristiques de l'appareil à impulsions

Le dispositif à impulsions se caractérise par un rendement élevé même dans des conditions d'une large plage de tension. Le circuit du dispositif comprend une clé, un accumulateur d'énergie et un circuit de commande. L'élément de réglage est connecté en mode impulsion. Le principe de fonctionnement de l'appareil :
- Une tension de rétroaction positive est fournie du deuxième collecteur à la base via le deuxième condensateur.
- Le collecteur n°2 s'ouvre après saturation du courant de la résistance n°2.
- Au passage du collecteur à l'émetteur, la saturation est moindre, et elle reste ouverte.
- L'amplificateur est relié au collecteur n°3 par l'intermédiaire de la diode Zener n°2.
- La base est reliée au diviseur.
- La première diode zener commande l'ouverture/fermeture du deuxième collecteur par un signal du troisième.
Lorsque la deuxième diode Zener est ouverte, l'énergie est stockée dans la self, fournissant le champ de fermeture à la charge.
Stabilisateurs sur microcircuits
Un diviseur linéaire se distingue par la fourniture d'une tension instable à l'entrée et la suppression d'une tension stable du bras diviseur. L'alignement est effectué par un bras de tangage qui maintient une résistance constante. Les appareils se distinguent par leur simplicité de conception, l'absence d'interférences en fonctionnement. Les microcircuits sont connectés en série ou en parallèle.
Stabilisateurs série

Les appareils en série se caractérisent par l'inclusion d'un élément de commande en parallèle avec la charge. Il y a deux modifs :
- Avec transistor bipolaire. Il n'a pas de circuit autorégulé, la stabilité de la tension dépend de l'amplitude des indicateurs de courant et de température. Un émetteur suiveur ou un transistor composite est utilisé comme amplificateur de courant.
- Avec boucle de réglage automatique. Le dispositif de compensation fonctionne sur le principe de l'égalisation des valeurs de sortie et de référence. Une partie de la tension de sortie est retirée du diviseur résistif, puis comparée à l'aide d'une diode Zener. La boucle de contrôle est une boucle de rétroaction à 180 degrés. Le courant est stabilisé par une résistance ou une alimentation.
Les stabilisateurs de série les plus populaires sont intégraux.
Les spécificités du stabilisateur parallèle

Un dispositif parallèle se distingue par l'inclusion d'un élément de commande parallèle à la charge fournie. La diode Zener est utilisée de type semi-conducteur ou à décharge gazeuse. Le circuit est demandé pour réguler des dispositifs complexes.
La réduction de la tension instable à l'entrée est réalisée à l'aide d'une résistance. Il est permis d'utiliser une machine bipolaire avec des valeurs de résistance différentielle élevées dans une zone séparée.
Caractéristiques des appareils à trois bornes
Les stabilisateurs pour tension alternative sont de petite taille et sont disponibles dans un boîtier en plastique ou en métal. Ils sont équipés de canaux d'entrée, de masse et de sortie. Les condensateurs de l'appareil sont scellés des deux côtés pour réduire l'ondulation.
La tension de sortie est d'environ 5 V, la tension d'entrée est d'environ 10 V, la puissance de dissipation est de 15 W.
Les modifications à trois broches permettent d'obtenir une tension non standard requise pour alimenter les planches à pain, les batteries de faible puissance, lors de la réparation ou de la mise à niveau des équipements.
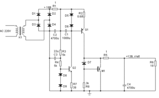
Algorithme d'auto-assemblage de l'appareil
Pour l'autoproduction, il est conseillé d'utiliser un circuit triac - un appareil efficace. Il égalise la puissance nominale du courant fourni à des tensions de 130 à 270 V. L'appareil peut être fabriqué sur la base d'une carte de circuit imprimé en textolite en feuille. Le montage de l'appareil s'effectue comme suit :
- Préparation du noyau magnétique et de plusieurs câbles.
- La création d'un enroulement à partir d'un fil d'un diamètre de 0,064 mm - 8669 tours sera nécessaire.
- Les conducteurs restants d'un diamètre de 0,185 mm sont nécessaires pour les enroulements restants. Le nombre de tours de chacun est de 522.
- Connexion en série de transformateurs 12 V.
- Organisation de 7 succursales. Les 3 premiers sont fabriqués à partir de fil d'un diamètre de 3 mm, les autres - à partir de pneus d'une section de 18 mm2. Ainsi, l'appareil fait maison ne chauffera pas.
- Installation d'une puce de contrôleur sur un dissipateur thermique en platine.
- Installation de triacs et LED.
L'appareil aura besoin d'un boîtier solide fixé à un cadre rigide. L'option la plus simple est les plaques en polymère ou en aluminium.
Schéma de connexion du stabilisateur

Le stabilisateur est entré dans une maison privée à l'aide d'un câble VVGng à trois conducteurs, d'un interrupteur à trois positions et d'un fil PUGV. L'installation s'effectue avant le compteur, dans un tableau séparé ou de distribution :
- Ouvrez les contacts en soulevant le capot avant.
- Passer le câble à la sortie et à l'entrée. Serrez la phase d'entrée à la borne Lin, le conducteur neutre (bleu) - à la borne Nin, la terre - à la borne à vis avec la désignation correspondante.
- S'il n'y a pas de masse, serrez ce noyau sous la vis sur le corps de l'appareil.
- Renvoyez la tension stabilisée au blindage commun. La phase est appliquée à la sortie Lout, zéro à Nout et terre à terre à l'entrée.
- Testez le circuit en mode sans charge.
Pour le test, toutes les machines sont éteintes, à l'exception de l'entrée et dirigées vers le stabilisateur.
Le stabilisateur connecté entre le secteur et la charge convient à une maison privée ou à la campagne, un appartement, une production. L'appareil protège l'équipement contre les pannes, élimine l'effet des surcharges et des courts-circuits sur la ligne électrique.












