Sur le marché russe, les compteurs d'électricité triphasés les plus courants sont les appareils de la marque Mercury. Les appareils plus avancés présentent de nombreux avantages par rapport à leurs homologues obsolètes, en particulier - facilité de connexion et d'utilisation, longue durée de vie et coût abordable.
Types de compteurs électriques triphasés

Les compteurs électriques triphasés ont récemment été utilisés uniquement dans les installations industrielles afin de contrôler avec précision la consommation d'électricité consommée en production. Cela a été facilité par les avantages des compteurs électriques - des caractéristiques techniques et une fiabilité améliorées. Il existe trois types de compteurs électriques triphasés :
- Connexion directe. La particularité réside dans le raccordement direct de l'appareil à la ligne électrique.
- Connexion indirecte. Ce type d'appareil de mesure est connecté à l'aide d'un transformateur spécial pour les connexions haute tension 6-10 kV ou plus.
- Connexion semi-indirecte. La particularité réside dans le raccordement au moyen d'un transformateur dans des réseaux jusqu'à 60 kW.
Lors de l'installation d'appareils de mesure monophasés, un seul schéma de connexion est utilisé. Les triphasés sont connectés de plusieurs manières.
Caractéristiques du compteur électrique triphasé "Mercury"

Dans le processus de fabrication de divers modèles de la marque Mercury, les développeurs ont utilisé les pratiques réussies d'autres spécialistes de cette industrie. Leur tâche consistait à fabriquer un appareil de mesure avec une précision et une fiabilité de mesure élevées, équipé d'une base d'éléments moderne, ainsi que de fonctionnalités avancées et à faible coût.
La particularité des compteurs électriques de cette marque réside dans la conception du circuit, il a le maximum de fonctionnalité possible. Le projet a été mis en œuvre grâce à des pièces importées des principaux fabricants. En conséquence, un compteur électrique triphasé "Mercure" est apparu sur le marché avec les avantages suivants:
- dimensions compactes et faible poids;
- faible erreur de mesure;
- durabilité et fiabilité de fonctionnement;
- la possibilité de se connecter à un système centralisé ;
Une garantie constructeur est fournie.
Caractéristiques

Tous les compteurs d'électricité sont divisés en modèles électroniques et à induction. La différence entre les dispositifs mécaniques est une précision et une fiabilité moins élevées.
Les compteurs d'électricité modernes ont des fonctionnalités supplémentaires qui vous permettent non seulement de suivre la quantité de ressources consommées, mais également de surveiller divers paramètres, ainsi que de surveiller l'état et les performances de l'appareil lui-même. Les données des appareils électroniques peuvent être lues à distance via une structure logicielle. En général, les appareils de mesure Mercury présentent les caractéristiques techniques suivantes :
- Plage de température de fonctionnement étendue.
- En cas de défauts dans le raccordement de la rangée actuelle, la possibilité de vol d'électricité est exclue
- Ressource technologique par type de précision.
- Il existe un mode de lecture manuel et automatique.
- L'appareil lui-même consomme très peu d'électricité.
Différentes interfaces permettent de faire fonctionner les appareils dans un système automatisé de comptabilité commerciale de la ressource consommée.
Fonctionnalité

Le compteur triphasé "Mercury" est capable de remplir les fonctions suivantes:
- Contrôle manuel des paramètres de puissance.
- Comptabilisation, enregistrement et affichage de toutes les informations sur l'écran intégré, la possibilité de leur transmission à distance.
- La possibilité de suivre les caractéristiques du réseau électrique avec la correction des écarts.
- Régulation des forfaits en fonction des tarifs.
- Enregistrement des principaux événements dans la mémoire de l'appareil.
Les appareils de mesure fabriqués par Mercury sont entièrement conformes aux exigences des réglementations nationales.
Paramètres comptables, leur mesure et leur enregistrement

Il est facile de relever des compteurs électriques triphasés, car toutes les informations nécessaires sont affichées sur l'écran LCD intégré.
Tout d'abord, vous devez préparer une feuille de papier vierge et un stylo; pour prendre des lectures, faites attention à l'indication, qui indique la variété des données affichées. Si le compteur est à deux tarifs, les premières lectures sont effectuées sous le marquage T1 - jour, puis T2 - nuit. Le coût de l'électricité consommée la nuit est moindre. Le nombre de kilowatts est multiplié par le coût de 1 kilowatt de la ressource, les données sont ajoutées. Il est nécessaire d'acheter des reçus spéciaux pour les appareils de mesure à deux tarifs, où il y a suffisamment de colonnes pour remplir toutes les informations.
Pour faciliter l'utilisation, les fabricants ont également développé des logiciels qui facilitent la tâche de traitement et de transmission des informations. Le lancement s'effectue lorsqu'il est connecté à un ordinateur ou un téléphone sur la plate-forme Windows.
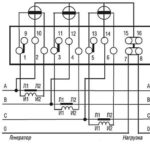
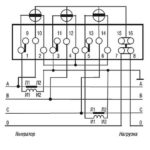
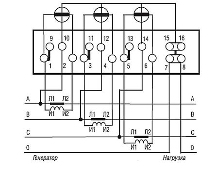
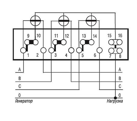
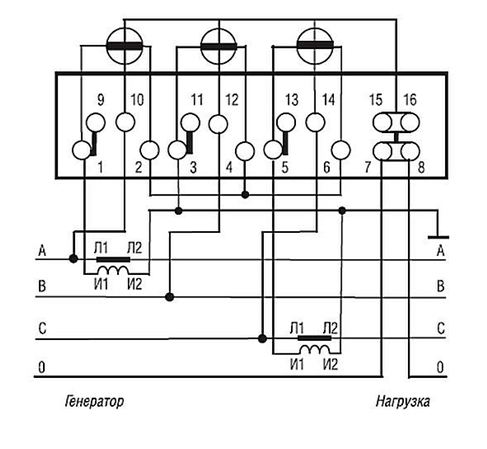
Schéma de câblage pour un compteur triphasé "Mercury"
Le choix du schéma de raccordement le plus adapté dépend du type d'appareil de mesure de contrôle. Le triphasé peut fonctionner dans les conditions des réseaux électriques standards en 220V.
Pour les équipements à flux direct, le courant transmis ne doit pas dépasser 100 A. En conséquence, cela devient la raison de limiter le fonctionnement de l'appareil en termes de puissance, qui n'atteint pas plus de 60 kW. L'appareil est équipé de contacts terminaux, leurs trous sont conçus pour connecter des fils de petite section. En règle générale, la section transversale d'un tel câblage varie de 25 mm².
Les compteurs électriques triphasés électroniques ont un schéma de connexion standard, qui est indiqué sur la couverture arrière de l'appareil. L'installation est simple.
La durée de vie moyenne des équipements de la marque "Mercury" est de 15 ans. Lors de l'achat, il est important de s'assurer qu'il y a une carte de garantie parmi la documentation d'accompagnement.











