Les ressources énergétiques sont nécessaires au fonctionnement normal des personnes. Pour tenir compte de la consommation d'électricité, des appareils spéciaux sont utilisés - des compteurs. Ils aident les représentants des entreprises fournissant de l'électricité à savoir combien d'énergie les locataires de l'appartement ont dépensé et combien ils doivent payer. Le compteur électrique moderne Mercury se distingue par une grande précision des indications d'électricité consommée.
Comment choisir un compteur électrique

Il existe de nombreux appareils sur le marché qui enregistrent des données sur la consommation d'énergie électrique. Il sera difficile pour un utilisateur inexpérimenté de comprendre toutes les caractéristiques et de choisir le meilleur appareil. Tout d'abord, vous devez faire attention aux critères suivants:
- Pour quel courant le compteur sera utilisé - AC ou DC.
- Tarif unique ou multi-taux.
- La méthode de sortie des données est électronique ou mécanique.
- Quel réseau sera connecté - monophasé ou triphasé.
Ensuite, le modèle est sélectionné en fonction de paramètres tels que la charge, le courant de fonctionnement, le coût, la durée de vie. Vous pouvez trouver le meilleur appareil domestique parmi les produits Mercury.
Description des compteurs électriques Mercure

Les compteurs à mercure sont fabriqués par la société russe Incotex. Les appareils sont disponibles dans diverses modifications qui diffèrent par leurs caractéristiques techniques. Le design de tous les modèles est le même. Extérieurement, le compteur ressemble à un boîtier en plastique rectangulaire avec un écran LCD. Mercury est sans vis, par conséquent, la possibilité de piratage non autorisé du dispositif de mesure est exclue.
L'équipement standard comprend le compteur électrique lui-même, un passeport et un mode d'emploi. L'appareil doit avoir un autocollant hologramme, par lequel vous pouvez déterminer que l'appareil est original.
Sur la face avant, il y a un écran avec lequel les lectures sont lues. A proximité se trouve une plaque avec les caractéristiques techniques de l'appareil électrique. Le panneau inférieur est amovible et sert à protéger les contacts. La connexion se fait avec une connexion à vis. Il y a un autocollant avec un schéma de connexion sur le panneau arrière.
Le compteur électrique a des dimensions compactes 105 x 105 x 65 mm. Son poids est d'environ 250-350 grammes. Il est monté sur un rail DIN sans l'utilisation de dispositifs de fixation supplémentaires.
Exigences de base pour le compteur

Lors de l'achat d'un compteur électrique Mercury, vous devez vous assurer qu'il répond aux critères suivants :
- Classe de précision première ou deuxième. L'erreur devrait être de 1 à 2%, pas plus.
- La date de délivrance et d'inspection doit être indiquée sur le compteur. Ces données doivent correspondre à celles enregistrées dans le passeport.
- La présence d'un numéro d'identification par lequel vous pouvez trouver le compteur dans le registre d'État. Le numéro sur le boîtier doit nécessairement correspondre à celui inscrit sur le passeport et la carte de garantie.
- Il y a un hologramme protecteur.
- Le sceau de garantie ne doit pas être endommagé ou arraché.
Ce n'est qu'après avoir vérifié le respect de tous ces facteurs que l'achat peut être effectué.
Caractéristiques de base et supplémentaires

Les spécifications diffèrent dans chaque modification.Pour eux, les paramètres tels que la charge maximale admissible, la tension de fonctionnement, le courant de fonctionnement, la méthode d'indication et le rapport de démultiplication sont différents.
Les caractéristiques supplémentaires incluent :
- Plage de température de fonctionnement. Les valeurs moyennes vont de -20 à +55. Sur certaines modifications, la température minimale est de -40 - généralement sur les appareils avec des tambours, qui affichent la consommation d'énergie. À des températures inférieures à -20 degrés, la clarté de l'image sur le moniteur à cristaux liquides est perdue.
- Conditions de fonctionnement de l'appareil.
- La durée du service de garantie. La moyenne est de 36 mois.
- Durée de vie. Les compteurs sont en service depuis 30 ans.
- Intervalle d'étalonnage. Lors de l'achat, vous devez vous assurer que le compteur d'électricité a été testé après sa sortie. Ensuite, les inspections sont effectuées par l'inspecteur. Le délai de vérification du compteur électrique Mercury 201 est d'une fois tous les 15 ans.
Dans certains modèles, une unité de comptage mécanique, plutôt qu'un écran LCD, peut être installée. Il existe également des modèles d'API pour enregistrer tous les changements d'appareil.
Avantages des compteurs Mercury

Le compteur électrique Mercury 201 est populaire en raison d'un certain nombre d'avantages :
- faible coût - le prix minimum est de 600 roubles;
- Caractéristiques;
- haute précision des mesures d'électricité;
- protection contre le vol d'énergie, mise en œuvre grâce à l'inversion de polarité : lorsque la phase et le zéro sont inversés, l'appareil lira également l'électricité consommée avec une grande précision ;
- format compact;
- facilité d'installation sans l'utilisation de pinces supplémentaires;
- facilité d'utilisation;
- protection contre le cambriolage;
- mécanisme scellé.
Il convient également de noter la longue durée de vie de l'appareil. Avec un bon fonctionnement, le compteur d'électricité fonctionnera pendant au moins 30 ans.
Comment faire des lectures

Il n'est pas difficile d'obtenir la valeur de l'électricité consommée. Au début de chaque mois, un nombre entier est enregistré comme indiqué sur le compteur électrique. A la fin de la période de facturation, le numéro suivant s'écrit de la même manière. La lecture initiale est soustraite de la lecture finale et multipliée par le tarif. En conséquence, la valeur résultante sera égale au montant qui doit être payé pour l'énergie.
Variétés de modèles

Le compteur Mercury 201 est présenté en plusieurs modifications. Ils diffèrent par les courants limites et normaux, les panneaux d'affichage des valeurs et le rapport de démultiplication. Caractéristiques:
- 201.1 a un courant de travail de 5 A, le maximum est de 60 A. Les données sont sorties mécaniquement.
- 201.2 a les mêmes caractéristiques que 201.1, mais les données sont affichées sur l'écran LCD.
- 201.22 est similaire à 201.2, il ne diffère que par les indicateurs de puissance.
- 201.3 courant de fonctionnement 10 A, maximum 80 A. Les données sont lues électromécaniquement.
- 201.4 est identique à 201.3, mais l'énergie consommée est affichée sur l'écran LCD.
- 201,5 courant normal 5 A, limite 60 A. Indication mécanique. Il diffère par le rapport de démultiplication - 3200 imp./ kWh au lieu de 6400 imp./ kWh.
- 201.6 est similaire à 201.5, mais diffère par un courant de fonctionnement de 10 A et un courant maximal admissible de 80 A.
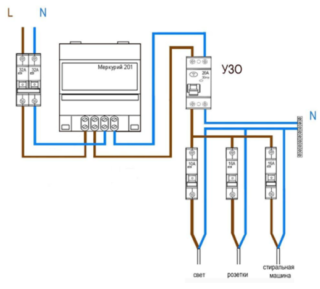
Raccordement d'un compteur monophasé

Vous pouvez installer le compteur vous-même sans appeler l'assistant. C'est une procédure assez simple - il y a un schéma de connexion sur l'appareil lui-même, il est seulement important de connecter les fils correctement.
Le compteur Mercury 201 possède les contacts suivants :
- deux contacts pour connecter une phase - pour entrée et sortie;
- borne de connexion zéro;
- borne pour la sortie de zéro à la charge.
Tous les fils doivent être connectés dans l'ordre indiqué sur le corps. Le schéma du compteur Mercury 201 est le même que celui des autres modifications. Il est important de mettre l'appartement hors tension avant de commencer l'installation. Il est interdit de travailler sous tension.
La première étape consiste à retirer le couvercle de protection.Sur le second, vous devez desserrer les pinces, dénuder l'isolant de chaque fil et passer à la connexion. Les phases sont allumées en premier, puis les conducteurs neutres. Ensuite, vous devez bien serrer les vis. La dernière étape consiste à serrer le couvercle. Lorsqu'il est correctement assemblé, un indicateur LED rouge doit s'allumer à côté de l'écran. S'il ne s'allume pas, appelez un électricien.








